创维液晶电视9R43机芯有噪音的故障解决方法

2022-12-03 17:58:49  阅读 974 次 评论 0 条
摘要:

创维9R43机芯液晶彩电在软件升级后,部分机型会出现噪音,此时可采用以下步骤改: 1、将R2P2从47kΩ改为22kΩ,将L2P0从10uH改为22uH,增加CE0P5电容(100uF),如图1所示。

      创维9R43机芯液晶彩电在软件升级后,部分机型会出现噪音,此时可采用以下步骤改:

1、将R2P2从47kΩ改为22kΩ,将L2P0从10uH改为22uH,增加CE0P5电容(100uF),如图1所示。

创维液晶电视9R43机芯有噪音的故障解决方法 第1张

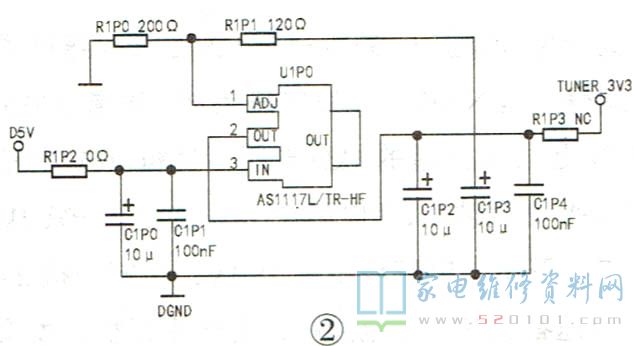
2、增加三端稳压电路U1P0生成3.3V电压,如图2所示。

创维液晶电视9R43机芯有噪音的故障解决方法 第2张

      不装R1P3,并用导线将U0P4的电压输入脚和U1PO的输出脚连接起来,如图3所示。U1P0将5V供电降为3.3V,再将3.3V电压送给U0P4,最终使DDR的供电为1.5V。

创维液晶电视9R43机芯有噪音的故障解决方法 第3张

3、更改功放块④、11脚外接电容的接地端。将电容C0A6和C0A2接地端悬空,再用导线将两只电容的悬空端接到电感FBD3靠芯片一端的引脚上,如图4所示。另外,在C3P0上并一只75kΩ电阻。

创维液晶电视9R43机芯有噪音的故障解决方法 第4张

版权声明:本文为转载文章,版权归原作者所有,欢迎分享本文,转载请保留出处!