LG 42LH30FR-CA液晶电视无声音的故障维修

2022-09-15 19:17:38  阅读 1118 次 评论 0 条
摘要:

接修一台LG 42LH30FR-CA液晶彩电,有时收看几个小时甚至一天都正常,有时收看中突然无声。用DVD.USB、有线电视多种信号源试验,故障依旧。分析检修:根据故障现象分析,判断故障在伴音功放电路中。

      接修一台LG 42LH30FR-CA液晶彩电,有时收看几个小时甚至一天都正常,有时收看中突然无声。用DVD.USB、有线电视多种信号源试验,故障依旧。分析检修:根据故障现象分析,判断故障在伴音功放电路中。该机功放块型号是NTP-3100L(IC600),实物如图1所示。

LG 42LH30FR-CA液晶电视无声音的故障维修 第1张

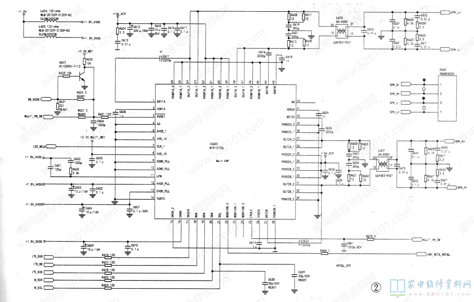
      先是伴音时有时无,怀疑功放电路有接触不良故障,图声正常时,用绝缘棒敲打电路板,图像和伴音没有反应。用热风枪对IC600引脚进行补焊,故障依旧,转向检查IC600的工作条件。该机的伴音 功放电路如图2所示。

LG 42LH30FR-CA液晶电视无声音的故障维修 第2张

       NTP-3100L是D类双声道音频功率放大电路,内置放大电路、脉宽调制电路数字功放电路。开关电源输出的+16V-NTP电压为IC600的32~35脚内部右声道功放电路供电,同时为49~52起脚内部左声道功放电路供电。DC-DC转换电路输出的+3.3V -MULTI-MST为⑧脚内部IO电路供电,+1.8V-AVDD、+1.8V-DVDD为12、13脚内部的PLL电路以及16脚内部的数字信号处理电路供电。IC600获得上述供电后,启动工作。前置音频信号处理电路送来的数字音频信号I2C-SDO、I2C-WS、I2C-SCK从IC600的17~19脚输入,经过IC内部处理及D类放大后,右声道信号从30、31、36、37脚输出,左声道信号从47、48、53、54脚输出,经过外部的电感、电容滤除高频成分,得到音频信号,推动扬声器发声。主板的总线系统通过IC600的20、21、7脚输入对IC600内部的工作状态进行调整和控制。IC600的22脚(MONTIOR _0)是旅馆模式控制输入端,放大器的静音控制通过22脚实现,IC600的25脚(FAULT)是功放电路工作模式控制输入端。

      本着从简到繁的维修原则,先测量IC600的供电电压。在出现无声故障时,迅速测量滤波电容C612两端16V电压正常,但IC600的32~35脚及秒49~52脚电压为0V,判断C612的正极到IC600,上述引脚之间铜箔断线。仔细观察线路板,未找到该段铜箔,因此估计电路板中间有夹层,通过夹层内部铜箔进行连接。直接用导线将C612的正极连接到IC600的32~35和49~52脚,通电试机,故障排除。

版权声明:本文为转载文章,版权归原作者所有,欢迎分享本文,转载请保留出处!