夏普LCD-32LX530A液晶电视背光电路原理分析

2022-05-16 19:32:27  阅读 1042 次 评论 0 条
摘要:

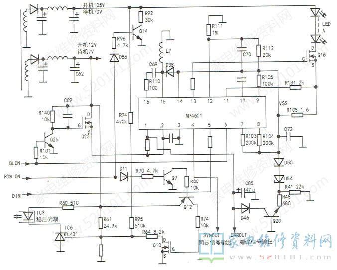
夏普LCD-32LX530A液晶电视背光有2路LED灯串,由2块MP4601控制,MP4601的引脚功能如表1所示。实绘出其中一路(A路)驱动电路,如图1所示。当主板发出背光点亮信号时,BLON变为高电平

       夏普LCD-32LX530A液晶电视背光有2路LED灯串,由2块MP4601控制,MP4601的引脚功能如表1所示。实绘出其中一路(A路)驱动电路,如图1所示。当主板发出背光点亮信号时,BLON变为高电平,Q25导通,Q23也导通,MP4601的②脚得电。同时,BLON信号送给芯片的⑥脚(EN),芯片工作。该机的背光升压电路与众不同。一般LED供电电路简图如图2所示,开关电源输出一组较低的稳定电压,经升压电路升高后供给背光灯,这个升高后的电压是不稳压的,具体值和背光灯的亮度有关,两者呈反比例关系。灯串负端的场效应管是控制流过灯串的电流的,R4上的电压和通过灯串的电流成正比,控制芯片根据这个取样电压控制场效应管的导通程度,使灯串电流保持恒定。

夏普LCD-32LX530A液晶电视背光电路原理分析 第1张

夏普LCD-32LX530A液晶电视背光电路原理分析 第2张

夏普LCD-32LX530A液晶电视背光电路原理分析 第3张

      本机开关电源输出105V稳定电压,直接接LED灯串+端,其简图如图3所示。MP4601的②脚(VIN )与14脚(VSS )之间接有振荡电路与调整器,正常工作后,在C72两端产生一个上正下负的电压VSS,该电压和C62上的电压(开关电源输出的稳定电压)相叠加,由Q16进行恒流控制。电容C72上的电压会影响灯串电流的大小,该电压最小值为0V,最大值为65V,和开关电源输出的105V电压叠加后,供给灯串的电压可在105V~170V之间变化。

夏普LCD-32LX530A液晶电视背光电路原理分析 第4张

夏普LCD-32LX530A液晶电视背光电路原理分析 第5张

       稳压管D50和D54串联,对VSS电压进行取样。如果VSS电压过高,D50.D54击穿,由于Q20的基极接地,此时Q20发射极加上比基极低0.7V的负电压Q20导通,通过D46将芯片①脚电压拉低,即MP4601发出背光异常信号。另外,本机在待机和开机时,开关电源的输出电压是不同的。开机时,POWON信号为高电平,该信号一路经D11和R70使Q9导通,Q12和Q10同时导通,R64通过Q10并联在取样分压电阻R65上,使输出电压升高;另一路经D65和R96使Q14导通,通过R92接入105V电压,防止105V电压过高。

       维修实例:遥控开机,面板绿灯亮,但背光一闪即灭,接着自动返回待机状态。分析检修:开机后测量电源输出的12V和105V电压正常,主板送出的BLON和DIM信号正常,MP4601的②脚电压为12V,但会儿就消失了,应该是背光电路有问题导致主板发出了待机信号。测C72两端的VSS电压(地线为+ ,VSS 为-),开机后该电压快速上升随即又快速降为oV(因为速度很快无法读出具体电压值),这说明升压电路也工作了,故障原因很可能是LED灯串有问题,引起了电路保护。用自制灯串测试仪检测,发现B组灯串电压为120V ,而A组灯串在供电为160V时都不亮。拆开屏检测,A组有一只灯珠开路。短接坏灯珠后再开机,背光亮,故障排除。为了延长灯珠寿命,把R108换成2.7Ω电阻,以适当减小灯珠电流。

版权声明:本文为转载文章,版权归原作者所有,欢迎分享本文,转载请保留出处!