飞利浦47PFL3609/93液晶电视开机无反应且背光不亮的维修

2022-01-15 18:34:44  阅读 1336 次 评论 0 条
摘要:

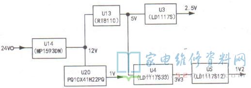
一台飞利浦47PFL3609/93 型液晶电视,上电后电源板.上的继电器有吸合声,但无图无声,背光不亮,遥控、键控失效。分析检修:继电器吸合,说明主板已向电源板发出了开机信号。测电源板输出的12V和24

        一台飞利浦47PFL3609/93 型液晶电视,上电后电源板.上的继电器有吸合声,但无图无声,背光不亮,遥控、键控失效。分析检修:继电器吸合,说明主板已向电源板发出了开机信号。测电源板输出的12V和24V电压都正常,但无背光BL-ON信号,供应逻辑板的上屏电压为0V,转向检查主板.上的各组供电。本机主板供电框图如图1所示,上电,测得以U14(MP1593DN )为中心的DC-DC电路输出电压为0V。U14及其外围元件组成的12V电压形成电路如图2所示。

飞利浦47PFL3609/93液晶电视开机无反应且背光不亮的维修 第1张

飞利浦47PFL3609/93液晶电视开机无反应且背光不亮的维修 第2张

       测量U14的②脚输入24V电压正常,但输出电压为0V,且12V负载没有短路现象。U14的⑦脚(EN,芯片工作与否的控制脚)是使能端,高电平时芯片工作。在本电路中,⑦脚是悬空的,在数字电路中空等效为高电平。难道U14坏了?断电,用指针万用表RX100挡测量U14各脚对地电阻(红笔按地),发现⑧脚(软启动端)阻值不稳定,在2k左右波动。该脚外围只有一只电容C156(起充电延时作用),用电烙铁加热C156,阻值有变化,最后稳定为6k,由此判断C156异常。拆下C156检测,发现已经漏电,如图3所示。更换C156后试机,故障排除。提示:C156为软启动延时电路。C156 漏电后,U14的⑧脚电压始终达不到启动阈值,故U14不工作,从而出现不开机故障。

飞利浦47PFL3609/93液晶电视开机无反应且背光不亮的维修 第3张

版权声明:本文为转载文章,版权归原作者所有,欢迎分享本文,转载请保留出处!