一台LG 42LG31FR-TA液晶电视,开机后图像、声音都正常,数分钟后突然无声,此时遥控失灵;拔下电源插头再上电开机,又能正常工作,但故障仍不定时出现。分析检修:上电试机,发现故障现象有多种,较多时候是无声但图像正常,有时是显示固定的花屏图像,有时自动重启。从故障现象看,电源或主板出现故障的可能性较大。首先检查电源板(本机采用电源背光二合一板),在故障出现时电源板输出的各组电压均正常,结合背光一直正常,判定电源板无问题。检测主板.上各组电压,均正常。用吹风机加热主板后再开机,发现出现故障的时间有所延长,怀疑主板有问题。
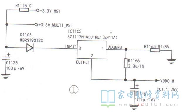
早期的LG电视机主板上有一一个复位按键,若该按键漏电,会引起电视机无规律重启或死机现象。查看本机主板,并没有复位按键,怀疑主板.上的某只滤波电容变质(因为变质的电容加热后会适度恢复),因主板.上的滤波电容很多,无法逐.检测,决定用示波器测滤波电容两端的纹波电压来判断。经检测,发现C1118两端有0.3Vpp的杂波电压。C1118是1.25V电压滤波电容,如图1所示,实物如图2所示。


IC1103 是一只低压差三端稳压器,输入端③脚通过D1103接3.3V,②脚输出1.25V电压(供应主芯片),①脚是稳压取样反馈端;R1166和R1165是取样分压电阻。在实物中,C1118两端还并联有C875( 10pF/16V )和贴片电容C860,这两只电容容量较小,主要作用是滤除高频纹波。在C1118两端并联一只220uF/16V的电解电容,然后开机,测量C1118两端的纹波电压约为0.02V;连续开机2小时,故障不再出现。本机主芯片的供电电压仅为1.25V,工作电流较大,工作电压较低,如果纹波电压较高,会对主芯片的工作造成干扰,从而出现各种奇怪故障。当加热主板时,C1118的性能会暂时恢复,所以正常工作的时间有所延长。
事后与同行交流时得知:在检修该型彩电同故障时,有同行更换IC1103后故障排除。观察该机主板,C1118在主板的正面,而IC1103正好在C1118的背面,拆装IC1103时产生的高温或许会使C1118短时恢复正常,但故障还会复发。另外,在怀疑滤波电容性能不良时,如果没有示波器,可并联容量为220uF~470uF的电解电容来判断,但相对比较费时。当然现在二手主板也不贵,也可直接更换主板排除故障,但也比较费时,还不能了解具体故障点。