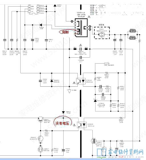
接修一台三星UA46EH5080R液晶电视,故障表现为开机红灯一闪一闪,喇叭有开机音乐循环响,背光不亮。拆机测量5V、13V周期跳动,看板外观没有异常,怀疑主板有短路或者电源负载能力弱。单独接5V送主板没发现有短路,确定电源负载能力降低故障。
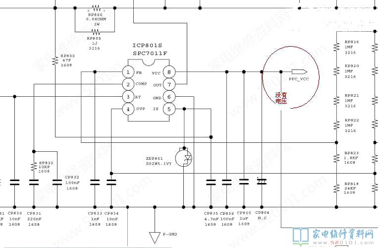
摘板测量各组输出电压正常稳定,输出电流接近正常值,仔细看看有PFC电路,怀疑此电路没工作,测量大电容305V,故障点找到,根本没升压,找图纸仔细测量SPC7011F的8脚没供电。顺藤摸瓜找到变压器绕组断路。 情急之下拆了重绕,一共9圈好绕。绕好变压器装回正常工作,SPC7011供电有13V了,大电容390V了,接上试机一切正常。
  
 
  
 
  
 
  
 
			版权声明:本文为转载文章,版权归原作者所有,欢迎分享本文,转载请保留出处!
			
		
		
		
		
		
		
	