三星公司的等离子显示屏在国产电视机中占有相当大的比例,其42英寸的屏继V5等离子屏后,又陆续推出了W1、W2、W3等新产品,其中W3等离子屏是三星公司近期推出的一款新型等离子模组,其市场占有率较高。在维修中发现其电源板故障率相对较高,由于该等离子屏电源板出厂时间不长,资料甚少,为了方便广大的维修工作者掌握该电源的维修方法,特根据自己的理解和维修实践经验,对此电源做一简析,并提供部分维修案例.以供读者参考。
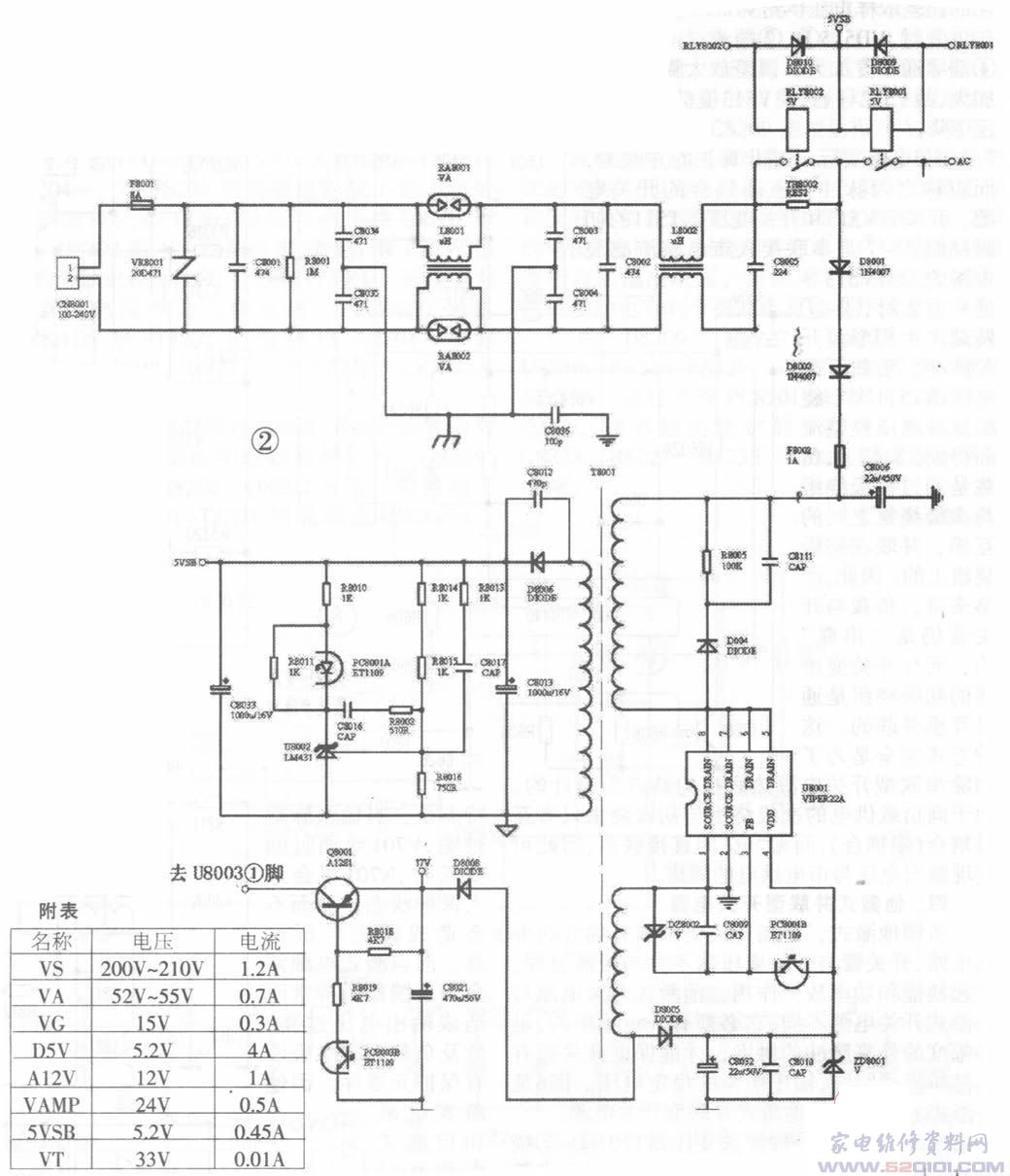
W3屏电源板外观见图1,W3屏电源板所产生的电压见附表。 
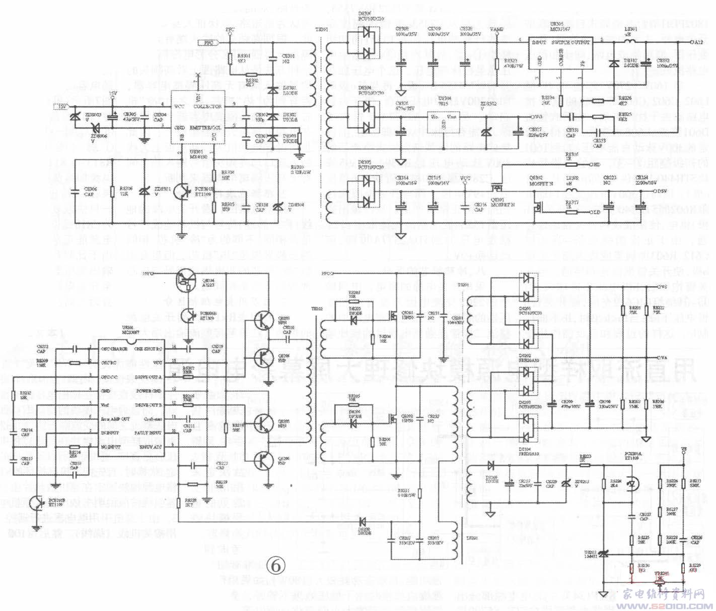
一、进线抗干扰、过压保护电路及VSB(待机5V)电压形成电路
AC220V通过插座CN8001进入后(如图2),经过F800l进入VR8001、C8001、R800l、C8034、C8035、L800l、C8003、C8004、C8002、C8036、L8002组成的过压保护电路以及进线抗干扰电路(EMI)。滤除高频干扰信号后的交流电压通过TH8002、D8001、D8002、F8002、C8006整流滤波后,形成一个不稳定的300V直流电压。该电压经过T8001初级绕组加到U8001(VIPER22A)的第⑤、⑥、⑦、⑧脚。U8001进入工作状态。从T8001次级产生感生电压经过D8005、C8032整流滤波,ZD8001稳压后给U8001提供一个稳定的工作电压,该绕组同时经过D8008、C8021整流滤波后为Q8001(A1281)提供一个待命电压,此时Q8001处于截止状态。
从T8001另一次级绕组产生的感生电压经过D8006、C8013、C8033整流滤波后形成5VSB电压。给J8002(CPU)的⑤脚CPU供电,同时通过R8020为光耦PC8003提供待命电压,该电压还为待机继电器RLY8002、RLY8001提供电源。由R8010、R8011、U8002(LM431)、R8014、R8015、R8016组成反馈检测电路,通过光耦PC8001控制U8001的第③脚,使其产生稳定的5V电压。由R8002、C8016、R8013、C8017组成取样补偿电路。 
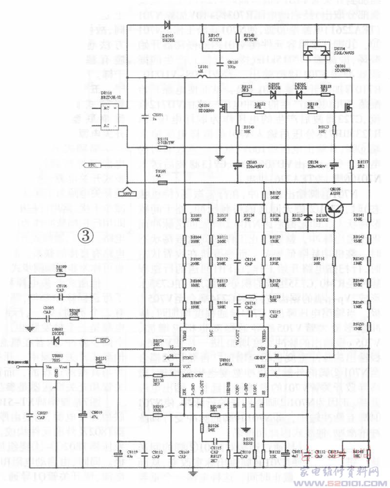
二、待机控制和PFC电路的工作原理(见图3)
当用遥控器或机上按键对电视机发出二次开机指令后,CPU的第⑥脚得到一个PS-ON低电平信号(见图4),通过内部转换从CPU的11脚,17脚发出一个高电平,通过R8022、R8024送到Q8002、Q8003的基极使其饱和导通。一路送入RY8001、RY8002使待机继电器吸合。另一路经过光耦PC8003隔离后,经过R8019使Q8001的基极得到一个低电平,Q8001导通,输出受控的17V电压,该电压经过U8003(7815)稳压得到15V电压,一路经过R8151限流,为U8101(L4981A)PFC模块提供供电。一路送入低压产生电路U8301(MR4030)第④脚,一路为Q8004提供一个待命电压。 

待机继电器吸合后,交流220V送到D8101整流后输出100Hz的脉动直流电压加到L8101储能电感上,同时该100Hz的脉动直流电压还通过R8110~R8114为PFC模块第④脚提供输入电压波形采样,通过R8103-R8107为PFC模块⑦脚提供输入电压幅值采样。当PFC模块有工作电压和采样信号时,PFC模块开始工作。从20脚输出激励脉冲驱动斩波管Q8101,Q8102工作,从而产生PFC电压。由R8135-R8139、R8133、R8115组成电压反馈送入PFC模块的14脚,同时,从PFC模块13脚输出的误差电压放大信号通过C8115、C8116、R8133也反馈到14脚。自此PFC电路完全进入工作状态,输出390V左右的PFC电压。由R8141—R8145、R8150、R8148、C8113组成PFC过压保护检测电路。
三、VAMP A12 VG D5V电压形成电路(见图5) 
PFC电路产生的390V电压经过T8301初级绕组加到U8301(MR4030)的第⑨脚,使U8301进入工作状态。从T8301次级产生的感生电压经D8306、C8308、C8309、C8328整流滤波后得到VAMP电压。VAMP经U8305(MC33167)DC—DC转换后得到A12电压。由R8307、R8308、U8302、R8312、R8310、R8311组成的反馈检测电路经PC8301隔离控制U8301第②脚,使其输出稳定的VAMP电压。由R8308、C8311、R8225、C8310组成取样补偿电路。
从T8301的次级产生的感生电压经D8304、C8326整流滤波,U8304(7815)稳压调节后得到15V的VG电压。
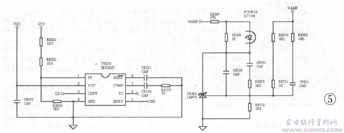
从T8301的次级产生的感生电压经D8305、C8314、C8315整流滤波后得到VCC电压送到Q8301的D极。同时VCC送入U8303(IRU3037)的②脚,U8303进入工作状态。U8303的⑤脚和③脚送出极性相反的两个驱动控制信号分别送到MOS管Q8301、Q8302的G极。在第一个周期时,Q8301导通,Q8302截止,给电感L8302充电;下一个周期到来后Q8301截止,Q8302导通,L8302开始放电,放出的电压经过C8323、C8324滤波后得到D5V电压。由R8321、R8322、R8320组成的反馈检测电路控制U8303的第①脚,使其产生稳定的D5V电压。 
四、VS、VA电压形成电路
当A12VG D5V电压正常输出后,D5V为逻辑板提供工作电压,逻辑板就会反馈一个VS—ON(VS电源启动)的高电平信号送到J8002第12脚,经过内部转换,J8002第15脚得到一个高电平,通过PC8006隔离控制使Q8004导通,15V经过Q8004ec级给U8201(MC33067)15脚和Q8203、Q8204、Q8205、Q8206组成的射随放大电路提供工作电压。U8201得到工作电压后,开始工作,由于该芯片在此电路中的应用①~②脚处于短接状态,故该芯片的12脚和14脚输出相位相同、极性相反的两个矩形波脉冲信号。
当U8201第12脚输出高电平驱动控制信号时,14脚输出低电平驱动控制信号。Q8205、Q8204导通,Q8206、Q8203截止。电路工作流向为15V—Q8205ee-T8202初级绕组-C8201-Q8204ee。在T8202初级绕组形成下正上负的激励信号,从T8202感应的信号使Q8201导通,Q8202截止。两只电容C8231和C8232组成的分压电路对PFC电压进行分压,分压得到的直流电压作为工作电源。PFC电压经过Q8201DS极-T8201初级绕组-L8201-电容C8203、C8202、R8231,为C8203、C8202进行充电。
当U8201第12脚输出低电平驱动控制信号时,14脚输出高电平驱动控制信号。Q8205、Q8204截止,Q8206、Q8203导通。电路的工作流向为C8201-T8202初级绕组-Q8206EC-地;在T8202初级绕组形成上正下负的激励信号,从T8202感应的信号使Q8201截止,Q8202导通,C8202、C8203经L8201-T8201初级绕组-Q8202DS级-R8231形成放电回路。
Q8201和Q8202轮流导通工作,在开关变压器T8201的次级感应的电压,经D8201、D8202桥式整流,C8202滤波后得到VS电压。开关变压器T8201的次级感应电压经D8203、D8104桥式整流,C8209滤波后得到VA电压。
该电源输出功率比较大,所以采用推挽形式的电路(也称为半桥电路)。其特点是工作期间开关变压器T8201的初级始终有正反交替的电流流过,次级绕组在正负两个半周都有幅度相同的输出电压,所以用了桥式整流电路,这种结构也有利于提高电源的工作效率。
由D8209、C8227、R8223、R8224、U8230、R8226~R8229、VR8201组成的反馈检测电路,通过光耦PC8201隔离控制U8201第⑤脚,使其输出稳定的VS、VA电压。由C8223、R8225、R8235、C8226组成取样补偿电路。
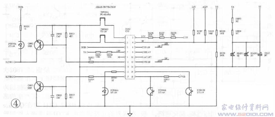
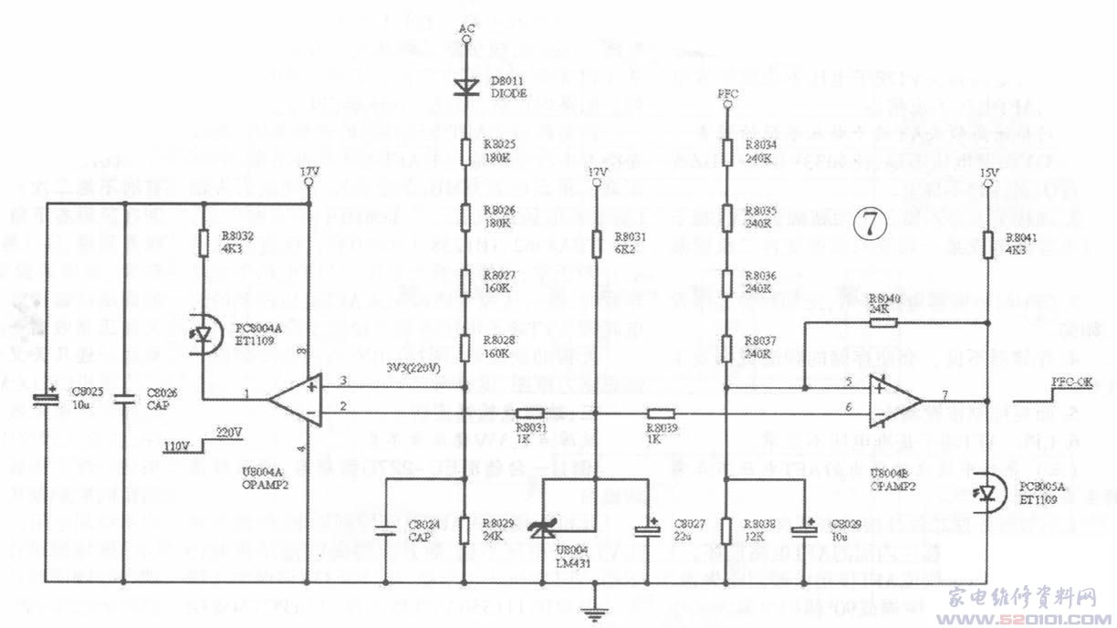
五、保护电路
该电源的保护检测电路由U8004和CPU组成(见图7)。各电路正常丁作后,待机电路的17V电压给U8004提供一个工作电压,由R8031、U8004组成的精密2.5V稳压,通过R8031、R8039分别给LM431的②脚和⑥脚提供基准电压。
由D8011、R8025、R8026、R8027、R8028、R8029组成的AC保护检测电路给U8004第③脚提供检测信号,比较后的信号从①脚输出后通过光藕PC8004送到CPU的18脚。
由R8034~R8038组成的PFC保护检测电路给U8004第⑤脚提供检测信号,比较后的信号从⑦脚输出后通过光耦PC8005送到CPU的16脚。
由R8396~R8399组成的D5V、A12V、VG保护检测电路送到CPU第④脚。
由R8292、R8299组成的VA保护检测电路送到CPU第7脚。
由R8296~R8298组成的VS保护俭测电路送到CPU第②脚。
当CPU检测到其中任何一路电压不正常时,CPU的11脚、17脚发出一个低电平。Q8002、Q8003截止,RLY8001、RLY8002继电器断开,PFC后续电路掉电而停止工作。同时通过光耦PC8003控制Q8001截止,PFC模块低压产生电路部分开关电源芯片\VS/VA电路部分开关电源芯片的供电全部被切断,从而达到保护的目的。
六、维修实例
【例1】故障现象:开不了机,指示灯不亮。
分析与检修:根据故障现象初步判断,故障点大致在电源板,取下电源板让其单独工作(单独工作只需对PS—ON接地,VS—ON接D5V),通电无任何电压输出,于是判断为电源板故障。
根据故障现象进一步判断,指示灯不亮。说明故障点在5VSB形成电路。脱开所有短路点,测量5VSB始终为0V。测量C8006两端的电压为正常的293V,测量U8001第④脚为0V,断电在路测量第④脚对地阻值为180Ω,怀疑U8001短路。拆下U8001测量②脚和④脚的阻值仍然为180Ω,说明待机芯片损坏,更换同型号芯片后通电,故障排除。
【例2】故障现象:开不了机,指示灯亮,二次开机电源板保护。
分析与检修:根据故障现象初步判断,故障点大致在电源板,取下电源板让其单独工作(单独工作只需对PS—ON接地,VS—ON接D5V),一通电就保护,于是判断为电源板故障。
根据故障现象进一步判断,指示灯亮,说明5VSB电路工作基本正常,故障点可能在VAMP A12 VGD5V电压形成电路和PFC电路以及VS、VA电压形成电路。脱开全部短接点,测量5VSB为5.2V,正常。短接PS—ON到地,通电测量PFC电压为360V左右,随即保护,重新通电测量VAMP电压.电压到10V左右就保护了,于是判断故障点在VAMP A12 VG D5V电压形成电路及相应的保护电路。
通电瞬间分别测量VAMP A12 VG D5V电压,发现D5V电压上升到5.6V随后保护。说明是D5V的反馈检测回路出现问题导致D5V电压失控引起的保护。D5V的反馈检测回路由R8321、R8322、R8320组成,从电路分析,只有R8321、R8322开路或R8320漏电才有可能引起这个故障,测量R8321、R8322没有开路,检查R8320时发现,R8320下而有锈蚀的现象,怀疑此处漏电,取下R8320测量阻值正常,清理好印制板后装上R8320通电,故障排除。
【例3】故障现象:(同例2)
分析与检修:根据故障现象初步判断,故障点大致在电源板,取下电源板让其单独工作(单独工作只需对PS—ON接地,VS—ON接D5V),一通电就保护,判断为电源板故障。
根据故障现象进一步检查,指示灯亮,说明5VSB电路工作基本正常,故障点可能在VAMPA12 VG D5V电压形成电路和PFC电路以及VS、VA电压形成电路。脱开全部短接点,测量5VSB为5.2V正常。短接PS—ON到地,测量VAMP A12VG D5V各电压均正常,PFC电压为395V,也正常。短接VS—ON到D5V,测量VS、VA电压无输出,说明故障点为VS、VA形成电路未丁作而导致保护。
通电瞬间测量VS、VA仍然无输出,通电瞬间测量U8201第15脚电压为0V,说明是U8201失去工作电压而导致VS、VA电路不工作。继续在通电瞬间分别测量Q8004发射极为15V,基极为0V,看来只能是Q8004(A1223)损坏而造成U8201的工作电压丢失。由于手上无此三极管,在电阻代换后通电试机,故障排除。
【例4】故障现象:(同例2)
分析与检修:根据故障现象训步判断,故障点大致存电源板,取下电源板让其单独工作(单独工作只需对PS-ON接地,VS—ON接D5V),一通电就保护,于是判断为电源板故障。
根据故障现象进一步判断,指示灯亮,说明5VSB电路工作基本正常,故障点可能在VAMPA12 VG D5V电压形成电路和PFC电路以及VS、VA电压形成电路。脱开全澎短接点,测量5VSB为5.2V,正常。短接PS-ON到地,测量VAMP电压未到正常值就保护,继续在通电瞬间分别测量A12 VC D5V PFC各电压,也未到正常值就保护,说明保护电路自身工作不正常而导致了误保护。
为了区分故障点在D5V、A12V、VG保护检测电路,还是在AC保护检测电路或是PFC保护检测电路,首先在通电瞬间测量CPU第④脚为3V左右,说明D5V、A12V、VG保护检测电路工作正常,故障点应在AC保护检测电路和PFC保护检测电路。通电瞬间继续测量U8004第⑧脚供电为正常的17V,测量②脚和⑥脚的基准电压升高到8.7V之高,明显不正常。通电瞬间继续测量C8027两端的电压为11V左右,说明是精密稳压芯片LM431失效引起U8004第②脚和⑥脚基准电压不正常而导致了保护电路误动作。更换LM431后通电试机,故障排除。 