一、V2屏开关电源概述
特点;由于等离子电视屏的特点,需要多驱动电源供电,并且各供电电源必须保证严格的时序关系,所以其开关电源供电比较复杂。该电源采用多电源组合供电,并且具有PFC功能。
该开关电源的供电范围包括;小信号供电部分:12VAMP、 33V、 VG15V、 A12V、 D12V、 A6V、 D6V 、3.3V 。
屏驱动供电部分:VS VA VSCAN VSET VE
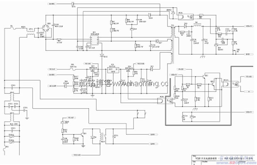
下图1—1所示;为开关电源总框图;
上图中,
EMI;抑制电磁干扰的滤波器
PFC;功率因素校正,是改善电路的电流波形失真,迫使电流波形追踪电压波形变化而变化的电路,由L1 Q1 Q2 D10 IC1等组成。
待机电源;待机时向CPU及存储器供电,接受CPU的指令完成开、关机任务。输出其他电源的启动VCC并执行保护检测电路送来的保护关机控制,T3S IC2 Q11 Q12 等组成。
VS电源;产生等离子屏所需的维持放电电压,由T1S T2S Q6 Q8等组成。
VA电源;产生等离子屏所需的VA地址驱动供电压,由T8S IC35等组成。
小信号电源;产生整机除等离子屏以外其他所有电路多种电压的供电,由T4S IC7等组成
VE电源;产生等离子屏X擦除电路的供电压,由T6S IC17组成。
VSET电源;产生等离子屏Y电极的初始化供电压,由T5S IC16组成。
VSCAN电源;产生等离子屏Y电极寻址期的寻址电压,由T6S IC7组成。
开机启动过程;
接通电源等离子电视机处于待机状态,当CPU给出开机信号 PS-ON(由高电平转为低电平)待机电源继电器吸合,向PFC电源提供220V~,PFC电源开始工作并输出B+PFC(380V,该B+PFC作为VS、VA 及小信号电源的供电源),B+PFC的工作使VA及小信号电源开始工作输出VA电压及多种小信号电源,VA电压输出去等离子屏驱动电路并且VA电压又作为VSCAN开关电源的供电源,VSCAN开关电源也开始工作。在VA电源工作的同时小信号电源也开始工作,小信号开关电源输出前端电路、小信号电路,及逻辑板电路供电源,逻辑板电路正常工作后向VS开关电源发出VS电源启动信号VS-ON(高电平启动),VS电源启动向等离子屏驱动电路提供VS电源,该VS电源同时又作为VE、VSET开关电源的供电压,VS产生后VE、VSET开关电源开始工作,向等离子屏提供X、Y擦除电压。
时序;
PS-ON→PFC电源启动输出B+PFC→小信号电源启动、VA电源启动→VSCAN电源启动、逻辑板输出VS-ON→VS电源启动→VSET、VE电源启动。
以上几种电压的上电时序关系如下图1—2所示;(PS-ON 是CPU开关机控制信号 待机高电平,开机低电平)
(1) 在T0~T1时间接通电源,待机电源开始工作,处于待机状态,此时PS-ON是高电平(该机是低电平启动)。
(2) 在T1时间;CPU送来该机信号PS-ON (由高电平转为低电平),此时待机电源向PFC电源输出220V~。
(3) 在T1时间;PFC电源开始工作,输出B+PFC(380V)。
(4) 在T2时间;小信号电源及VA电源由PFC电源提供380V供电开始工作,向小信号电路提供电源及VA驱动电路提供电源(VA电源也是VSCAN电源的供电源)。
(5) T3时间;VSCAN电源由VA供电开始工作,输出VSCAN电源。
(6) T6时间;逻辑板向VS电源发出启动信号VS-ON(高电平启动)。
(7) 在VS-ON启动下,T6时间VS电源开始工作,并输出VS电源(VS电源也作为VE及 VSET的供电源)。
(8) 在T7时间由于VS的供电,VE及 VSET开关电源开始工作,输出VE及VSET电源。
由于屏的特性,要求启动时间;VA为200Ms、VS为450mS~1200mS、VSCAN为200mS。
VE、VSET的启动滞后VS 400mS。
并且向VA电源及小信号电源提供启动VCC (VC-S-R、VC-S-F)
以下各组成电源介绍;
1、 待机电源;
提供STD-5V, (CPU及存储器供电)
输出VCC-S-R (受控CPU, PFC部分MOS FET灌流驱动电路供电)
输出VC-S-R 18V稳压 (受控CPU PFC启动,小信号供电开关电源启动,VA开关电源启动供电,开机继电器触发供电)
输出 VC-S-F 18V (向开机继电器提供开机启动电压,向VA电源提供Vcc启动电压,开机后PFC异常 VC-S-F消失继电器断开)
由一块集成电路IC2(ICE2A280Z)及开关变压器T3S组成,开机/待机由CPU控制Q14 、Q11完成。
2、 B+PFC及VS电源
该电源由两部分组成,PFC开关电源及PWM电源(VS电源)组成。
电路特点;由两个开关电源组成,其驱动控制部分由一块集成电路(IC1 ML4824)完成。PFC开关电源实际是一个斩波器
1、 PFC开关电源;具有PFC功能并输出B+PFC(380V),B+PFC电源作为整机的供电源(供VS VA VE VSET VSCAN VS 待机的电源)。
2、 PWM开关电源;产生等离子屏的维持电源 VS (占整机功率70%)
3、 小信号电源 VG、12VAMP、 VT33V、 A12V、 D12V、 A6V、 D6V、 D3.3V
该电源向整机小信号电路,前端电路提供电源
12V AMP 伴音供电
VT 33V 调谐电压
VG15V 等离子屏驱动部分供电
A12V/D12V/A6V/D6V/D3.3V 前端数字及模拟供电
由一块集成电路IC7 (KAIM0880)作为开关电源模块完成,另一块集成电路IC34(PQICG203)是一块低压DC~DC开关集成电路,把A12V转换成V5A (5V)它采用PWM开关电源技术,效率很高,其中D80为开关续流管,L45为蓄能元件。
4、 VA/VE/VSCAN/VSET电源
该电源由四个模块组成
VA模块;由IC35 (KAIM0880)完成,由B+PFC供电,VC-S-F作为Vcc启动 输出VA 地址电压。
VSET模块;由IC16(KAIL0380)完成 由VS供电 输出VSET Y擦除电压
VE模块;由IC17(KAIL0380)完成 由VS供电 输出VE X擦除电压
VSCAN模块;由IC18(KAIL0380)完成 由VA供电 输出VSCAN 寻址电压
5、 保护电路
开机有比较完善的保护电路 VS VA过流保护,小信号电源过压、过流保护
由IC39 (KA399)Q23组成。
详细电路分析;
二、待机电源部分:
三星等离子V2显示屏的待机电源采用了先进的COOLMOS集成电路ICE2A280Z组成开关电源的开关振荡、脉冲调宽、稳压控制,Q14、Q11在CPU控制下完成待机/开机任务(电路故障保护电路也控制Q14进入保护性待机)。
COOLMOS集成电路ICE2A280Z介绍
英飞凌公司的新型COOLMOS器件,该器件是PWM控制器和MOSFET开关管组合为一体的功率器件,它的主要特点如下:
●FET耐压为800V,导通电阻低;
●无需散热器即可输出较大的功率;
●具有过、欠压保护、过热保护、过流保护和自恢复功能;
●待机状态及空载时能自动降低工作频率,从而降低损耗;
●待机(轻载)工作频率为21.5kHz,开机(重载)工作频率为100kHz;
●电路结构简单,所需外部电路元件少,可大大减少开关电源的体积和重量,提高系统的可靠性。
由于该系列芯片具有以上诸多特点,因而可广泛用于中、低功率的开关稳压电源中。使用该芯片不仅电路组成简单,而且可靠性很高,所以在中、低功率电子设备中有着广泛的应用前景。
STD-5V (5V) 向CPU及存储器供电
VCC-S-R (22.5V) 由待机电源直接生产
向继电器电路供电(RL35、Q13)。
PFC灌流驱动电路供电(Q3、Q4)。
保护电路光耦PC7S(TLP421)供电。
VC-S-R (18V) 由VCC-S-R经Q11控制后产生(Q11受CPU 的PS-ON控制)。
向PFC部分IC1(ML4824)VCC供电。
IC30(IR2109)的VCC供电。
保护电路;光耦PC7S电源供电。
光耦PC13S电源供电。
小信号电源模块IC7(KAIM0880)VCC供电。
VC-S-F (18V)由VC-S-R经Q11控制后产生
向VA电源模块IC35(KAIM0880)VCC供电。
继电器软驱动触发供电。
VS启动控制(接Q78基极,控制IC1的(5)脚高电平启动)。
在TPW-4211待机电源中IC2各引脚工作电压
引脚 功能 待机 开机
1 软启动控制 5.5 5.54
2 稳压控制 0.96 1.37
3 内部MOS管源极 0 0.005
4 NC
5 内部MOS漏极 312 380
6 NC
7 VCC 12 12.2
8 地
待机电源有待机开关电源部分、开关机控制部分、保护控制组成。
1、 待机开关电源部分;主要由一块开关电源模块 IC2(ICE2A280Z)、开关变压器T3S等组成。
开关电源模块IC2型号是ICE2A280Z它是新型COOLMOS器件,采用双列直插式结构,其封装形式为DIP-8,Vds为800V,导通电阻低;
该器件是PWM控制器和MOSFET开关管组合为一体的PWM+MOSFET二合一芯片的功率器件,其突出特点是由其组成的开关电源,在市电电网中工作时,无需外加散热器即可输出20~50W的输出功率;且能自动降低空载时的工作频率,从而降低待机状态的损耗;同时还具有过、欠压保护、过热保护、过流保护以及自恢复功能,其工作频率在待机状态是21.5kHz,开机状态是100kHz其待机/开机的转换是根据负载的大小来控制,在待机轻载工作频率是21.5kHz;节省电能。开机重载工作频率是100kHz干扰小。
待机开关电源部分电路特点;
(1) 该待机开关电源在设计上也考虑到该部分据有PFC功能;其供电部分在待机由220V交流经桥堆BD2整流、C100滤波后经D110供电,开机工作后由B+PFC(+380V)经D111供电,此时D110截止,滤波电容不再充放电,线路上的电流波形则不会产生畸变,图2—5的D111部分所示。
(2) 为了在待机是功耗降到最小、开机时干扰降到最小,其工作频率在待机状态是21.5kHz,开机状态是100kHz,待机开关电源工作频率的转换是根据该集成电路负载的大小自动转换,(在电路上为了增加开机后的负载功率,电路特设置Q12在开机后消耗部分功率,在开机时CPU发出低电平信号,通过Q88反相变成高电平经过R164加到Q12的基极),图2—5的Q12部分所示。
现将集成电路1C2各引脚功能说明如下:
1脚:软启动设置端,设计者可通过改变外围电路参数(C51值的大小)自行设置所需的软启动时间。
2脚:反馈信号输入端,在启动瞬间,通过输出取样电路可控制光耦的输出电流,从而改变反馈信号的大小,进而控制PWM控制器的输出占空比。该器件的最大输出占空比为0.72。(C268是滤除光耦控制电路中感应的开关电源振荡干扰)
3脚:内部MOSFET的源极,也是MOSFET工作电流检测端,该器件可对输出电流的大小进行实时监测,以便在输出电流过大时切断PWM信号的输出,从而实现过流保护。[Page]
4、5脚:为MOSFET的漏极。
6脚:空脚。
7脚:内部PWM控制器供电电源端,输入电压范围为+8.5~+21V(16.5V)。
8脚:电源地。
(注:由于振荡频率和负载有关,负载轻振荡频率低,所以在无负载时电路不易起振)
产生 STD-5V供CPU及存储器用。
VCC-S-R 23V 开关控制部分的输入电源(在CPU及保护控制下产生VC-S-R及VC-S-F)。
工作过程;
接通电源后;220交流经DB2整流、C100滤波后,经D110、TS3的初级(1)(2)绕组加到IC2(5)脚MOSFET的漏极。IC2(7)脚的启动电压由电源经R67、R68提供,电源经R67、R68流通先对C50充电,当电压上升到8V时IC2内部的振荡器启动,IC2开始工作,开关变压器的付线圈(2)(4)绕组产生的感生电势经D27整流、C50滤波后对IC2(7)脚供电,此时(7)脚电压基本上升稳定在11.5V~12V,电路开始正常工作在待机状态,输出STD-5V向CPU及存储器供电,图2—5所示。输出VCC-S-R(23V左右)向PFC的灌流电路供电及在CPU控制下产生VC-S-R及VC-S-F向 VA 、VG 开关电源及开机继电器供电,图2—6所示。
待机部分开机启动示意;如图2—7的 箭头指向所示。
此时由于是待机状态,STD-5V向CPU及存储器供电,消耗功率极小。VCC-S-R虽然向PFC部分供电,由于是待机状态,VC-S-R及VC-S-F还没有产生,待机/开机继电器还没有吸合,PFC部分还没有工作电压,PFC的激励电路ML4824(15)还没有启动电压(VC-S-R 18V)所以灌流电路供电的VCC-S-R还不产生电流不消耗功率。此时整个待机电路是处于负载极小的轻载状态,开关电源工作在低振荡频率的高效率状态(21.5K左右,COOLMOSFET的特性决定)。
当CPU发出开机命令,待机电源的23V经Q14导通产生VC-S-R及VC-S-F 向VA VG开关电源提供启动电压并开机继电器吸合,使待机开关电源的负载加重,又由于Q12的导通(原理后述)5V输出经过R1214流过;使待机开关电源的功率负载明显加大,此时开关电源工作频率自动转换在高振荡频率的工作状态(100K左右,COOLMOSFET的特性决定),此时虽然待机开关电源的效率略有下降,但是其辐射干扰则下降到最小,注意图2—9 Q12的状态所示。
((7)脚电压如超过16.5V则会进入过压保护区,出现启动困难,维修应该注意)。
IC2(ICE2A280Z)的(1)脚为软启动控制设置端,改变其外接电容C51容量的大小可控制其软启动的时间,容量大软启动延迟时间长。
IC2的(3)脚是内部MOSFET的源极,其外接电阻既是限流电阻又是电流取样电阻,通过取样电阻R2设定电流的最大值。由于R2接在MOSFET的源极,因而可检测MOSFET的工作电流。由于要求R2×Idspeak≤1V,因此,在Idspeak为2A时,R2可选在0.5Ω以下,R2阻值的设定可确定输出功率的上限。
IC2(2)脚是稳压控制脚,当输出电压上升时,稳压控制电路驱使(2)脚电压下降最后使输出电压下降,(2)脚接的电容C268是滤出稳压控制电路感应的高频开关信号对稳压电路的不良影响。
由于制造上的困难,目前MOSFET的Vds>1000V还没有,该电源块内部MOSFET的Vds为800V,
而该开关电源模块的工作电压在待机时是+311V,在开机时是由B+PFC供电,电压为+380V,其开关变压器的感生电势峰值极有可能将MOSFET击穿, 所以对开关变压器T3S的要求较高,在绕制时初级电感值要适当 ,一般在400μH到500μH之间比较合适。在反激式电路中,磁芯应加气隙,以调整脉冲变压器的初级电感,同时应注意变压器的绕组排列,以尽量减少漏感,避免造成对MOSFET过大的应力。次级电路主要是选择整流管和滤波电容。整流管应根据输出电流和电压来选择,该机在低输出电压情况下,可采用肖特基二极管,当开关频率较高时,应采用超快恢复二极管作整流管,以减小其反向电流对初级的影响。
该电源模块作该机的开关模块的Vds是800V,而在正常工作时电压是B+380V, 所以在MOSFET的负载电路回路中必设置由R69、D26、C99组成的阻尼电路,以防止MOSFET由导通转为截止时TS3初级产生的自感电势峰值对MOSFET产生击穿的危险。
稳压控制部分采用了KA431(IC6)精密电源,VR2是输出电压调整控制,KA431的稳压控制性能非常优秀,这也是目前国内外中高挡机采用的最多的。原理在前期本部编写的“HDP2908原理与维修”已详细介绍过,这里不再叙述。
3、 待机控制及保护控制 开关机控制及保护控制部分
待机开关变压器(5)(6)端产生电压经D25、C38整流滤波后得到22.5V电压作为PFC部分的
CPU送来低电平开机信号控制该电路;
向PFC电路提供220V供电、PFC激励IC1(ML4824)启动VCC电源(VC-S-R 18V)
向VA开关电源提供启动VCC电源(VC-S-F)
向VG小信号供电开关电源提供启动VCC电源(VC-S-R)
向开机继电器提供吸合启动供电(VC-S-F)
STD-5V (5V) 向CPU及存储器供电
VCC-S-R (22.5V) 由待机电源直接生产
向继电器电路供电(RL35、Q13)。
PFC灌流驱动电路供电(Q3、Q4)。
保护电路光耦PC7S(TLP421)供电。
VC-S-R (18V) 由VCC-S-R经Q11控制后产生(Q11受CPU 的PS-ON控制)。
向PFC部分IC1(ML4824)VCC供电。
IC30(IR2109)的VCC供电。
保护电路;光耦PC7S电源供电。
光耦PC13S电源供电。
小信号电源模块IC7(KAIM0880)VCC供电。
VC-S-F (18V)由VC-S-R经Q11控制后产生
向VA电源模块IC35(KAIM0880)VCC供电。
继电器软驱动触发供电。
VS启动控制(接Q78基极,控制IC1的(5)脚高电平启动)。
控制原理如图;
PC13S的作用是保护控制,它的输入是接在保护检测电路(Q19、Q20、PC7S等,保护检测电路原理后面叙述)。
Q12的作用是在开机后为了使待机开关电源的振荡频率由20kHz上升到100kHz,必须使待机电源的负载加重,Q12使在开机后控制接在待机负载的上的电阻R1214导通,以增加待机电源的负载功率。工作原理如下;
保护控制电路原理;
Q19的基极是来自保护检测电路,当进入保护状态时Q 19基极为低电平,此时Q19导通,STD-5V 经过光耦PC13S、Q19流通,PC13S右侧内阻下降导通,由于PC13S的右侧接于Q88的集电极,在正常的开机过程中Q88的集电极必须是高电平(待机为低电平),那么在正常开机工作时,如果出现故障,保护电路动作;Q19导通PC13S导通,由于PC13SJ接于Q88的集电极并迫使Q88集电极电位下降为低电平,强行使之进入保护性待机状态。
调节待机开关电源在开机工作时加重负载的电路原理;
Q12的基极接在Q88的集电极,Q12和R1214串连接在STD-5V,当电视机在待机状态Q88的集电极是低电平,此时Q12截止,R1214无电流通过。当正常开机时,Q88的集电极为高电平,此时Q12正偏饱和导通,STD-5V加在R1214上,调整加重了待机电源的负载使待机电源的振荡频率由20kHz上升到100kHz(振荡模块的特性所决定)。
图2—8所示是三星公司提供的 Q88、Q12部分;原理图;分析起来比较困难,把它画成图2—9所示,等效图,其工作原理就清晰、明了多了。








