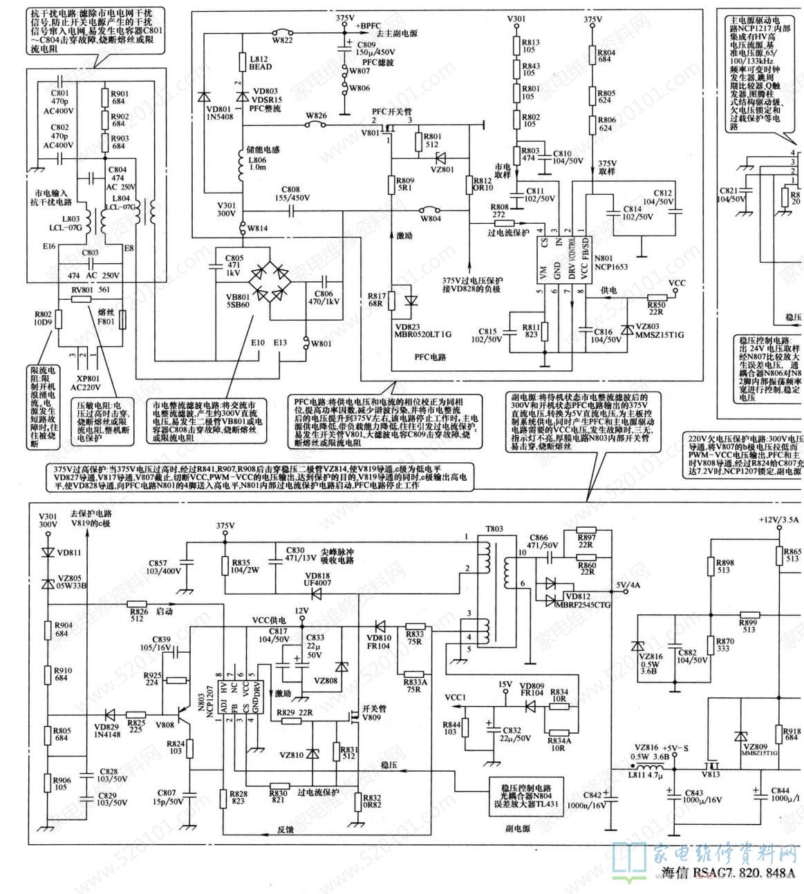
海信液晶彩电采用的RSAG7. 820. 848A电源板,应用于海信TLM3237D、TLM3207 、TLM3228LF 、TLM3229G等液晶彩电中,配LTA320WT-L16液晶显示屏。海信RSAG7.820.848A电源板实物图解如图1所示;电路组成框图见图2所示。该电源板集成电路采用NCP1207 ( N803) + NCP1653 (N801) + NCP1217 (N802) 组合方案。
海信RSAG7. 820. 848A电源板分为三部分:一是以厚膜电路NCP1207 ( N803)和大功率MOSFET(开关管) V809 为核心组成的副开关电源,为主板上微处理器控制系统提供+5V-S、+5V_M 供电,同时为PFC电路和主开关电源驱动控制电路提供VCC工作电压;二是以驱动控制电路NCP1653 (N801) 和大功率MOSFET (开关管) V801 为核心组成的PFC电路,校正后为主开关电源提供约375V的+BPFC工作电压:三是以驱动控制电路NCP1217 (N802)、 推动电路V820、V821、 T804和大功率MOSFET (开关管) V805、 V806为核心组成的主开关电源,为负载电路提供+24V、+28V、 +12V/3.5A 电压。待机采用切断主开关电源VCC供电的方式,主开关电源停止工作。
开关机控制采用控制PFC电路N801和主开关电源N802驱动电路vCC供电的方式。通电后,市电整流滤波后在V301产生约300V脉动电压,经PFC充电电路后形成稳定的+ 300V电压,为以NCPI207为核心的副电源供电,副电源首先启动工作,为主板控制系统提供+5V-S电压,指示灯点亮:控制系统获电工作后为电源板送人开机控制电压,副电源产生的VCC电压,经待机控制电路控制后,为PFC驱动电路提供VCC工作电压,为主电源提供PWM-VCC工作电压,上述电路启动工作。其中PFC电路工作后,将市电整流滤波后V301的300OV脉动直流电压提升到约375V,产生+ BPFC电压,为主、副电源供电:主电源启动后,为主电路板和背光灯逆变器板提供+24V、+28V、 +12V/3. SA电源,同时主电源12V电压的产生,使副电源二次侧的+5V-M产生电路启动工作,向主板信号处理电路提供+5V-M电压,整机进人开机收看状态。
该电源板在电源二次电路依托待机控制电路设有以模拟晶闸管V810、V811为核心组成的过电压、失电压保护电路,当开关电源发生过电压故障或负载电路发生短路故障,造成输出电压过电压或失电压时,保护电路启动,迫使开关机控制电路动作,进人待机保护状态;在开关电源的- -次电路设 有市电欠电压保护和375V过电压保护电路,当发生欠电压或过电压故障时,迫使待机VCC控制电路动作,进人保护状态。该电源板的集成电路引脚功能和维修数据见表1 ~表3。
本机电源板可以从电视机上摘下独立维修,维修时只需要把开关机控制电路晶体管V816的集电极和发射极短接,整机就处于开机状态,各路电压均有输出。在维修不是带负载能力差的故障时,本电源可以空载维修。
1. 指示灯不亮
测量熔丝F801是否熔断,如果已经熔断,说明开关电源存在严重短路故障,主要对以下电路进行检测:一是检测市电输人抗千扰电路C801 ~ C804及整流滤波VB801、C808是否击穿漏电;二是检查副电源开关管V809是否击穿,如果击穿,进一步检查T803的1-2绕组并接尖峰吸收元器件VD818、R835 、C830;三是检查N803的2脚外部稳压控制电路的N804、T1431 是否发生开路故障,造成输出电压过高损坏开关管V809,检查N803的3脚外部过电流检测电路的R830、R832 是否连带损坏;四是检查PFC电路开关管vV801是否击穿,如果击穿,检查N803的1脚外部稳压电路和4脚外部过电流保护电路;五是检查主电源开关管V805、V806 是否击穿,如果击穿,继续查N802的2脚外部稳压控制电路N806、N807,检查N802的3脚外部过电流检测电路的R822是否连带损坏。
2.指示灯亮
按遥控器上的"POWER"键,测V816的基极有无STB高电平,如果为高电平,但主电源无电压输出,则故障在主电源或待机控制电路。一是测量N802的6脚有无PWM-VCC供电,无PWM-VCC电压,检查以V816、N805、V807为核心的待机控制电路或模拟晶闸管保护电路;二是如果N802的6脚有PWM-VCC供电,则测N802的5脚有无PWM驱动脉冲,如果有PWM驱动脉冲,查N802的5脚外部以V820、V821 为核心的驱动控制电路,查以V805、V806 为核心的功率输出电路。
3.自动关机
如果指示灯亮,开机的瞬间,主开关电源启动,并在主开关电源变压器的二次侧有电压输出,几秒钟后主开关电源停止工作,输出电压降到0V,多为模拟晶闸管保护电路启动所致。可在开机的瞬间,测量保护电路的模拟晶闸管V811的基极电压,如果由正常时的低电平0V变为高电平0.7V以上,则是以模拟晶闸管为核心的保护电路启动。由于V811的基极电压外接三路过电压保护和三路欠电压保护两种保护检测电路,为了确定是哪路检测电路引起的保护,可在自动关机前的瞬间测量V823的发射结电压,该电压正常时为0V,如果为0.7V,则是欠电压保护电路启动,否则是过电压保护电路启动。确定保护之后, 可采用解除保护的方法,开机测量开关电源输出电压和负载电流,观察故障现象,确定故障部位。
为了防止开关电源输出电压过高,引起负载电路损坏,建议先接假负载测量开关电源输出电压,在输出电压正常时,再连接负载电路。全部解除模拟晶闸管保护:将模拟晶闸管V811的基极对地短路,也可将模拟晶闸管V810的发射极与光耦合器N805的1脚之间的连接断开,解除保护,开机观察故障现象。逐路解除模拟晶闸管保护:对于+ 24V过电压保护电路,断开VZ811; + 28V过电压保护电路,断开VZ812; + 12V过电压保护电路,断开VZ813。对于+24V欠电压保护电路,断开VD820; +28V 欠电压保护电路,断开VD821; + 12V欠电压保护电路,断开VD822。
解除AC220V欠电压和375V过电压保护:对于AC220V欠电压保护电路,断开保护电路V817的发射极或断开V817的基极的二极管VD827。对于375V过电压保护电路,将保护电路V819的集电极断开或将v809的基极对地短路,也可将稳压管VZ814断开。注意:解除上述保护后,不可长时间通电,以免损坏元器件。当PFC电路发生故障不工作时,造成电源板供电低,带负载能力差,也会引发自动关机故障。开机时测量C809两端电压,两端电压正常为375V,如果PFC电路不工作,C809 两端电压为300V。
海信RSAG7.820.848A电源板电路原理和维修图解如图3所示。

