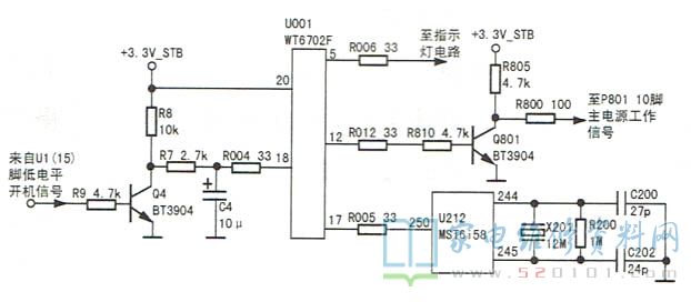
接修一台TCL L40V10FBEG型液晶彩电,故障表现为不开机,指示灯由红色变为绿色后又变为红色。本机芯彩电的开机过程如下:接通电源开关后待机电源工作,输出+3.3V_ STB待机电压,为按键板上的单片机U1 ( MSP430F2111) 及电源管理芯片UO01( WT6702F)等电路供电。按下“开/待机”键后,U1的15脚输出低电平开机信号,经控制电路使U001的18脚为高电平,如图1所示。
这时,U001⑤脚输出高电平,待机指示灯由红色变为绿色;U001的12脚输出低电平->Q801截止->插座P801 10脚为高电平->开关电源中的主电源工作->P801①~④脚有+24V电压输出,U212得电工作;U001的①脚输出低电平送至U212的250脚,则U212的220脚输出高电平背光灯点亮信号ON_ PBACK、 219脚输出高电平显示屏供电信号ONPANEL,231脚输出初始亮度信号ADJ_PWM2,背光亮,屏上出现“TCL王牌”字符,至此开机过程结束。若上述开机过程因故受阻,则在U212控制下使U001⑤、12、17脚输出与上述相反的电平,主电源停止工作,红色待机指示灯重新点亮。
这时,U001⑤脚输出高电平,待机指示灯由红色变为绿色;U001的12脚输出低电平->Q801截止->插座P801 10脚为高电平->开关电源中的主电源工作->P801①~④脚有+24V电压输出,U212得电工作;U001的①脚输出低电平送至U212的250脚,则U212的220脚输出高电平背光灯点亮信号ON_ PBACK、 219脚输出高电平显示屏供电信号ONPANEL,231脚输出初始亮度信号ADJ_PWM2,背光亮,屏上出现“TCL王牌”字符,至此开机过程结束。若上述开机过程因故受阻,则在U212控制下使U001⑤、12、17脚输出与上述相反的电平,主电源停止工作,红色待机指示灯重新点亮。
从上述分析可知,本机指示灯能短时变为绿色,表明U001、U1工作基本正常。接通电源开关,按一下“开/待机”键后,能短时检测到P801①~④脚有+24V电压输出,由此确认U001、U1工作正常。强制启动主电源后,测U212的供电、时钟及复位电压,发现U212的244、245脚没有时钟振荡波形,代换晶振x201后试机,故障排除。
版权声明:本文为转载文章,版权归原作者所有,欢迎分享本文,转载请保留出处!