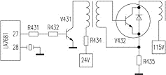
金凤牌C54E3C彩电,开机10分钟左右后三无,轻击线路板或关机一段时间再开机又可恢复正常,但不久故障重现。 2006-09-18 20:50:43 阅读 414 次 评论 0 条 摘要: 对电源电路或行扫描电路的可疑部位的焊点进行补焊后,故障依旧。待三无故障出现时,测得开关电源各输出端电压均正常,测行管V432 c极(见附图)电压为115V正常,b、e极电压均为0V,查R435正常,焊下V432引脚 对 电源电路或行扫描电路的可疑部位的焊点进行补焊后,故障依旧。待三无故障出现时,测得开关 电源各输出端电压均正常,测行管V432 c极(见附图)电压为115V正常,b、e极电压均为0V,查R435正常,焊下V432引脚测得其b、c极与b、e极均开路,更换后故障排除。 版权声明:本文为转载文章,版权归原作者所有,欢迎分享本文,转载请保留出处! 点赞 分享: PREVIOUS:康佳T2510彩电,开机后无光栅、无伴音,前面板指示灯亮。 NEXT:康佳T2115B彩电图像垂直方向呈锯齿状,故障前期从顶部慢慢出现,然后逐渐向下扩大,逐步严重,最后发展到一开机整个画面都呈锯齿状,图像轮廓不清,黑色部分尤为严重,但伴音、彩色、亮度、对比度都正常。 文章导航