乐华2108彩电,雷击后三无但电源指示灯亮。

2006-09-18 20:42:41  阅读 518 次 评论 0 条
摘要:

该机被雷击时正在收看,判断雷电是从市电电源进入,直观检查未发现明显烧焦、爆裂的元件;检查电路板,发现电源整流电路有一处铜箔烧断;测量保险丝未断,电源开关管和行输出管无直流短路现象。 用导线将烧断的铜箔接通,

    该机被雷击时正在收看,判断雷电是从市电电源进入,直观检查未发现明显烧焦、爆裂的元件;检查电路板,发现电源整流电路有一处铜箔烧断;测量保险丝未断,电源开关管和行输出管无直流短路现象。

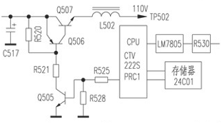
用导线将烧断的铜箔接通,断开行输出电路,接假负载通电试机。测量行输出电路无110V电压,向前检查D511负极有110V电压,说明开关电源正常,检查开/关机控制电路。测量Q505 b极电压为0V,属关机状态(正常时开机为高电平),遥控开机此电压不变,判断CPU控制电路有故障。检查CPU的工作条件,{42}脚的5V电压为0V,检查5V电源电路,发现限流电阻R530烧断,稳压集成电路LM7805对地短路,更换R530、LM7805后,5V电压恢复正常。再开机,Q505 b极电压变为高电位,但屏幕上出现一条水平亮线,遥控和操作电视机面板上的按键无效,说明场扫描和微处理器还有故障。

乐华2108彩电,雷击后三无但电源指示灯亮。 第1张

先检查场扫描电路TDA3653,除供给电压正常外,其他脚电压均不正常,怀疑TDA3653损坏,更换TDA3653,故障依旧。向前检查TDA8362,发现多脚电压与正常值不符,更换TDA8362后场扫描恢复正常,但屏幕上出现偏绿的光栅,遥控和面板操作仍无效。
接着检查CPU控制电路,测量电源、复位、晶振电路元件均未见异常,查CPU外围电路,发现有7只二极管和3只三极管损坏,将其全部更换后,遥控和面板操作仍无效,判断CPU(CTV222S.PRC1)内部损坏,更换CPU后,光栅变为黑屏,遥控和面板操作仍无效,估计与CPU相连的存储器损坏,测量存储器与CPU相连的总线电压均偏低,断开存储器的总线引脚,CPU的总线电压恢复正常,说明存储器总线脚内部对地短路。更换存储器(24C01)后,遥控和光栅均恢复正常,进行选台搜索后,图像、伴音恢复正常。
版权声明:本文为转载文章,版权归原作者所有,欢迎分享本文,转载请保留出处!