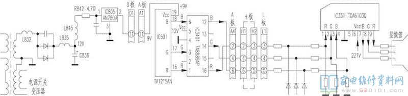
根据光栅很暗的现象,首先检测三路视频输出放大集成块IC351及外围电路,见附图。测量IC351{1}、{2}、{3}脚视频信号输入端电压均为1.8V,{5}脚(同相输入端)、{6}脚(视放级221V电源电压端)电压也正常,但其{7}、{8}、{9}脚(B、G、R输出端)电压均为205V左右正常值为150V左右),可见是由于{7}、{8}、{9}脚电压偏高而造成光栅暗。查IC351外围元件无损坏,测IC351各脚对地正、反向电阻值基本正常,估计IC351并未损坏,IC351未处于正常的放大工作状态,而是处于截止状态。
顺着B、G、R输入信号向前检查,IC3401{12}、{14}、{16}脚电压分别为1.9V、2.0V、1.8V,正常时为3.6V、3.5V、3.6V;{6}、{3}、{1}脚电压分别为1.7V、1.7V、1.6V,正常值为3.5V、3.4V、3.5V;而{5}脚的供电电压12V正常。再查IC601{19}、{36}、{50}、{59}等电源输入脚的供电电压,均为7.6V左右,而正常时应为稳压9V供电。顺着电路板向D板检查,发现D板上的三端稳压块IC805{3}脚输出电压为7.6V,{1}脚输入电压也只有8V,但C836两端电压为正常的12V,说明R842压降过大。拆下R842检查,R842已由4.7Ω变值为14Ω左右。用4.7Ω/5W的电阻更换后,故障消失。
顺着B、G、R输入信号向前检查,IC3401{12}、{14}、{16}脚电压分别为1.9V、2.0V、1.8V,正常时为3.6V、3.5V、3.6V;{6}、{3}、{1}脚电压分别为1.7V、1.7V、1.6V,正常值为3.5V、3.4V、3.5V;而{5}脚的供电电压12V正常。再查IC601{19}、{36}、{50}、{59}等电源输入脚的供电电压,均为7.6V左右,而正常时应为稳压9V供电。顺着电路板向D板检查,发现D板上的三端稳压块IC805{3}脚输出电压为7.6V,{1}脚输入电压也只有8V,但C836两端电压为正常的12V,说明R842压降过大。拆下R842检查,R842已由4.7Ω变值为14Ω左右。用4.7Ω/5W的电阻更换后,故障消失。
由于R842阻值增大,使IC601的供电电压由正常的9V下降为7.6V左右,而IC601兼有视频处理、多制式色度解码、行场同步分离、扫描振荡、激励等功能,从而引起R、G、B视频信号输出变小,造成R、G、B放大电路的偏置改变,显像管三阴极所加的信号电压变高,电子束基本截止,所以光栅变暗。同时行场振荡也不正常,所以看到暗光影闪烁、左右摆动且有拉丝的现象,行振荡频率不正常而引起开关变压器发出“吱吱”声。
版权声明:本文为转载文章,版权归原作者所有,欢迎分享本文,转载请保留出处!