SONYF29电源分析

2006-10-30 21:39:31  阅读 474 次 评论 0 条
摘要:

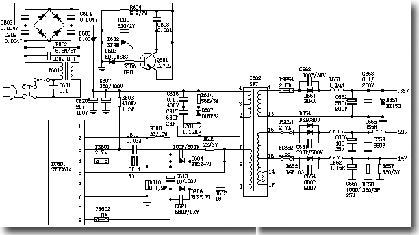
SONY F29丽音王系列机芯有KV-2565MT、KV-2565MTJ、KV-2584MT、KV2954MT、KV2965MT、KV2966MI等型号,采用厚膜电路STR-S5

SONYF29电源分析 第1张

SONYF29电源分析 第2张

SONY F29丽音王系列机芯有KV-2565MT、KV-2565MTJ、KV-2584MT、KV2954MT、KV2965MT、KV2966MI等型号,采用厚膜电路STR-S5741,为变压器耦合并联型自激式开关电源,能适应110V-240V的电网电压,主电源输出135V,输出功率达200W。

振荡过程
开机后C607上约300V直流电压,一方面经T602的(4)、(2)脚加到IC601的(1)脚内部开关管的C极上,同时300V电压经R603加到IC601的(1)脚内部开关管的B极上,开关管开始导通,T601的(4)、(2)绕组产生(4)正(2)负的感应电动势,经耦合,在(7)、(6)绕组产生(7)正(6)负的感应电动势,经R609、C610反馈到IC601的(3)脚,使内部开关管的电流进一步增大,如此循环使开关管迅速饱和。
开关管饱和期间,T601(4)、(2)绕组的电流线性增大,D651、D652、D654均截止,T601储存磁场能量。随着C610不断被充电,其IC601(3)脚的电压越来越低,最后迫使开关管退出饱和状态。
开关管退出饱和状态后,T601各绕组的感应电压极性全部翻转,经反馈后开关管迅速截止。
开关管截止后,D651、D652、D654均导通,T601储存的磁场能量转化为电能向负载释放。同时,C609经R609、T602的(7)、(6)绕组、IC601的(2)、(3)脚内部放电,R603也给C609反向充电,使IC601的(3)脚电压越来越高,最终将使开关管再次导通,开始新一轮的振荡。

稳压过程
T601的(6)、(8)绕组上的电压反映了输出电压的大小,经D606整流、C613滤波后在C613上建立取样电压(正常时约43V),该电压加到IC601的(2)、(9)脚,IC601内部有取样稳压电路,能根据C613上的电压大小,自动调整开关管的导通时间,最终使输出电压稳定。如果C613上的电压过高,会使IC601内部进入保护状态,使开关管截止。

版权声明:本文为转载文章,版权归原作者所有,欢迎分享本文,转载请保留出处!