自动关机故障出现时机内继电器释放,工作指示灯转为红色(待机)。
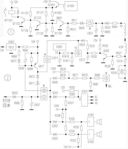
该机的开/关机控制电路见图1,该电路同时具有故障保护功能。IC1001(IX1194CE){7}脚为电源开/关控制端,电视机处于正常工作状态时,该脚为高电平,Q1001导通,5V电压经Q1001及R1125、R1127分别加至Q1122、Q1123 b极。由于C1125的存在,Q1123 b极电压的建立要延迟一段时间,此时Q1123截止,Q1122导通,继电器RY1701吸合,其常开触点闭合接通主电源,电视机进入工作状态,行扫描电路开始工作。此时行输出变压器{10}脚有电压输出,该电压经D625整流后使D604击穿,并经R611加至Q601 b极,Q601导通,Q1123 b极电压在还未上升至导通值时便被Q601 c、e极短路,Q1123因此不能进入导通状态,Q1122得以维持导通,电视机保持正常工作状态。如果IC1001{7}脚高电平消失,则Q1122 b极偏压将消失而使RY1701释放,电视机将转入待机状态;若行输出变压器{10}脚输出电压消失或过低,将使Q601 b极得不到足够偏压而不能导通,此时Q1123 b电压得以建立,Q1123导通,最终使Q1122失去b极偏置而截止,继电器RY1701也将释放,电视机自动保护关机。
由此可见,该电路要使继电器RY1701保持吸合状态必须同时满足两个条件:一是Q1001 e极为高电位;二是Q601 b极要有足够偏置电压。因该故障出现时继电器释放,故检修时应先检查上述两个条件是否都具备。
测量IC1001{7}脚电压开机时为5V,Q1001 b极为4.6V,e极为4V,关机故障出现后以上电压不变,说明微处理器IC1001未发出关机信号。接着测量Q601 b极电压为0.7V,故障出现时该电压消失,测D604负端电压正常时为16V,故障出现前瞬间该电压消失。根据测量结果,分析继电器释放可能因行扫描停止工作引起。考虑到彩电中一般均设有X射线保护,该功能启动后将使行扫描停止工作,故将检查目标转向X射线保护电路。
查得该机X射线保护设置在IC801(IX0969CEN1){52}脚,具体电路见图2。其中Q502及外围元件组成场扫描故障保护。正常工作时C510正端有较高的直流电压,所以Q502导通,其c极为低电位,若因场扫描故障而使C510正极处电压降低时,Q502截止,其c极电位上升,经R530、R531、D502、Y2{6}、R1610使IC801{52}脚电位上升,IC内部X射线保护功能启动,从而关闭行推动信号的输出,使电视机行扫描停止工作而实现保护关机。
IC801{52}脚还经Y2{6}、W{5}连接至Q617 c极和D612 负端。D625将行输出变压器{10}脚输出的脉冲电压整流,该电压在电视机正常工作时为一固定值,当行扫描电路发生故障而使行输出变压器输出的高压过高时,其{10}脚输出的电压也会相应增高,经D625整流后的电压也同时升高,D611击穿,IC801{52}脚电压上升而保护关机。D625的输出电压还为Q601提供b极偏压(见图1),如果行扫描电路发生故障而使该电压降低,在达不到D604的反向击穿电压时,D604将不导通,Q601 b极失去偏置而引起继电器RY1701释放,达到保护关机的目的。
Q617 b极回路与12V供电电流取样电路R687、D627相连,当流过IC601的电流超过设定值时,R687两端压降增大,该电压经R689、D627加至Q617发射结,Q617导通,其c极电位上升,导致IC801{52}脚电压上升而保护关机。
Q617 b极还经W{8}挂接着D605、D201、D302、D303四条保护支路。D605负端经R618接至R616、R617、R610、R681组成的分压电路,R680经W{4}与行输出变压器ABL端相连。ABL端电压变化反映了显像管高压电流的变化,R616、R617分压处的电压受ABL端电压变化的影响。因此,高压电流越大,R616、R617分压处的电位越低,低至一定程度时,D605导通,Q617 b极电位下降,其c极电压上升而引发保护电路动作。因此,该支路为显像管束电流过流保护。
D201负端经R206连接到频段转换电路IC201(1X0260CE)供电端{9}脚。正常状态下R207与R206分压后的电压高于D201正极电压,D201不导通。若因IC201或高频头出现故障而使流过IC201{9}脚的电流过度增大时,保险电阻R202熔断,IC201{9}脚12V电压消失,D201因负极处电压降低而导通,进而引起Q617导通。同理,若因伴音功放块IC301或IC302发生过流故障而使保险电阻R332或R333熔断时,相应二极管D302或D303导通引起保护关机。
为了证实是否为X射线保护电路动作引发自动关机,检修时常测量相应IC X射线保护端子电压。此机中由于元件安装位置的原因,IC801{52}脚电压不便直接测量,故改测Y2{6}连接端子,实测该端子电压,故障发生时为1V,证实确为X射线保护电路启动。与Y2{6}端连接的保护电路有两条支路:一为W{5}方向;二为D502方向。监测D502正极处电压为0V,故障出现时无变化,故排除了场扫描部分出故障的可能性。沿W{5}端又分为两条支路:即D612与Q617。监测Q617 e、b极正向偏置电压为0V,故障出现时同样无变化,拆下Q617测其c、e极无漏电现象,故可排除Q617本身及其b极所挂接各支路故障的可能性。最后只剩下D612支路。D625输出电压之前已测得为16V,再次测量该电压并注意故障出现前瞬间的变化,发现故障出现之前无电压上升现象,说明行输出级工作基本正常。最后将疑点集中在D611上,怀疑其反向漏电,拆下后用万用表R×10k挡测量反向电阻,表针摆动且指示值不稳。
因D611反向漏电流增大,使得D625输出的16V直流电压经D611、D612、W{5}、Y2{6}、R1610加至IC801{52}脚,引发保护电路误动作。更换D611后故障排除。
该机的开/关机控制电路见图1,该电路同时具有故障保护功能。IC1001(IX1194CE){7}脚为电源开/关控制端,电视机处于正常工作状态时,该脚为高电平,Q1001导通,5V电压经Q1001及R1125、R1127分别加至Q1122、Q1123 b极。由于C1125的存在,Q1123 b极电压的建立要延迟一段时间,此时Q1123截止,Q1122导通,继电器RY1701吸合,其常开触点闭合接通主电源,电视机进入工作状态,行扫描电路开始工作。此时行输出变压器{10}脚有电压输出,该电压经D625整流后使D604击穿,并经R611加至Q601 b极,Q601导通,Q1123 b极电压在还未上升至导通值时便被Q601 c、e极短路,Q1123因此不能进入导通状态,Q1122得以维持导通,电视机保持正常工作状态。如果IC1001{7}脚高电平消失,则Q1122 b极偏压将消失而使RY1701释放,电视机将转入待机状态;若行输出变压器{10}脚输出电压消失或过低,将使Q601 b极得不到足够偏压而不能导通,此时Q1123 b电压得以建立,Q1123导通,最终使Q1122失去b极偏置而截止,继电器RY1701也将释放,电视机自动保护关机。
由此可见,该电路要使继电器RY1701保持吸合状态必须同时满足两个条件:一是Q1001 e极为高电位;二是Q601 b极要有足够偏置电压。因该故障出现时继电器释放,故检修时应先检查上述两个条件是否都具备。
测量IC1001{7}脚电压开机时为5V,Q1001 b极为4.6V,e极为4V,关机故障出现后以上电压不变,说明微处理器IC1001未发出关机信号。接着测量Q601 b极电压为0.7V,故障出现时该电压消失,测D604负端电压正常时为16V,故障出现前瞬间该电压消失。根据测量结果,分析继电器释放可能因行扫描停止工作引起。考虑到彩电中一般均设有X射线保护,该功能启动后将使行扫描停止工作,故将检查目标转向X射线保护电路。
查得该机X射线保护设置在IC801(IX0969CEN1){52}脚,具体电路见图2。其中Q502及外围元件组成场扫描故障保护。正常工作时C510正端有较高的直流电压,所以Q502导通,其c极为低电位,若因场扫描故障而使C510正极处电压降低时,Q502截止,其c极电位上升,经R530、R531、D502、Y2{6}、R1610使IC801{52}脚电位上升,IC内部X射线保护功能启动,从而关闭行推动信号的输出,使电视机行扫描停止工作而实现保护关机。
IC801{52}脚还经Y2{6}、W{5}连接至Q617 c极和D612 负端。D625将行输出变压器{10}脚输出的脉冲电压整流,该电压在电视机正常工作时为一固定值,当行扫描电路发生故障而使行输出变压器输出的高压过高时,其{10}脚输出的电压也会相应增高,经D625整流后的电压也同时升高,D611击穿,IC801{52}脚电压上升而保护关机。D625的输出电压还为Q601提供b极偏压(见图1),如果行扫描电路发生故障而使该电压降低,在达不到D604的反向击穿电压时,D604将不导通,Q601 b极失去偏置而引起继电器RY1701释放,达到保护关机的目的。
Q617 b极回路与12V供电电流取样电路R687、D627相连,当流过IC601的电流超过设定值时,R687两端压降增大,该电压经R689、D627加至Q617发射结,Q617导通,其c极电位上升,导致IC801{52}脚电压上升而保护关机。
Q617 b极还经W{8}挂接着D605、D201、D302、D303四条保护支路。D605负端经R618接至R616、R617、R610、R681组成的分压电路,R680经W{4}与行输出变压器ABL端相连。ABL端电压变化反映了显像管高压电流的变化,R616、R617分压处的电压受ABL端电压变化的影响。因此,高压电流越大,R616、R617分压处的电位越低,低至一定程度时,D605导通,Q617 b极电位下降,其c极电压上升而引发保护电路动作。因此,该支路为显像管束电流过流保护。
D201负端经R206连接到频段转换电路IC201(1X0260CE)供电端{9}脚。正常状态下R207与R206分压后的电压高于D201正极电压,D201不导通。若因IC201或高频头出现故障而使流过IC201{9}脚的电流过度增大时,保险电阻R202熔断,IC201{9}脚12V电压消失,D201因负极处电压降低而导通,进而引起Q617导通。同理,若因伴音功放块IC301或IC302发生过流故障而使保险电阻R332或R333熔断时,相应二极管D302或D303导通引起保护关机。
为了证实是否为X射线保护电路动作引发自动关机,检修时常测量相应IC X射线保护端子电压。此机中由于元件安装位置的原因,IC801{52}脚电压不便直接测量,故改测Y2{6}连接端子,实测该端子电压,故障发生时为1V,证实确为X射线保护电路启动。与Y2{6}端连接的保护电路有两条支路:一为W{5}方向;二为D502方向。监测D502正极处电压为0V,故障出现时无变化,故排除了场扫描部分出故障的可能性。沿W{5}端又分为两条支路:即D612与Q617。监测Q617 e、b极正向偏置电压为0V,故障出现时同样无变化,拆下Q617测其c、e极无漏电现象,故可排除Q617本身及其b极所挂接各支路故障的可能性。最后只剩下D612支路。D625输出电压之前已测得为16V,再次测量该电压并注意故障出现前瞬间的变化,发现故障出现之前无电压上升现象,说明行输出级工作基本正常。最后将疑点集中在D611上,怀疑其反向漏电,拆下后用万用表R×10k挡测量反向电阻,表针摆动且指示值不稳。
因D611反向漏电流增大,使得D625输出的16V直流电压经D611、D612、W{5}、Y2{6}、R1610加至IC801{52}脚,引发保护电路误动作。更换D611后故障排除。
版权声明:本文为转载文章,版权归原作者所有,欢迎分享本文,转载请保留出处!