JAV LED32HD320液晶电视背光闪灭的故障维修

2022-08-06 05:08:10  阅读 722 次 评论 0 条
摘要:

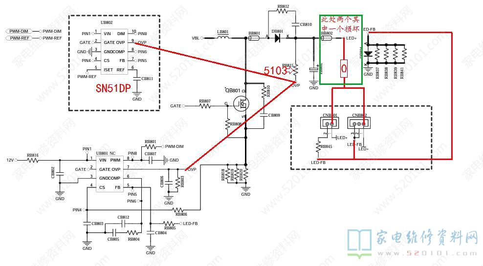
接修一台JAV LED32HD320液晶电视,故障表现为背光山灭,初步判断是非灯条故障,外接备用灯试机,现象一样。找到该机图纸有位号无型号,升压块SN51DP,感觉是通病故障,最后查出是红胶导致电阻变质造

      接修一台JAV LED32HD320液晶电视,故障表现为背光山灭,初步判断是非灯条故障,外接备用灯试机,现象一样。找到该机图纸有位号无型号,升压块SN51DP,感觉是通病故障,最后查出是红胶导致电阻变质造成的,更换后故障修复,具体过程如下图所示。

JAV LED32HD320液晶电视背光闪灭的故障维修 第1张

JAV LED32HD320液晶电视背光闪灭的故障维修 第2张

JAV LED32HD320液晶电视背光闪灭的故障维修 第3张

JAV LED32HD320液晶电视背光闪灭的故障维修 第4张

JAV LED32HD320液晶电视背光闪灭的故障维修 第5张

JAV LED32HD320液晶电视背光闪灭的故障维修 第6张

JAV LED32HD320液晶电视背光闪灭的故障维修 第7张

JAV LED32HD320液晶电视背光闪灭的故障维修 第8张

JAV LED32HD320液晶电视背光闪灭的故障维修 第9张

版权声明:本文为转载文章,版权归原作者所有,欢迎分享本文,转载请保留出处!