第一章 新型直角平面遥控彩色电视机电源电路的检修技巧与方法概要
电视理论和实践表明:彩色电视机电源电路的故障几率占整机故障率的70%左右.平面直角遥控彩色电视机中的这样或那样的故障,往往是因其电路畅通所致.彩色电视机的电源故障是错综复杂的,尤其是现在广为流行的新型平面直角遥控电视机.各厂商为了使自己的产品在竞争十分激烈的市场中处于不败之地,在彩色电视机中竞相采用了当代电子科学技术中的最新技术成果,使得各种新型平面直角遥控彩色电视机中的电源电路程式与结构及其主要元器件中的应用等均各具特色.因此,在检修中,要想迅速地确诊故障的部位,查出故障元件,收到事半功倍的检修效果,就必须全面地熟悉各类新型平面直角遥控彩电电视机电源电路的程式,吃透电路,弄清其基本结构,关键器件的参数,工作原理和特点:同时,要掌握其各单元电路的故障特点及各类故障的内在规律与检修方法技巧.据此本章拟在介绍平面直角遥控彩色电视机的供电方式与电源电路结构特点的基础商,重点叙述其检修技巧与方法.
第一节新型平面直角遥控彩电的供电方式与电源电路的结构特点
一,平面直角遥控彩电的电路结构与供电方式
国内外各类新型平面直角彩色电视机,虽然在电路程式与元器件的选用上不尽一致,但万变不离其宗,其基本电路构成是一致的,都是由电源供给系统,遥控系统,高中频信号通道系统,色解码系统,行场扫描同步系统及彩色显像管等单元构成.整机的系统构成如图1-1所示(以长城CJC532型机为例,以下均同). 
如图1-1,电源供给系统是整机的能量供给中心.整机和整机不同单元电路对电源电压,功率和稳定度的要求亦有所不同.整机供电方式见图1-2所示. 
从图1-1和图1-2中可知,国内外新型平面直角遥控电视机的供电系统由三部分组成;一是遥控电源,也叫辅助电源,副电源或备用电源,它是在遥控开关机或待命状态时,向微处理控制器电路提供电能的工作电源;而是主开关电源,也叫一次电源,它是将交流市电直接整流并经开关稳压电路稳压调控后,向行场扫描及伴音功放与场输出等大功率电路提供120V(110V~145V左右的主工作电源;三是高中频信号通道及显像管各极的工作电源,也叫二次电源,它是由行扫描电路利用一次电源提供的120V左右电压,通过行输出变压器,将扫描工作过程中的逆程脉冲进行变换与升压,为彩色显像管的阳极提供25KV以上(如松下TC-29V2H机就达31KV)的超高压,为聚焦极提供数千伏的副高压,为视放末级提供190V左右的中压,为显像管灯丝提供6.3V左右的脉冲电压;为图象及伴音通道提供12V的低电压;为调谐器提供30V左右的调谐电压;为微处控制系统的存储器提供-30V左右的工作电源。
在新型平面直角遥控彩色电视机中,遥控电源(即辅助电源),主开关电源及二次电源既分工又合作,互相关联,构成整机完整的高,中,低压供电系统。
二,平面直角遥控彩电对电源电路的要求
近几年来广播电视技术发展极为迅速,彩色电话机的技术水平和质量已达到相当高的水平。随着数字电视,高清晰度电视(HDTV),高质量录像技术(S-VHS),图文电视(TELEREXT)等技术日趋成熟,彩色电视机已开始向大屏幕,多功能,高质量方向发展。平面直角遥控彩色电视机具有视野宽,临场感强,图象清晰,稳定,立体感强,音质优美,可接受多制式电视节目等特点,是人们追求高质量视听要求的理想产品。这些新型彩色电视机不仅在屏幕尺寸上加大了,而且在电路功能水暖工也采取一系列的改进措施,使之在画面质量与放音质量方面都有了很大的提高,同时还增加了一系列的功能,如画中画(PICTURE IN PICTURE),重低音(SRPER BASS)等。这些变化使得整机功耗普通彩色电视机成倍增加,另外,为适应世界各地不同的市电供电标准和电视广播制式,大屏幕彩色电视机对整机的交流供电范围也提出了新的要求。因此,大功率,宽电压输入范围的高效率隔离型开关电源已成为大屏幕彩色电视机电源的必然选择。为此,国内外许多公司积极投入力量对其进行研究与开发,并相继推出自己的新型电源。 [Page]
由于平面直角遥控彩色电视机上述功能的完善和直量的提高,对其电源电路提出了特殊要求,具有以下几个方面:
(1) 增加电源功率,提高电源效率
同中小屏幕电视机的电源电路一样,平面直角遥控彩色电视机电路的作用是把交流电源转换成整机电路所需的各种直流电压。不同的是平面直角遥控电视机显像管工作电压高,偏转角大,所需偏转功大;伴音输出功率加大,所以电源供给的功率要增加。54cm(21英寸)电视机和74cm(29英寸)电视机的各种参数比较表如表1-1所示。所以在设计电源电时,要重视提高电源的效率。 
(2)适应110V/220V和50Hz,60Hz频率的交流电
在彩色电视机中,稳压范围是开关电源的一项重要技术指标,它表示彩色电视机能够正常收看所允许电网电压变化的最大范围。该指标对于大屏幕,多制式彩色电视机尤为重要,因为大屏幕直角彩色电视机(特别是进口机型)均为多制式接收机,应能适应各国各地区电网电压,并能保证在电网电压波动较大的时候也能正常地工作。要求其电源电路能在交流电压值为110V和220V及市电频率为50Hz和60Hz的两种交电情况下稳定地工作,为此,在其电源电路中专设了电压自动切换电路,其基本原理是用鉴幅电路检测电网电压,若电网电压大于160V,自动切换电路使电源工作为普通桥式整流滤波方式;若低于该数值时,电源工作为二倍压整流方式。通过地整流滤波方式的自动切换,可以保证加致开关电源的工作电压足够高,使整机电路正常稳定地工作。
(3) 采用光电耦合器冷底盘设计,以提高安全性和可靠性。
新型大屏幕彩色电视机的多功能化,要求它和录象机,激光视盘,卫星电视设备等视频,音频终端相连,故要求机芯为冷地盘设计。但大屏幕电视机的电源负载很重,为了使其稳压电路有较快的动态响应,应直接从开关电源的输出直流电压中取样,因此安全隔离非常重要。通常在其电源电路中采用两个光电耦合器件(TLPG21GR-LF2)进行隔离,这比用电容浮地方法隔离,其安全性和抗干扰性要好得多。
(4) 具有完善的多功能保护功能
平面直角遥控彩色电视机尤其大屏幕彩色电视机体积大,重量重,搬动不便,其可靠性比中小屏幕电视机显得重要。为此要求其电源电路具有良好的过压,过流,短路保护以及复位功能。
(5) 开关电源的频率高于行频
为了减小开关变压器的体积,以及方便脉冲整流后的滤波,直角平面遥控彩色电视机开关电源的工作频率高于行频(15625Hz),其频率为40KHz。
三,平面直角遥控彩电电源电路的结构特性
平面直角遥控彩色电视机的电源电路主要由交流输入电压自动切换电路,主电源控制电路遥控电源电路,主开关电源电路及多功能保护电路等部分组成。这里我们仅从维修角度出发,将这些电路的结构特性作一简单介绍,对于其详细电路结构原理及工作过程在第二至第八章中结合具体机芯和机型再解析。
(一) 交流输入电压自动切换电路
交流输入电压自动切换电路的主要作用是对输入给电视机的交流电压进行自动检测,根据输入的交流电压是低于还是高于160V,自动切换其整流滤波电路的工作方式,使整机工作在普通整流方式或桥式二倍压整流方式。这样,一方面可以保证彩色电视机能在交流110V或220V地区安全工作;另一方面也能使在交流电压有较大波动时,整机仍能正常平稳的工作。因此,在设有这类电路的平面遥控彩色电视机中,其适应的交流输入电压范围相当宽,可达90V到280V。实现这种工作方式切换的电路可以有多种方案。例如用检测电路的输出控制继电器触电开关,自动切换高倍压整流滤波方式;用检测电路的输出控制双向可控硅的通断,实现高压整流滤波方式的切换等等,新型平面直角尤其是大屏幕彩色电视机多用后者。图1-3为一典型的输入电压自动切换电路。 [Page]
如图l一3,它主要由电压检波器和三端双向可控硅开关(SCR)元件等组成。电压检波器对输入交流电压自动检测,输出切换取样电压。双向可控硅等效为一个受控的双向开关。通常,当切换取样电压大于160V时,整流二极管组、双向可控硅和两个滤波电解电容组成的整流器进行桥式整流;当切换取样电压小于160V时,该整流器进行倍压整流。经整流器输出的直流电压经开关型稳压电路稳压,最后输出稳定的直流电压。这里,电源自动转换的核心器件是双向可控硅,它可根据交流输入电压值的大小(在本电路为取样电压),进行整流方式的选择,即采取倍压整流还是桥式整流方式。具体工作过程如下见第二章和第八章中的有关章节。
(二) 主电源控制与微处理器复位电路
主电源控制电路,亦称之为遥控开/关机电路,其主要功能是利用遥控盒或本机面板键发出开/关机指令,通过控制系统中的微处理器解析后,对主机开关电源的开启与关断实施控制,以使整机处于“暂停”(或称“等待”、“备用”)、“接通”、“睡眠”(或称“定时关机”,设定60分钟、30分钟等)和“节目完毕自动关机”等状态。节目完毕自动关机,多定为连续中断节目信号10~15分钟后自动关机,整机处于备用等待状态。目前,多数21英寸屏幕彩色电视机耗电多为60~80W(瓦),大屏幕多制式彩色电视机耗电在150~200W左右。这些电视机处于备用等待状态时,耗电在十余瓦以下。实际上,遥控电视机电源关机的方式有三种,它们的耗电情况不相同:第一种是使行扫描电路停止工作(多是行振荡级停振),但整机稳压电路仍在工作,机内某些单元电路还在工作,此时耗电约十余瓦;第二种是使整机稳压电路的脉冲振荡器停振,整机主电源不再向机芯电路供电,此时耗电约4瓦;第三种是用继电器、光电耦合器等器件控制电源及机芯电路,此时耗电仅2瓦左右。这些遥控关机方法.都是使整机电源处于等待备用状态;欲彻底关机,应当断开总电源。
遥控系统的电源控制电路,有一定的控制程序。首先应接通电视机总电源(与电网接通);利用遥控器或本机面板键,对微处理器进行复位处理,或使总电源处于等待备用状态;最后控制整机供电电路和微处理器均正常地工作。微处理器遥控稳压电路的控制信号和复位信号都不是脉冲信号,而是跃变型的开关电压。
在平面直角遥控彩色电视机中,微处理器接受供电电路送来的工作电源时,必须先进行复位控制,以防产生误动作。为此,特设置于微处理器复位电路。微处理器在供电前需进行复位的原因有二:其一,微处理器所需+5V电源来自整机稳压电路,实际上+5V电压开机后有个上升过程(有一定时间常数),若电源尚未充分上升微处理器就开始工作,往往会发生误动作;电源断开时也是如此。为此,+5V电源尚未充分上升时或+5V电源开始下降时(都是电压低于5V时),微处理器都应当停止工作,复位电路可以完成这个功能。复位电路提供复位电压,使微处理器处于良好的起始状态。其次,微处理器采用+5V单电源供电,而许多节目存储需要+5V和一30V两种电源,为了使微处理器对节目存储器的控制逻辑不发生紊乱,要求+5V和一30V两电源不同时建立和消失。以下程序要求比较严格:开机时建立电压的次序是+5V电源、复位电压、一30V电源;关机时消失的次序正好相反。为了实现上述要求,在+5V、一30V供电电源端和复位信号输入端加置不同数
值的滤波电容。 [Page]
在实际应用中,平面直角遥控彩色电视机同时有安装在主机上的总电源开关(POWER)和设在遥控器上的电源键。按本机总电源开关,可以使电视机的总电源接通,电视机开始正常工作。遥控盒键盘上的“电源开关”,一般是“双稳态”开关,若按下该键可以使电视机由正常工作状态转为“待机”状态,也可以使电视机由“待机”状态转为正常工作状态。
电源开关的控制工作过程为:在总电源开关接通后,当操作红外遥控发射器或按本机面板辅助开机键钮时,微处理器相应引脚输出+5伏左右的高电平脉冲,该脉冲经过缓冲放大电路后,使被控三极管导通或电源继电器吸合,主电源开始供电,电视机进入正常工作状态。
定时关机通常在欲睡前使用,故有的叫作“睡眠”(SLEEP)控制。当按下“定时”按钮时,“定时”(或“睡眠”)指示灯亮,此时徽处理器进行秒脉冲计数,当达到预定时间(约半小时或一小时),自动关闭主电源。“开关”机和“定时”这两种功能,都体现在对电视机主电源供电的控制上。这两种信号都是电平信号,即持续地保持高电平(+5伏)或低电平(0)伏。
(三) 遥控电源电路
遥控电源即遥控系统所需的工作电源,亦称辅助电源或待命电源(有些也叫备用电源)。平面直角遥控彩色电视机即使整机处于等待状态,其遥控电路也需要随时准备接收遥控操作指令,因而需要专门设置遥控电路所用的备用电源电路。为了提高效率,此部分也多采用开关变压器方式进行切换稳压。同主电源一样,它能在很宽的输入电压范围内工作。它的结构特性与工作原理是在开关稳压电源没有工作时,向微处理器提供+5V稳定电压,以便遥控器控制开关稳压电源的通断,从而控制电视机的工作状态。在实际电路中,常见的电路结构有两大类。如图l一4所示。 
图1—4(a)由一单独设置的3至5VA小型电源变压器将220V交流市电降压、整流、稳压后供给微处理器+5V电源。微处理器得到此电源后即开始工作,发出指令去控制主电源的通与断,这类遥控电源电路只要总电源开关一接通,它就在工作,在“待机”状态时也不例外。这种电路的特点是电路简单,但存在机械式触点开关(通常采用继电器);而且由于变压器功率小,初级绕组线径细,较易受冲击电压而损坏;在个别机型中由于供电网的市电太低还会导致供给微处理器的+5V电压过低而不能开机。
图1—4(b)所示的遥控电源电路是和主开关稳压电源结合在一起的,微处理器所需的+5V工作电源,则直接由开关电源提供,整机的开/关状态(即待命状态)是由微处理器输出控制指令去控制行扫描电路的起振与否,而使整机处于工作或待机状态。这类遥控电源电路的特点是:实现了电子控制无触点式软启动,但在“待命”状态(即暂停状态)仍消耗20%左右的电能。
(四) 主开关电源电路
开关电源是平面直角遥控彩色电视机电源电路的核心部分,故称为主开关电源。图1—5是新型平面直角遥控彩色电视机所用的主开关稳压控制电路的基本原理结构图。

如图1—5,它主要由开关式直流——直流变换器、开关激励电路及开关时间控制电路等部分组成。其核心部分是一个开关式直流——直流变换器。其基本工作过程是:输入电压E是电网电压经整流、滤波后获得的脉动直流电压,开关式直流——直流变换器将输入的Ei变成有一定占空比的脉冲电压,再将其整流得到输出电压Eo。为了使Eo稳定,将它与一基准电压进行比较,检出其变化量厶Eo,经放大后送到开关时间控制电路,通过调整开关脉冲的占空比得到稳定的直流输出电压Eo。 ’ [Page]
由于开关电源具有效率高、功耗小、稳压范围宽、安全可靠等很突出的优点,因而在平面直角遥控彩色电视机中得到广泛应用,并且其新技术新电路亦发展很快。有关开关稳压电源电路的种类及稳压工作过程,作者在《461种彩色电视机供电电路解析及故障检修》一书中已作过详细介绍,在这里不再赘述,请读者参考该书。
在这里仅将近年来新型平面直角彩色电视机中常用的光电耦合式稳压控制电路的结构及稳压控制机理作一介绍.光电耦合器是用光来实现电信号的传递。光电耦合器的主要特点是:输入输出绝缘隔离、信号单向传递而无反馈影响、抗干扰能力强响应速度快、工作稳定可靠。采用光电耦合器的开关电源,可实现电视机底板
与开关电源接地点的隔离,从而使电视机底板不带电。图l一6是典型的光电耦合式开关稳压控制电路(以松下M16机芯为例)。 
图中D812是光电耦合器,它是由一只发光二极管和一只受光控的光敏三极管组成。其中光敏三极管的导通电流受发光二极管的发光强弱控制。当发光二极管正向电压增大时发光增强,使三极管导通电流增大,内阻减小;反之,发光二极管正向电压减小时发光减弱,使三极管导通电流减小,内阻增大。这样光敏三极管就成了一个受发光二极管发光强弱控制的可变电阻。这个可变电阻加到取样放大管Q802集电结,以控制Q802的导通电流,进而控制开关管的导通时间,从而完成稳压作用。而控制发光二极管发光强弱的电压又是通过取样集成块IC801取自+B(140V)输出电压。为了防止输入交流电源电压的变化及负载的变动引起+B电压不稳定,通过对+B电压的检测和对切换稳压电路的控制,使输出电压保持不变。工作过程如下:如某种原因使+B电压升高,则IC801的Q1的基极电压升高,Ic增加,光电耦合器D812的电流增加,导致Q802基极电压升高,集电极电流增大,Q803的集电极电流也增大。这时C804的放电加快,其对Q801基极的影响提前消失,导致加速回复到起始状态,在S2绕组感应的正脉冲周期相应变短,结果使+B电压呈下降趋势,最终保持输出电压不变。同样道理,当+B电压降低时,工作过程与上相反。
综上所述,在新型平面直角遥控彩色电视机中,由于采用了光电耦合式稳压控制电路,既实现了直接取样,使瞬态稳压性能好,反应速度快,又使得输出端的底板与开关电源的底板互相隔离,因此除开关电源外电视机底板的其它部分都安全性能好。
(五) 多功能自动保护电路
在平面直角遥控彩色电视机中,由于电源电路担负着向整机各单元电路提供工作电压和功率的任务,因此,若电源电路发生任何故障,整机就不能工作或至少不能正常工作,有时还会引起一系列的次生故障,造成严重后果。另一方面就电源电路而言,元器件都工作在高电压、大电流、大功耗的特殊工作状态下,故障率比其它电路单元要高出很多。为此,在平面直角遥控彩色电视机中均设置了若干保护电路,一旦出现故障或有故障先兆,便自动切断电源,以免损坏电路元件或使故障扩大化。另外,在大屏幕电视机中,因显像管阳极电压高,整机功耗大,热量耗散多,会导致可靠性降低,这和大屏幕电视的高可靠性要求显然是相矛盾的,为此,设置多功能保护电路显得尤为重要。常见的保护电路有过流保护、过压保护、启动保护及倍压整流切换不良保护等。它们各自的具体保护机理如下:
1。过流保护电路
最简单的过流保护电路是在供电电路中串接保险管或保险丝电阻。当流过它的电流超过一定限值(一般为其额定工作值的数倍)后,保险丝或保险丝电阻熔断,切断供电,阻止故障进一步发展。因此,它是十分重要的安全元件。然而由于消磁电流及开机时的浪涌电流等原因,开机的瞬间出现十数倍于正常工作电流以上的瞬间电流,普通保险丝很难适应这种要求。普通保险丝与耐冲击型保险丝熔断特性见图l一7中曲线所示。 [Page]
从图1—7(a)可知,普通保险丝在大约4倍额定电流时需较长时间才能熔断,在大约为5倍额定电流时几乎是瞬间熔断。根据这样的熔断特性无法选定合适的额定工作电流。因为此值如取得与正常工作电流相适应,开机瞬间的浪涌电流将使保险丝熔断。如果保证开机时不致熔断保险丝,额定值要取得很大,又起不到有效的保护作用。为此,在彩色电视机电源电路中采用了一种耐冲击的特殊保险丝,它的熔断特性如图l一7(b)曲线所示。这种保险丝对较长时间过流有较大的承受能力,克服了普通保险丝无法克服的困难。基于这一原因,在检修时,彩色电视机的保险丝不可用普通保险丝代替。
由于保险丝的熔断有一定的滞后性,所以它不可能可靠地防止元器件遭受损坏。因此,快速的过流保护常用电子电路实现。其控制方式大约可分为两种:一种称为关断型,即一旦发现电流超额,立即断开开关管。过流的信号可以直接取自输出回路,也可取自电源的输入电路,还可取自开关管的集电极电流或发射极电流,开关管关断后输出电流下降,当电流低于一定值后开关管会重新工作。如果故障消失,工作将予继续;如果故障继续存在,电流超过限额电流后又会切断,从而处在周期性的停止和起动状态。另一种方式称为限流型,即在设计上限定了开关管最大输出电流的大小,输出电流小于该值时,开关电源处于正常稳压输出状态,一旦电流到达极限值时再也不能上升,从而阻止故障恶性发展。
在平面直角遥控彩色电视机的实际电路中,过流保护电路是在要进行控制的电流回路中串入取样电阻(通常阻值在零点几欧~几个欧姆之间,以避免对工作回路造成不利影响),电阻上的压降即反映了工作回路电流的大小。有关电路见图l一8所示。当取样电阻上的电压超过设定值时,电子开关动作,或对主回路进行分流限制,或切断回路的电流进行保护,在电视机中,过流保护取样点通常设定在工作电流值较大的部位,如电源开关管和行输出管的发射极电流回路,以便对这些大功率器件及其相关电路进行保护;也有的设定在显像管束流回路,避免因显像管束流过大而产生的危害。 
图l一8(a)是设置在电源开关管回路中的保护电路。在正常情况下保护管Q1截止,开关管Q2在正常调整与正反馈信号的控制下,工作在开关状态。随着Q2工作电流的增大,电子开关Q1进入放大状态,其等效内阻变小,对驱动信号进行分流,开关管的导通时间缩短,限制了电流的增加。而当Q2工作电流超过设定值,即Rc上压降大于0.7V时,Ql导通而将控制与反馈信号旁路,使电路停振,从而对Q2进行了限流保护。
电源开关管的过流保护还常采用图1—8(b)所示电路。当开关管Q工作电流超过设定值,Vc电压会使门限稳压管ZD1击穿,触发可控硅SCR导通,使开关管关断,实现了过流保护。行输出管的过流保护电路与电源开关管的过流保护基本相同,区别是没有中间的分流过程,而是在行电流超过设定值时,电子开关动作使行激励信号旁路,使行振荡器停振来实现行管的过流保护。
另外,在彩色电视机中普遍采用的ABL(自动亮度限制)电路也是一种过流保护。其原理如图l一8(c)所示。在此回路中因束电流为毫安级,显像管内阻及RL(等效负载电阻)都较大,所以取样电阻R的阻值通常取几十干欧~几百千欧。图中A点电压因随束电流的增加而下降,因此,可用A点电压作为过流保护的控制信号。亮度控制电位直接受A点电位影响,束流越大,A点电位越低,亮度控制电位也越低。这样,就抑制了束流的增加。在正常情况下,由于A点电位较高而二极管D不导通,此时对比亮度控制电位仅受W1控制。而当束流超过设定值,即A点电位下降到一定程度时,D导通,把对比度控制电位下拉,使束流减少,实现束流自动限制保护。此外,电视机中的过流保护,还设有电源保险管、行输出产生的二次电压限流保护电阻等简单的过流保护措施。 [Page]
图1—9是松下M16机芯的具体过流保护电路。设开关变压器初级绕组Pl至P2间的电压为V1,流过绕组的电流为I2,则有:V1≌V2XI2.当负载失常而出现过载电流时,初级线圈上的电流I1,也将随之增大。由于I1,增大,Q8Ol(开关管)的发射极电流Ic将增大,而导致Q804基极电压升高,并迅速导通。此后,Q805、Q803也将导通,Q80l基极电流减小,集电极电流受到限制,从而保护了开关电流的主件—开关管Q80l。
2.过压保护电路
在平面直角遥控彩色电视机中,各单元功能电路的工作电压是一定的,若工作电压比设定值高,则会烧坏电路元件,为此必须设置过压保护电路。过压保护电路除保护电源电路中的诸如开关管、开关变压器等关键元件外,亦还常与显像管高压电路、行输出及场输出等高压与大电流电路相联接,以保护整机中的高、中压电路中的有关部件。
在实际应用中,过压保护电路的种类很多,但其核心是相同的,都是对关键电压进行直接或间接取样,当电压超过设定值时,电子开关动作,切断电压的输出,以避免过压对负载造成的危害。
电视机中的过压保护取样点,通常设定在关键电压的输出端,如开关电源的主输出电压+B端及行输出变压器产生的二次电压的取样绕组上。+B电压的升高,会造成负载的击穿,特别是对行输出电路的行管、逆程电容、高压包等威胁更大。正常情况下,行输出电路产生的反峰电压可达电源电压的8—10倍。设想+B升高几伏.那么行管、逆程电容、阻尼管等器件上就要多承担上百伏的电压,这是非常危险的。另外,行输出变压器产生的高压若超过设定值,会造成对人身的危害;灯丝电压超过设定值,会造成对显像管的危害;其它绕组电压的升高,会造成对负载的危害。所以二次电压的过压保护也是非常必要的。
图l一8(b)(该电路具有过压过流双重保护功能)中所示的电路亦具有过压保护功能,它是对主电源+B进行过压保护的常用形式。其中.L1取样绕组对+B输出进行间接监测。当输出电压超过额定值时,经D1、C整流滤波后的电压使门限稳压管ZDl击穿,可控硅导通而使开关电源停振.在图1—10所示电路中同时还画出了另一种+B主电源进行过压保护的形式.它是由主电源+B输出端的一次击穿型稳压管ZD2来实现的。当+B电压超过设定值时.稳压管击穿,主电源短路电流反映到初级一侧,致使Vc上升,ZDl击穿、可
控硅导通,转换为电源的过流保护迫使开关电源停振。
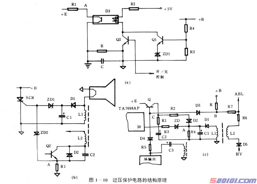
在目前流行的新型大屏幕彩色电视机的开关电源中,一般都采用如图l—l0(a)所示的安全隔离直接取样过压保护电路。其过压取样点直接设在+B的输出点上,通过光电耦合器件,既实现了过压直接取样控制,又实现了电源地与负载地(即底盘)之间的电气隔离。其原理如下:正常情况下,Q1、Q2截止,光电耦合器右侧发光管不亮,左侧光电阻呈高阻,A点控制电压为高电压,保护电路不动作。当+B电压超过设定值时,Q1导通,光耦右侧发光管亮,左侧光电阻内阻变小,A点控制电压下降,保护电路动作,切断+B输出。Q2支路为通/断与过流保护取样端,控制原理与过压控制相同。 
在图1一l0(b)所示的过压保护电路中,L1为行输出变压器灯丝绕组,当其电压超过设定值时,经D1整流、Cl滤波后的电压使稳压管ZDl击穿,可控硅导通,引起电源过流保护而切断输出。该电路的特点是:既可对行输出变压器高压进行间接监测,实现X射线保护;又可对灯丝电压进行监测,防止灯丝电压过高,造成显像管加速老化。图中的ZD2支路为行管Q2的过流保护电路。当行管过流,ZD2击穿,同样使可控硅导通,转为电源的过流保护。还有一种常采用的保护方法,是利用集成电路芯片所具有的专用引脚来实现保护,如夏普机芯中IX0065(9)脚、东芝两片机中的TA7698(30)脚、汤姆逊TEA2026(28)脚等。在现行的遥控彩色电视机中,常利用微处理器芯片的某引脚进行过压采样和过压控制。下面以东芝TA7698芯片为例,说明负载电路过流过压保护的原理。 [Page]
TA7698(30)脚为X射线保护端,其作用是对高压采样。如超压,则自动关断芯片内的振荡电路,使行输出失去驱动信号而停止工作,因而实现过压保护。各电视机生产厂家充分利用这一端口,实现多种信号的“线路”保护.如图l—l0(c)所示。其中,任一支路出现过压、过流,或场输出异常,都会引起保护电路的动作。LI为行输出变压器的高压取样绕组,通常为灯丝绕组。电压越高,经DI整流、C1滤波后产生的A点电压越高。当超过设定值时,稳压管ZD击穿.(30)脚电压上升而保护,关断芯片内部行振荡器.行管因无激励信号而截止。D3支路为束流保护。当束流增大到限定值.即B点电位下降到一定值时,D3导通,使Q由截止变为导通,C点电位上升,又使D2导通、ZD击穿,过流保护动作。D4支路为场输出电路保护。当场输出出现故障而使输出级的中点电位发生变化(由高变低)时,通过D4支路引起(30)脚电位上升而产生过压保护。
另外,电视机中还普遍采用一些简单的过压保护措施,如显像管阴极、聚焦极外接放电器(防止显像管内部高压打火,串窜到视放及解码电路造成危害)等。其中,阴极放电器漏电时,会造成过亮的单色光栅,引起ABL电路动作;而聚焦极放电器漏电,会使聚焦电压下跌,引起图像模糊,但不会产生保护作用。另外,在电源开关管集电极设置的吸收回路,这也是一种防过压保护。它吸收开关管由导通到截止瞬间产生的反峰高压,防止对开关管造成危害。还有如图1一l0(a),在电源地与底盘地之间跨接有几兆欧的电阻R和几千皮法的电容C,它为底盘上积累的高压静电提供释放通路。若R断路时,积累的高压静电因无处释放会对维修人员及元器件造成危害。
另外,为了防止电源线上可能出现的瞬间大脉冲干扰窜入电视机损坏元器件,常在电源线输入端并接一个性能良好的双向压敏电阻。在其两端,电压差小于额定值时,它的电阻很大,相当于开路,两端电压保持定值,从而起到了保护作用。待过电压消失之后,它的特性能自动恢复,因此能重复地起保护作用。
3.启动保护电路
在开关稳压电流中,刚开机的瞬间,由于输出端的电压尚未建立,处在欠压状态,电流很大,对可靠性不利,因此常设置软启动保护电路。软启动电路的作用是在启动过程中,从适当部位引入一定的信号,迫使导通时间变短,降低Io。由于导通时间短,每个周期提供的能量小,需要更多的周期才能建立起正常电压,亦即减缓了启动速度,故称为软启动。典型的彩色电视机软启动电路见图1—11所示。 
其工作过程是:开机瞬间C4上没有建立起电压,Q4不通,因而C2的反向充电时间很长,相应开关管(Q1)的导通时间很长。由于加接了电容C5、二极管D6和电阻R3,因此在刚开机时C5上的电压也处在建立过程之中,有电流通过并给C2提供了反向充电电流,使得导通时间减短,实现软启动。工作正常后C5上的电压基本保持不变,不再有电流通过,反向充电电流完全由Q4的Ic决定,这时C5对正常工作并无影响。二极管D6的主要作用是关机后迅速放掉C4上的电荷从而使它具备了再起作用的条件。
4.倍压整流电路误切换的保护电路
倍压整流自动切换保护电路,图1一12所示。
如图,当交流输入电压超过160V时,交流输入电压切换电路应该使双向可控硅断开,形成桥式整流电路。如果此时Q8l2的T1和T2之间出现短路故障,整流电路将变成倍压电路,这是很危险的。加入保护电路后,可以检测出此过载电压,从而迅速烧断保险丝,及时停止电源电路的运行,起到保护作用。 [Page]
(1)如果输入电压检测电路不稳定,或者输出电压变为正常值的两倍以及超过C808和C809的耐压时,保护电压应工作。
(2)当输出电压超过正常值时,齐纳二极管D824导通,导致可控硅Q813导通,从而迅速将保险丝F801烧断,起到保护作用。