1. 简介
KA2500是Samsung公司生产的用于RGB处理的芯片,外形为28脚双列直插封装,内含由I2C总线控制的3个R/G/B视频放大通道(带有字符接口),可对图像对比度、亮度、单通道的副亮度、字符对比度进行控制,对视频输入进行箝位,对视频和字符进行高速度的切换。因S#和MT#的OSD是由DPTV-IX内部完成的,所以将KA2500 OSD接口作接地处理。
3.引脚功能
PIN |
SYMBOL |
FUNCTION |
PIN |
SYMBOL |
FUNCTION |
| 1 |
ROSD |
红色字符输入 |
15 |
BST |
蓝基色截止控制 |
| 2 |
GOSD |
绿色字符输入 |
16 |
GCT |
绿基色截止控制 |
| 3 |
BOSD |
蓝色字符输入 |
17 |
RCT |
红基色截止控制 |
| 4 |
VI/OSD_SW |
视频/字符切换开关(高电平选择字符输入,反之选择视频输入) |
18 |
CLP |
箝位信号输入(无此输入会造成1B) |
| 5 |
RIN |
红基色视频输入(最大输入峰峰值为0.7V) |
19 |
BLK |
消隐信号输入(低电平时消隐,转台时电压变化:8V-0V-8V,行场消隐也由此脚输入) |
| 6 |
VCC1 |
供电(驱动部分除外) |
20 |
BCLP |
蓝基色箝位外接电容0.1μ(通过对此电容的充放电可进行亮度控制) |
| 7 |
GND1 |
模拟地 |
21 |
BOUT |
蓝基色视频信号输出 |
| 8 |
GIN |
绿基色视频输入(最大输入峰峰值为0.7V) |
22 |
GND3 |
地3(驱动部分) |
| 9 |
VCC2 |
供电(驱动部分除外) |
23 |
VCC3 |
供电(驱动部分) |
| 10 |
BIN |
蓝基色视频输入(最大输入峰峰值为0.7V) |
24 |
GOUT |
绿基色视频信号输出 |
| 11 |
GND(L) |
逻辑地 |
25 |
GCLP |
绿基色箝位外接电容(通过对此电容的充放电可进行亮度控制) |
| 12 |
ABL |
自动束流限制输入(控制范围:0.5V-4.5V) |
26 |
ROUT |
红基色视频信号输出 |
| 13 |
SCL |
时钟线 |
27 |
RCLP |
红基色箝位外接电容(通过对此电容的充放电可进行亮度控制) |
| 14 |
SDA |
数据线 |
28 |
B/U |
亮度均匀控制输入 |
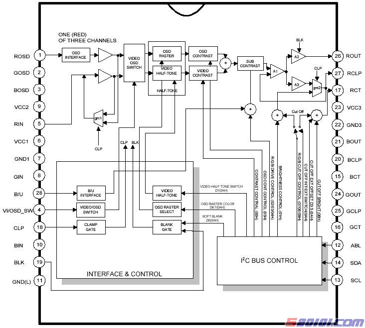
4.内部框图(以R视频放大通道为例) 
英文注释:OSD INTERFACE字符接口,VIDEO OSD SWITCH视频字符切换,OSD RASTER字符光栅,OSD CONTRAST字符对比度,VIDEO HALF-TONE视频灰度,VIDEO CONTRAST视频对比度,SUB CONTRAST副亮度,OSD RASTER SELECT字符光栅选择,I2C BUS CONTROL I2C 总线控制,R/G/B DRIVE CONTROL R/G/B驱动控制,BRIGHTNESS CONTROL亮度控制,CUT OFF BRIGHT 关断亮度,CUT OFF EXT OFFSET 关断外部设置,CUT OFF INT/EXT SWITCH 关断内部/外部切换,INTERFACE & CONTROL 接口与控制
