国产数码彩电常用的遥控系统有七类,即三洋、东芝、飞利浦、Zilog、三菱、松下及
ST 遥控系统。三洋遥控系统 CPU 以“LC”为前缀;东芝遥控系统 CPU 以“TMP”为前缀; 飞利浦遥控系统 CPU 以“P”为前缀;Zilog 遥控系统是由美国 Zilog 公司研制的,其 CPU 以“Z”为前缀;三菱遥控系统 CPU 以“M”为前缀;松下遥控系统 CPU 以“MN”为前缀;
ST 遥控系统是由意法半导体公司(法国汤姆逊公司)研制的,其 CPU 以“ST”为前缀。 一、三洋遥控系统
三洋遥控系统是以 LC8633××系列芯片为 CPU 而构成的,这类遥控系统除了广泛用于 长虹 CN-12 机心、康佳 A10 机心、海信 A12 机心、TCL,“E”型机以外,还在厦华、乐华 等数码彩电中得到广泛应用。它主要用来管理 LA76810、LA76820 或 LA76832 等小信号处 理器。
(一)CPU 介绍
LC8633××系列芯片是日本三洋公司推出的单片 8 位微处理器,该系列微处理器所包 含的主要型号有:LC863316A、LC863320A、LC863324A、LC863328A 及 LC863332A 等。 这类微处理器的硬件结构基本相同,只是内部 ROM 容量略有区别,CPU 型号的后两位数反 映了芯片内 ROM 的容量,如 LC863324A 内部 ROM 容量为 24kB,而 LC863316A 内部 ROM 容量为 16kB。芯片内含一个 PC 机,5 路 8 位模/数变换器,3 路 7 位 PWM 输出口,2 个
16 位定时器/计数器,1 个 14 位时基定时器,1 个 8 位同步串行接口电路及 12C 总线兼容 串行接口电路;具有 15 个中断源,9 个矢量中断系统;采用完整的集成化系统时钟发生器 和字符时钟发生器,这两种时钟发生器均为 PLL(锁相环)控制方式。
LC8633××芯片具有两种封装形式,一种采用 42 脚双列直插封装,如图 1 所示;另一 种采用 48 脚方形封装。目前数码彩电所用的大都是 42 脚封装的芯片。芯片有许多 I/O 端口, 并具有编程能力,厂家只需向芯片内部 ROM 中写入不同的控制软件,便可对各 I/O 端口 的具体控制功能进行定义。因而,当 LC8633××芯片用于不同彩电时,其引脚的具体控制 功能可能存在较大的差别,这是数码彩电 CPU 与普通遥控彩电 CPU 的最大区别。
(二)三洋遥控系统在长虹 CN—12 机心中的应用
1.电路分析
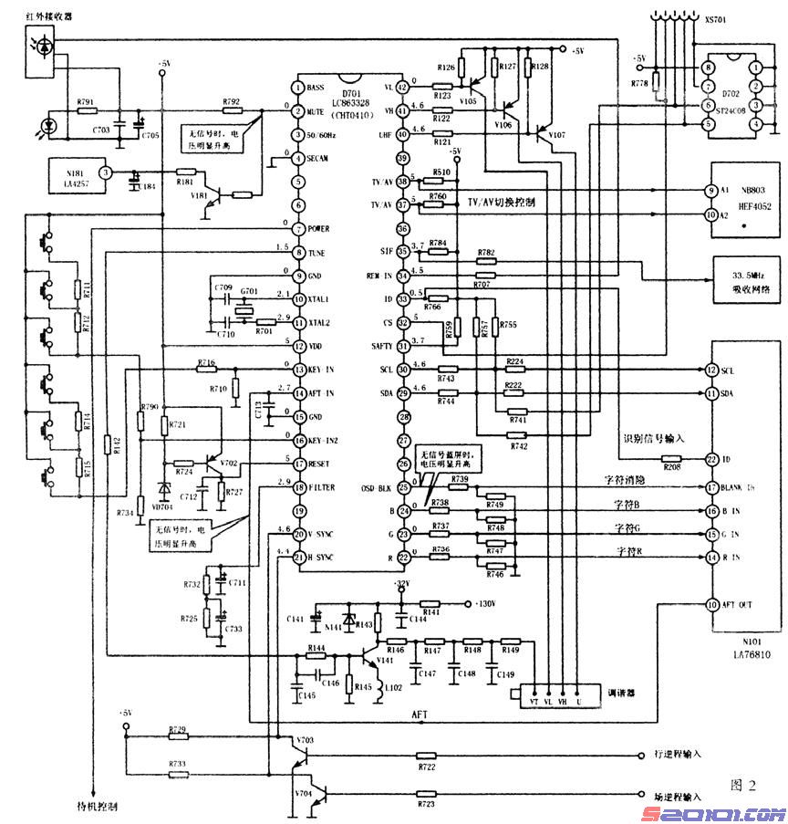
长虹 CN-12 机心广泛采用 LC8633××系列芯片为 CPU,厂家根据 CN-12 机心的控制 要求进行编程,然后将程序(软件)写入到 LC8633××芯片内部的 ROM 中,形成掩膜片,并 对掩膜片重新进行命名,形成诸如 CHT0406、CHT0410 等型号的 CPU。CHT0410 是 CHT0406 的升级产品,软件版本更高,控制能力更强。CHT0406 主要用于早期推出的机型中(如 R2118K 等),CHT0410 主要用于后期推出的机型中(如 G2138K 等)。下面以长虹 G2138K 彩电为例 来分析 CHT0410 的工作过程,参考图 2。
(1)脚为重低音控制端,因本机无重低音功能,故未用此脚。
(2)脚为静音控制端,高电平有效。在正常工作情况下,(2)脚输出低电平,V181 截 止,功放电路处于正常工作状态;在调谐状态、无信号状态或按遥控器上的静音键后,(2)
脚输出高电平,从而使 V181 饱和导通,伴音功放电路 N181(3)脚电压下降,内部放大器 停止工作,处于静音状态。[Page]
(3)脚为 50Hz/60Hz 场频控制端,本机未用此功能。
(4)脚为 SECAM 制式控制端,本机无 SECAM 制功能,故将其接地。
(7)脚为待机控制端,正常工作时,(7)脚输出低电平,对电源电路不产生影响。在 待机(即遥控关机)时,(7)脚输出高电平,使电源处于待机工作状态。此时,+B 电压约下 降一半左右,扫描电路停止工作,
(8)脚为调谐控制端,在调谐时,(8)脚输出一列 PWM 脉冲,经 V141 倒相放大后, 再经三级 RC 积分滤波器滤波,将 PWM 脉冲转换为直流电压,控制调谐器进行选台。调谐 时,(8)脚的直流电压变化范围为 5V-0V,调谐器 VT 端电压的变化范围为 0V~32V。
(10)、(11)脚外接 32kHz 振荡网络,能产生 32kHz 基准时钟。经锁相控制以产生 CPU 工作时所需的时钟脉冲。接在(18)脚外部的锁相环路滤波器,能有效提高系统时钟的频率 稳定度。32kHz 的基准时钟还要用来对字符时钟进行锁相控制。
(12)脚为供电端子,采用+5V 电压供电,允许±0.5V 的偏差,若供电电压高于 5.5V
或低于 4.5V,CPU 就难以稳定工作,甚至停止工作。
(13)、(16)脚为键盘控制指令输入脚。本机键盘共没 6 个按键,(13)、(16)脚各接 3 个。 每按一个按键,(13)脚或(16)脚就会有一个相应的电压(指令)输入。这个电压经 CPU 内部电 路处理后,变换成相应的控制指令,并控制相关电路,完成相应的操作。
(14)脚为 AFT 电压输入端,AFT 电压来自小信号处理器 LA76810(10)脚。AFT 电压有 两方面作用,在自动搜索时,CPU 通过检测 AFT 电压来确定精确的调谐点,以便在调谐最 准确时完成记忆操作;在正常收视状态下,CPU 通过检测 AFT 电压来产生调谐校正信息, 并从(8)脚输出调谐校正电压,以锁定调谐器的工作频率,防止跑台现象的产生。
(17)脚为复位端子,外接复位电路,属低电平复位方式。刚开机时,+5V 电压还未上升
到足够值,VD704 截止,V702 也截止,其 c 极输出低电平,CPU 开始复位,各输出端口清 零。当+5V 上升到稳定值后,VD704 导通,V702 饱和导通,(17)脚变成高电平,系统复位 结束,CPU 开始工作。
(21)、(20)脚分别为行、场逆程脉冲输入端,它们分别来自行输出电路和场输出电路,
经倒相放大后,送入到(21)、(20)脚。行、场逆程脉冲主要用来控制 CPU 内部的字符发生器, 对字符显示起定位作用,使字符能显示在扫描正程。因而,行、场逆程脉冲中的任何一个丢 失,都会出现无字符显示的故障。字符信号产生后,便以三基色形式从(22)、(23)、(24)脚输 出,分别送至小信号处理器 LA76810(14)、(15)、(16)脚。同时,还从(25)脚输出字符消隐信 号,送到 LA76810(17)脚。在 CPU(25)脚输出高电平期间,字符信号有效,并能通过 LA76810 内部电路而送到末级视放电路,最终显示在屏幕上;在(25)脚输出低电平期间,字符信号被 禁止,不能通过 LA76810。在无信号时,CPU 从(24)脚输出蓝屏信号,同时还从(25)脚输出 高电平,此时,蓝屏信号通过 LA76810 送至末级视放电路,最终显示在屏幕上。
(29)、(30)脚为 I2C 总线输出端,外部挂接存储器(ST24C08)及小信号处理器(LA76810)。
每次开机后,CPU 都要通过 I2C 总线从存储器中调出控制数据,再通过 I2C 总线将这些数 据送到小信号处理器,使小信号处理器进入相应的工状态。本机的绝大多数控制功能是由 I2C 总线来完成的。[Page]
(31)脚为过流保护检测端,若该脚为低电平,CPU 依据此保护信息会从(7)脚输出高电
平,从而使机器处于待机状态(用遥控器也不能开机)。在本机中,未使用(31)脚的这一保护 功能,故将(31)脚经上拉电阻接在+5V 电源上,以确保其为高电平。
(32)脚为 I2C 总线开/关控制端,正常工作时,(32)脚为高电平。当该脚为低电平时,
CPU 就不再拥有 I2C 总线控制权。在遥控系统中,专门设有一个接插件 XS701,以便与外
部计算机进行连接。在生产调试时,外部计算机经 XS701 向 CPU(32)脚提供低电平,CPU 便将 I2C 总线控制权交由外部计算机管理。此时,外部计算机便将最佳控制数据通过接插件 XS701 送人到机内存储器中,或存入到 CPU 内的 ROM 中。
(33)脚为电台识别信号输入端子,电台识别信号由视频信号中的同步头来担任,它来 源于 LA76810(22)脚。CPU 通过检测电台识别信号来了解系统是否收到了节目。在全自 动搜索时,调谐电压会不断改变调谐器的工作频率,当调谐器大致接收到节日后,屏幕上就 会出现图像,此时,LA76810(22)脚输出同步信号,并送人 CPU(33)脚。CPU 检测到 同步信号后,便作出有节日的判断,同时放慢调谐速度,并开始检测(14)脚的 AFT 电压。
当 AFT 电压表明调谐处于最佳状态时,CPU 便发出存台指令,将节目的有关信息(频段、调 谐电压数据)存人到 D702(ST24C08)中,节目号自动加 1,接着继续搜索、存储下一套节目。 如果 CPU(33)脚无同步信号输入,CPU 判断无节目,从而产生蓝屏、静音现象。10 分钟 后,若(33)脚仍无电台识别信号输入,CPU 便从(7)脚输出高电平,机器进入待机状态。
(34)脚为红外遥控指令输入端,与红外接收器相连。红外接收器将接收到的红外遥控
信号进行放大和解调后,送人(34)脚,由 CPU 对遥控信号进行译码处理,进而完成遥控操 作。
(35)脚输出伴音制式控制电压,控制 33.5MHz 吸收网络的工作与否。在接收 NTSCM 制信号时,(35)脚输出低电平,33.5MHz 吸收网络工作。接收其他制式时,(35)脚输出高电 平,33.5MHz 吸收网络停止工作,这样便可确保中频电路能适应不同制式的要求。
(37)、(38)脚输出 TV/AV 控制电压,分别送至 HEF4052(10)脚和(9)脚,以完成 TV/
AV 切换。在 TV 状态下,(37)、(38)脚均为高电平;在 AV1 状态下,(37)脚为低电平,(38)
脚为高电平,在 AV2 状态下,(37)脚为高电平,(38)脚为低电平。
(40)、(41)、(42)脚为波段控制电压输出端,分别控制 V107、V106 和 V105 的通/断, 进而控制调谐器的工作波段。当(40)脚输出低电平时,V107 饱和导通,调谐器的 U 端子供 电,调谐器工作于 U 波段;同理,当(41)脚或(42)脚输出低电平时,V106 或 V105 饱和导通, 向调谐器的 VH 端或 VL 端供电,调谐器工作于 VH 或 VL 波段。任何时刻,这三脚只有一 个是低电平,其余两个均为高电平。
(5)、(6)、(19)、(26)、(27)、(28)、(36)脚及(39)脚的功能未定义,因而这些脚悬空未用。
这也正好说明了采用 I2C 总线控制方式后,能有效节省 CPU 上的控制引脚。
2.I2C 总线调整方法 用遥控器将音量关到最小,同时按住遥控器的“静音(MUTE)”键和电视机的“TV/AV”[Page]
键不放(2s 以上),直到屏幕显示“S”符号,表明机器进入维修模式。在维修模式下,用遥 控器上下选择键“↑/↓”可选择调整项目,用左右选样键“←/→”可改变数据。
调整完毕,遥控关机即可退出维修模式,再次开机后,电视机便处于正常工作状态。
3.故障检修实例
[例 1] 开机后无图无声,屏幕上只出现暗红色光栅,且屏幕下部场幅不满,也无字符 显示,键控和遥控均失灵。
由于键控和遥控均失灵,怀疑遥控系统不工作。先查 CPU 的工作条件,结果发现(17) 脚的复位电压始终为 0V,说明 CPU 复位不良。查(17)脚外部复位电路,发现 VD704 开路; 更换后故障排除。
[例 2]开机后,出现较暗的光栅,屏幕上部显示红色“BUSOPEN”字符。
“BUSOPEN”是总线开路之意,说明 CPU 很可能失去了总线控制权。CPU 有无总线 控制权取决于(32)脚电压,若(32)脚为高电平,则 CPU 拥有总线控制权;若(32)脚为低电平,
则 CPU 失去总线控制权。根据此思路,先测(32)脚电压,果然为低电平。查(32)脚外部的上 拉电阻 R778 正常,关机后测(32)脚对地电阻(黑笔接地,红笔接(32)脚),阻值仅数百欧,而
正常时应有 6kΩ 左右阻值,故怀疑 CPU 损坏。用同型号 CPU(CHT0410)更换后,故障排除。 说明:CPU 损坏后,一定要选用 CHT0410 更换,而不能选用空白的 LC8633××芯片 代换。更换后有时需要进入维修模式,对个别项目略加调整,方可使整机工作于最佳状态。
[例 3]搜索不到节目,在搜索过程中屏幕有雪花点。 由于屏幕有雪花点,可以判定调谐器及中频电路已工作,故障很可能出在调谐电路或
波段切换电路。在搜索状态下,测调谐器 VT 端电压为 32V,且不变化,说明故障在调谐电 路。在搜索状态下,测 CPU(8)脚电压,发现(8)脚电压能缓慢降低,由此可知,CPU 已输出 了调谐电压,故障出在 V141 及周边元件。经查发现 L102 一端脱焊,补焊后故障排除。由
于 L102 脱焊,导致 V141 处于截止状态,调谐器 VT 端电压维持在 32V 上从而出现搜索不 到节目的现象。
[例 4]图、声正常,但无字符显示。
由于故障现象仅表现为无字符显示,故重点检查行、场逆程脉冲输入电路。先测 CPU
(20)(21)脚电压,发现(21)脚电压只有 1V 左右。查(21)脚外部的 V703,发现其 c、
e 极击穿,更换 V703 后故障排除。
[例 5]开机后呈黑屏,用遥控器换台时,可看到有白色光栅闪烁一下。 先将加速极电压调高,屏幕上出现纯白光栅,但无字符显示,也收不到节目。根据无
字符显示这一特点,重点检查行、场逆程脉冲输入电路,结果发现 CPU(21)脚电压为 5V 左 右,高于正常值。查(21)脚外部 V703,发现 b、e 极断路,更换 V703 后故障排除。
注意:从[例 4]、[例 5]来看,故障原因都是 V703 损坏,但损坏的情况不一样,引起的 故障现象也不一样。[例 4]是因 V703c、e 极击穿,导致无行逆程脉冲送人 CPU(21)脚,且(21) 脚电压严重偏低,在这种情况下,故障现象仅表现为无字符显示。[例 5]是因 V703 断路, 导致 CPU(21)脚电压上升到 5V(等于供电电压),在这种情况下,CPU 不能正常工作,导致 黑屏现象。[Page]
(三)三洋遥控系统在康佳 A10 机心中的应用
1.电路分析
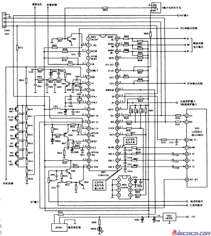
康佳 A10 机心所采用的 CPU 有 LC863316A、LC863320A、LC863328A 等,均为掩膜 片。具有 100 套节目预存,中/英文显示,全自动搜索,半自动搜索,无信号 5 分钟自动关 机,图像效果控制,TV/AV 切换控制,静音控制,待机控制,多种制式切换,无信号红屏 倒“福”字显示功能等。下面以康佳 F953A 彩电为例分析遥控系统的工作过程,参考图 3。 由于康佳 A10 机心所使用的 CPU 与长虹 CN—12 机心所使用的 CPU 属同一系列的芯 片,故二者的供电电路、复位电路,时钟电路、字符显示电路的结构及工作过程相同,即(10)、
(11)、(12)、(17)、(18)、(20)~(25)脚外部的电路是一样的,故对这部分电路不再分析。但由 于控制软件的变化,使一些控制引脚的功能发生了变化,具体情况如下。
(1)脚为重低音开/关控制端,在康佳 A10 机心的小屏幕彩电中,一般未设重低音电路,
故(1)脚悬空未用。
(2)脚为 S 端子检测端,(2)脚电压受 S 端子内部同步开关控制。未插 S 端子插头时,同 步开关处于图中位置((1)、(2)接通),V805 截止,(2)脚为高电平。若插入 S 端子插头时,同 步开关的动片下移((2)、(3)接通),V805 饱和导通,(2)脚变为低电平,CPU 便知有 S 端子信 号输入,并能通过总线将小信号处理器 LA76810(或 LA76820)设置在 S 工作模式。
(3)脚为 SECAM 制控制端,该脚电压送至 SECAM 解码器,控制 SECAM 解码器的工
作状态。在本机中,由于未设 SECAM 制功能,故(3)脚输出的控制电压未起作用。
(4)脚为丽音复位控制端,可输出丽音复位电压,送至丽音解码电路,使丽音解码电路 在开机的瞬间得到复位电压。因本机无丽音(NICAM)功能,故(4)脚悬空未用。
(5)脚输出音量控制电压,送至伴音功放集成块,以控制音量的大小。调节音量时,(5)
脚电压会发生变化。
(6)脚为梳状滤波器控制端,控制电压送至梳状滤波器,以控制梳状滤波器的工作状态。 因本机未设梳状滤波器,故(6)脚悬空未用。
(7)脚输出待机控制电压,正常工作时输出高电平,待机时输出低电平。(7)脚输出的电 压用于控制+9V 电源、行启振电源及伴音功放供电电源的通/断。
(8)脚输出调谐控制电压(PWM 脉冲),经 V601 倒相放大后,再由三级 RC 积分滤波网 络进行滤波处理,获得直流电压,送至调谐器,控制调谐器进行选台。在选台时,(8)脚电 压可在 5V~0V 之间变化,调谐器 BT 电压可在 0V~32V 之间变化。
(13)脚为键控指令输入端,外接 7 个按键,分别是“菜单(MENU)”键、“TV/AV(电视
/视频切换)”键、“预置(PRE)”键、“节日上升(CH+)”键、“节目下降(CH-)”键、“音量上 升(VOL+)”键及“音量下降(VOL-)”键。这七个按键与 R610~R618 等电阻构成电阻分压式 键盘,每按动一个按键,(13)脚就会得到一个相应的电压,该电压经 CPU 处理后,再输出 相应的控制指令,完成相应操作。
(14)脚为 AFT 电压输入端,AFT 电压来自 LA76810(10)脚。在自动搜索时,AFT 电压 能为 CPU 提供调谐准确度信息。在正常收视时,CPU 通过检测 AFT 电压来产生调谐校正电 压,以稳定调谐器的工作频率.防止跑台现象的发生。[Page]
(15)脚为 RF AGC 电压输入端,CPU 通过对 RF AGC 电压进行检测后,来完成 AGC 的 动态跟踪,并确保 AGC 的准确性。
(16)、(19)脚为自选模拟量控制端子,本机未用。
(27)、(28)脚为 I2C 总线输出端,这组总线用于挂接存储器,CPU 与存储器之间的数据 交换是经过这组总线进行的。(29)、(30)脚为另一组 I2C 总线输出端,这组总线用于挂接小 信号处理器 LA76810(或 LA76820),CPU 对小信号处理器的控制是通过这组总线完成的。
(31)脚为过流保护及 X 射线保护检测输入端,正常工作时,(31)脚为高电平。若电源出 现过流或行逆程脉冲过高时,(31)脚就变成低电平。CPU(7)脚输出待机电压(低电平),整机 进入待机状态。此时,用遥控器也不能开机。
(32)脚为总线开/关控制端,可控制总线归属权。当(32)脚为高电平时,CPU 拥有总线 控制权。若(32)脚为低电平,CPU 就会失去总线控制权。在生产调试时,生产线上的计算机 可通过接插件 XS403 向(32)脚送人低电平,此时,CPU 将总线控制权交由机外计算机管理。 机外计算机可通过总线将控制数据送人 N601 中,并固化在其内部的 ROM 中。
(33)脚为电台识别信号输入端,电台识别信号来自 LA76810(22)脚,它实际上就是复合 同步信号,CPU 通过检测复合同步信号来识别系统是否接收到了节目。
(34)脚与红外接收器相连,红外接收器送来的红外遥控指令从(34)脚输入,CPU 通过对 红外遥控指令进行译码后,再确定作何种操作。
(35)脚输出伴音制式控制电压,控制声表面滤波器的工作状态。当电路工作于 PAL 制时,
(35)脚输出低电平;当电路工作于 NTSCM 制时,(35)脚输出高电平。制式控制电压最终用 来控制声表面滤波器的工作状态。(36)脚也为伴音制式控制端,但本机未用。
(37)脚为 TV/AV 控制端,在 TV 状态时,(37)脚输出低电平;在 AV 状态时,(37)脚输 出高电平。(38)脚为 AV1/AV2 控制端,本机未用。
(39)脚输出静音控制电压,正常工作时,(39)脚为低电平;在自动搜索、无信号或人工 静音时,(39)脚为高电平。本机未用此脚功能,静音控制由 I2C 总线来完成。
(40)、(41)、(42)脚输出波段控制电压,低电平有效,控制过程与图 2 完全一样。
2.I2C 总线调整方法
用工厂专用调试遥控器(型号为 KK-Y211)进行调整。按遥控器上的“调试(FAC)”键, 可进入调试菜单首页,用“节目增/减”键可选择调整项目,用“音量增/减”键,可调整 数据。若想调整其他菜单中的项目,可先按“静音”键,然后用 1、2、3、4 等数字键,便 可选择相应的菜单页。调试完毕,再按“调试”键,可退出工厂菜单。
若无工厂专用遥控器时,也可用用户遥控器(型号为 KK-Y173)进行调整。只要将用户遥
控器上盖的贴片撕开,便可发现遥控器最后一行第 3 个键无导电胶,该键便是“调试”键, 在此处装一临时导电胶按键,按一下此键,机器即可进入调试菜单。调试完毕,再按一下此 键,可退出调试状态。
3.故障检修实例
[例 1]开机后机内发出“吱”的一声,接着呈黑屏状态,也无伴音。 机内发出“吱”的一声,说明有高压产生,因而行扫描电路是工作的。先将加速极电
压调高,屏幕上出现了一条水平亮线,由此怀疑场扫描电路有故障。用万用表电阻挡表笔碰 触场输出集成块 LA7840(5)脚,水平亮线能上下闪动,说明场输出电路正常。再查 LA76820(23) 脚,发现无锯齿波电压输出,于是怀疑 LA76820 损坏,但更换后故障依旧。考虑此机采用[Page]
I2C 总线控制方式,当遥控系统不正常时,会产生某些特殊故障,故转查遥控系统,并测得
CPU(12)脚电压只有 3.8V,明显低于正常值,怀疑 N602(LM7805)不良,更换后故障排除。 通过此例可知,数码彩电的遥控系统出现故障时,会出现一些有违常规的故障现象。
[例 2]开机后机器处于待机状态,用遥控器不能二次开机。
先测 CPU(7)脚电压,为低电平(0V),说明 CPU 已输出了待机控制电压。查 CPU 的工 作条件(供电、时钟及复位),未发现异常。在开机瞬间,测(31)脚电压始终保持高电平,由 此可知 CPU 并未进入保护状态。再查 I2C 总线系统,发现 N603(存储器)(5)脚电压为 0V, 经查,R651 断路,更换后故障排除。
二、东芝遥控系统
东芝遥控系统是以 TMP87C×38N 系列芯片为 CPU 而构成的,这类遥控系统广泛用于 TCL"TB"单片机、海信 H97B 机心、长虹 CN-9 机心、创维 T 机心及康佳“E/N”系列彩电 中。它主要用来管理 TB1231N、TB1238N、TB1240N、TB1227N 或 TA8880 等小信号处理 器。
(一)CPU 介绍
TMP87C×38N 系列芯片是东芝公司推出的高速、高性能 8 位单片微处理器,型号有 TMP87CH38N、TMP87CK38N、TMP87CM38N、TMP87CP38N 及 TMP87CS38N 等。这些 芯片的硬件结构相同,只是内部 RAM、ROM 的容量有所区别。
TMP87C×38N 系列芯片内含中央微处理单元、ROM、RAM、I/O 接口、定时器/计 数器、屏显电路、脉宽调制(PWM)输出电路、模/数转换电路、I2C 总线接口电路等。该系 列芯片有两种封装形式,一种采用双列直插 42 脚封装形式,如图 4 所示,另一种采用方形
44 脚封装形式。目前,以双列直插 42 脚封装的芯片在数码彩电中广泛使用。由于该系列芯 片具有编程能力,各 I/0 端口的具体控制功能可通过编程进行设定。因此,当它用于不同 彩电时,各 I/O 端口的控制功能可能会存在很大的区别。
(二)东芝遥控系统在 TCL 一 2901 系列彩电中的应用
1.电路分析
TCL-2901 系列彩电的遥控系统如图 5 所示,它使用 TMP87CK38N 芯片为 CPU。 应用 时,厂家将软件号为 M06-V3 的软件写入到 TMP87CK38N 内的 ROM 中,形成掩膜片,并 命名为 TCL-M06V0-T。它主要用来管理小信号处理器 TB1240N。下面分析该遥控系统的工 作过程。
(2)脚输出调谐脉冲(PWM),经 Q091 倒相放大及三级 RC 滤波后,转换为直流电压,送
至调谐器的 TU 端。在调谐时,(2)脚输出一列宽度不断变化的脉冲电压,其平均直流的变化 范围为 5V~0V,调谐器 TU 端电压的变化范围约为 0V-32V,从而控制调谐器从低端向高 端进行搜索。在正常收看时,(2)脚输出的脉冲宽度不变,调谐器的 TU 电压也不变。
(3)脚输出低音音量控制电压,TCL-2901 系列彩电未设低音电路,因而未使用该脚的控
制功能。
(4)脚输出音量控制实际上是一列 PWM 脉冲,经 R006、C002 平滑滤波后,转化为直流 电压,送至伴音功放电路,用来调节音量的大小。
(5)脚输入 S 端子识别电压。若插入 S 端子,(5)脚为低电平;未插入 S 端子时,(5)脚为 高电子。CPU 检测(5)脚电压识别有无 S 端子信号输入,以便能产生相应的控制指令。(5)脚 电压受 S 端子内部的同步开关控制。[Page]
(6)、(7)脚输出伴音制式控制电压,用来控制声表面滤波器的工作特性及控制第二伴音中 频信号的切换。当(6)脚为高电平,(7)脚为低电平时,电路工作于 D/K 制;当(6)脚为低电 平,(7)脚为高电平时,电路工作于 I 制;当(6)脚和(7)脚均为低电平时,电路工作于 M 制。
(8)脚输出静音控制电压,送至伴音功放电路。正常工作时,(8)脚输出低电平,伴音功放 电路处于正常工作状态;无信号或按遥控器上的静音键时,(8)脚输出高电平,伴音功放电 路处于静音状态。
(9)脚输出超强接收控制电压,经 Q131 倒相后,送至调谐器的 HS 端子。当(9)脚输出低 电平时,调谐器处于超强接收状态,当(9)脚输出高电平时,调谐器处于正常接收状态。
(10)脚为外部静音控制端,本机未用此功能。
(11)、(12)脚用于 TV/AV 控制,分别经 Q011 和 Q012 送至 TV/AV 切换电路,并与(5)
脚电压共同控制 TV/AV 的切换。(11)、(12)及(5)脚电压与电路工作状态之间的对应关系见
表 1。
(13)脚输入 AFT 电压,为 CPU 提供调谐准确度信息,并实现 AFT 自动跟踪功能。AFT
电压来自 TB1240N(1)脚。
(14)、(15)脚为键控指令输入脚,本机键盘接在(15)脚外部,共设 6 个按键,(14)脚经一 下拉电阻接地。
(16)脚为测试信号控制端。当电视机工作于正常状态时,(16)脚输出低电平,TV/AV 视 频信号送至 TB1240N;在维修模式下,若调出机内测试信号,(16)脚变为高电平,此时 TV
/AV 信号被禁止,由 CPU(19)脚输出的测试信号经 Q032 后送入 TB1240N。
(18)脚用于交流关机控制。正常工作时,(18)脚为高电子,电源开启;当(18)脚输出低电 平时,电源开关跳开,电源关闭。
(19)脚为测试信号输出端子,只有在维修模式下方可调出测试信号,在正常模式下无测 试信号输出。利用测试信号可以很方便地调整光栅几何失真。
(20)脚为开/待机控制端,低电平开机、高电平待机。本机未用此功能。
(22)~(25)脚分别输出 RGB 字符信号及字符消隐信号。字符消隐倌号及字符信号分别送至 TB1240N(13)~(16)脚。只有在字符消隐信号的控制下,字符信号才能插入到图像信号中,并 形成字符镶嵌在图像中的效果。
(26),(27)脚分别输入行、场逆程脉冲,用于字符定位。
(28)、(29)脚外接字符时钟振荡器。
(31)、(32)脚外部接时钟振荡网络,与内部相关电路构成时钟振荡器,产生系统工作时所 需的时钟信号。
(33)脚为复位端子,复位电压由 Q061 提供。在开机后的瞬间,由于 8V 电压不能立即建 立,而是按指数规律上升,因而使(42)脚的+5V 供电电压也按指数规律上升。在 Q062b 极电 压上升至 5.7V 以前,Q061 处于截止状态,其 c 极输出低电平至(33)脚,使 CPU 复位。当 Q062b 极电压上升到 5.7V 时,其 e 极输出的+5V 电压达到稳定值,Q061 也导通,c 极输出 高电平至(33)脚,CPU 复位结束,并开始执行程序。
(34)脚为 50Hz/60Hz 场频控制端,高电平对应 60Hz 场频;低电平对应 50Hz 场频。本
机未用此脚的控制功能。
(35)脚为红外遥控指令输入端子,与红外接收器相连。
(36)脚为行同步信号输入端,为 CPU 提供电台识别信号。若(36)脚无同步信号输入,CPU
判断为无节目,并执行蓝屏、静噪及自动关机。[Page]
(37)、(38)脚为 I2C 总线输出端,存储器 IC002 及小信号处理器 IC201 均挂在这组总线上。 整机的大多数控制功能是依靠这组总线来完成的。
(39)脚为“BBE”功能开/关控制端,在设有“BEE”音效增强电路(NJM2150A)的机型 中,才用到此脚。当(39)脚输出低电平时,“BBE”功能关闭;当(39)脚输出高电平时,“BBE” 功能开启。由于 TCL-2901 系列彩电未设"BBE”功能,故(39)脚未用。
(40)、(41)脚输出波段控制电压,分别经 Q081 和 Q082 送至调谐器的 B2 和 B1 端子,由 调谐器内部电路完成波段切换控制。当(40)脚为高电子、(41)脚为低电平时,调谐器工作于
VL 段;当(40)脚为低电平、(41)脚为高电平时,调谐器工作于 VH 段;当(40)、(41)脚都为 高电平时,调谐器工作于 U 段。
(42)脚为 CPU 的供电脚,供电电压由 Q062 提供。
2.I2C 总线调整方法 按工厂专用遥控器的"工厂设定”键,可进入工厂模式(即维修模式)。进人工厂模式后,
用“上选项”、“增改变”、“减改变”键将“系统 2”子菜单中的"F.MODE"项没为“开”。此 后,工厂调试遥控器就可正常使用了。用遥控器的“上/下选项”键可选择调整项目,用“增
/减’’键可改变参数。 调试完中,一定要将“F.MODE"项设为"OFF"。再按“工厂设定”键可退出工厂模式,
新数据自动存人存储器中。 也可用用户遥控器进行调试,按本机“音量减”键,直到最小,在不放手的情况下同时
按遥控器“0”键三次(速度要快),可进人工:厂模式。调整完毕,用遥控器“跳台”键退 出工厂设定菜单。退出工厂设定菜单时,要先确认“F.MODE"设成“OFF'’,只有正常退 出工厂设定菜单,所有的没定才会被记忆。
3.故障检修实例
[例 1]接通电源后不久电源开关就自动跳开。 很显然,这是由于交流关机控制电路动作引起的。在开机时,测 CPU(18)脚电压,发现
从电源开关接通到电源开关自动跳开这段过程中,(18)脚总为低电平。由此可知,故障原因 是因 CPU(8)脚错误地输出了低电平所致。将(18)脚外部电阻 R032 断开,电源开关接通后, 能够锁住.而不再自动跳开,从而证明了上述判断正确。
因(18)脚不能输出正确的控制电平,说明 CPUF 工作不正常,故重点查 CPU 的工作条件,
当更换晶振 X051 后,故障排除。
[例 2]无图无声,且遥控和键控都不起作用, 由于遥控和键控都不起作用,怀疑遥控系统不正常。先查 CPU(42)脚电压,正常。再查
(33)脚复位电压,仅仅 2.2V 左右,查(33)脚外部复位电路,发现 C061 漏电,更换后故障排 除。
(三)东芝遥控系统在海信 H97B 机心中的应用
1.电路分析
海信 H97B 机心是海信公司推出的高档大屏幕彩电机心,主要机型有:TC2939 、 TC2939N、TC2979、TF2999G、TF2999N 及 TC3418 等。该机心遥控系统所用的 CPU 为 TMP87CM38N,其控制软件是按 H97B 机心的控制要求编写的(软件号为 H97B-5H3l-3358)。 具有 PAL/NTSC/SECAM 三种图像制式控制功能及四种伴音制式控制功能(即 D/K、I、B
/G 及 M 制),能完成 50Hz/60Hz 场频切换,具有丰富的菜单显示及图文开关控制功能 及静音控制功能,能存储 200 套节目,并具有节目编程能力。[Page]
海信 H97B 机心遥控系统如图 6 所示。由图可知,虽然海信 H97B 机心所用的 CPU 与 TCL-2901 系列彩电所用的 CPU 属同类型产品,但因控制软件的不同,从而使 CPU 上许多 引脚的功能发生了变化。下面具体进行说明。
(5)脚输出话筒音量控制电压,(6)脚输出卡拉 OK 混响控制电压。(5)、(6)脚输出的控制 电压分别经 RC 滤波后送至音频处理板,控制卡拉 OK 音量和混响度。(7)脚输出卡拉 OK 开 关控制电压,用来控制卡拉 OK 指示灯。注意,(5)、(6)、(7)脚的控制电压只有在设有卡拉
OK 功能的机型中才有用。
(8)脚输出蓝延伸增益控制电压,送至模糊控制板(故又称模糊控制),用来控制 TDA9171
的蓝延伸增益,当(8)脚输出低电平时,蓝延伸增益开启;当(8)脚输出高电平时,蓝延伸增 益关闭。
未完,请看下一篇