视频钳位电路
|
 |
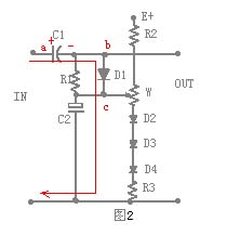
在模拟信号中包含有交流分量和直流分量,当信号通过交流放大器处理时,由于放大器存在耦合电容,所以信号在通过这些耦合电容时会丢失直流分量,对于音频信号来说,直流分量对我们没多大意义,丢失了也没关系,但对于视频信号来说则不同。当视频信号丢失了直流分量后,图象的黑电平(即同步电平)将不能固定在同一电平上,同步头将随图象信号的内容产生变化,如图1所示,从图中可见,同步头不能对齐。为了使同步头对齐(同步头固定在一条电平线上),使之不受图象内容的影响,必须要恢复它丢失的直流分量,这就用到钳位电路,电路如图2。 |
| 当输入信号在同步脉冲作用期间,信号加在D1两端使D1正偏而导通,b点电位等于C点电位(C点电位是由R2、W、D2-D4、R3分压所得)。同时C1被充电,因D1的导通使其充电时间常数非常小,很快就充电完毕。同步脉冲过后C1所充的电压将加在D1上使D1反偏而截止,C1通过R1放电,但R1阻值很大,所以其时间常数远大于行扫描周期,此期间C1两端电压几乎不变,也就是说b点电位始终等于C点电位,如果此时 |
|
有一个幅度较大的同步头信号到来,那么D1将又被正偏而导通,b点电位还是等于C点电位,因此视频信号的同步头将被钳定在C点的电位上,如图3所示。调整W可改变C点的电位。 为了保证C1在放电期间的时间常数足够大,所以OUT接入的阻抗必须要足够大,可使用一级射随器或使用场效应管。电路中的D2--D4起着稳定C点电位的作用,当温度升高时b点电位将升高,因二极管有负温度特性,当温度升高时其压降也降低,从而稳定了C点电位。 |
|