不同时期的液晶电视电源板与主板连接情况大致有以下两类:第一类是电源与主板连接有两个插座,如图1所示。CON1是电源输往主板的工作电压,以及主板送往电源板,经电源板再去背光电路的控制信号。CON2连接的是电源送往背光电路的供电+24V-IN 及主板伴音电路需要的24VAUDIO电压。由两插座传送电压的种类可以看出,此机电源分主、副电源两部分。CON1中有两路5V电压,一路是+5VSB,另一路是+5V。+5VSB是供主板控制系统工作的电压,而+5V是供主板伴音、图像通道小信号电路工作所需的电压。24V-AUDIO 是供主板伴音电路的。+5VSB电压在待机、开机时均存在,由副电源产生。5VSB在主板上经DC- DC转换成3.3VSB。5VSB 和3.3VSB作为控制系统各输出端口偏压、时钟振荡电路、复位电路、用户存储器EPROM、FLASH程序块、键控、遥控、开/待机控制、指示灯等电路供电。若5VSB电压不正常(涉及开关电源、主板),便会出现指示灯不亮,遥控或本机按键不能开机,即控制系统不工作。
+5V和24V电压是在二次开机后由电源板上主电源送出的。液晶电视在进入待机前,主板上建立的3.3VSB电压使控制系统工作后,会快速自动启动主电源,使主板上建立5V电压,这样便于系统运行FLASH,同时又检测DDR运行环境是否正常,然后系统会读取EEPROM中的程序进入到待机状态。因此,在二次开机后,指示灯闪烁,随后电视机处于待机状态。如在电视自动启动开关电源形成5V及主板5V负载期间,面板指示灯不闪烁,可判定故障在5VSB负载电路上。如面板指示灯闪烁却不能进入待机状态指示灯的,故障应在+5V的电源形成电路或主板+5V负载电路中,即主芯片的内核供电电路、FLASH、DDR相关电路,以及HDMI协议存储器均需检查。出现此情况时,除采用常规的测试电压方法外,还可采用U盘进行软件升级以排除故障。

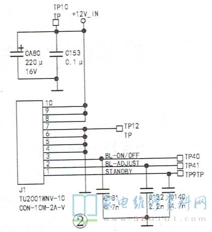
第二种主板与电源连接的方式如图2所示。这种方式在新型液晶电视中较普遍,主板与电源板连接仅有一个插座,背光电路供电直接由电源接入,不再经过主板。
在插座J1传送的电压和控制信号中,仅有一路12V电压,其他脚传输的是背光启动信号(BLON/OFF)、背光亮度控制信号(BL-ADJUST )及开/待机控制信号(STANDBY)。显然,此电源板不分主副开关电源电路。主板控制系统送出的开/待机控制信号有两个作用:一是送往电源板用于对PFC电路和LED背光电路做启动/关闭控制,实现待机低功耗。长虹HSM38D-4MB0120型电源板的开/待机控制电路图如图3所示。

主板送出的PS-ON信号(高电平)分成两路:一路送给Q402的G极,Q402导通,光耦N101工作,Q302导通,VCC通过Q302的c、e极输出vCC1电压,PFC校正块得电工作;第二路去LED背光电路,Q403导通,Q411的e-b结正偏导通,12.3V电压通过Q411、D403给U1(AP3064)供电(约11.3V)。同时,插座J1送来的背光启动与背光亮度控制信号,U1(AP3064)开始工作,自举升压输出LED灯电压,点亮LED灯。控制系统输出的开/待机控制信号的第三个作用是直接在主板上实现对图像、伴音、逻辑板供电的开/待机控制。长虹LM41iS机芯主板供电系统如图4所示。
12V接入主板后,一路通过U8和Q5形成5VSB电压(作用如早期电源电路上的副电源),另一路经U6开/待机控制后,再经DC-DC转换后为主板图像及伴音电路DDR、调谐器、主芯片内核、伴音功放、屏逻辑板等供电。同时,5VSB还通过U6开/待机控制后形成5V电压,给USB设备、主芯片UM1伴音图像处理电路、DDR电路FLASH块提供工作电压。
实修中,如果面板指示灯亮,但观察交流电接通时面板指示灯(包括菜单键在内的面板灯)没有闪烁,也不开机,这时可拆机,测量通电瞬间图1中cON1插座①脚在灯闪烁时电平有无变化。反复通电,测量CON1的⑥、⑨、①脚瞬间有无高电平。如果观察灯不闪烁,①脚开/待机电平没变化,便可确认主板上控制系统没工作,灯闪烁的原因是系统工作才会输出一高一低灯显示脉冲信号,控制指示灯工作在开与关快速转换状态,通过灯闪烁来提示用户系统正常读取程序,让用户静心等待开机,故灯亮而不闪烁故障在与5VSB后续的5VSB转3.3VSB的DC-DC块5VSB转换+5V,以及3.3VSB.5VSB和5V三路电压的所有负载电路中。检修时先拔掉键控、 遥控、WIFI、3D发射板等判定5VSB、3.3VSB是否正常,然后再测量主板上各DC-DC输出电压来判定。从图4电压分布网络可以看出,主板上需要的电压种类大致有2.5V.3.3V、1.8V(DDR电路供电有些需要1.5V)、1.25V(不同机型内核电压值不同,有的为1.1V、1.2V)等。通过测试这些DC-DC块输出电压,可大致判定各DC-DC块工作是否正常及其所接负载电路是正常。
提示:液晶电视主板贴片元件排列复杂,供电电压走向查找困难,在没有电压分布网络图资料时,可采取先粗略地通测各DC-DC块输出电压进行判定,后再做进一步分析处理。