逆变器是一个将直流(DC)电压变换为交流(AC)电压的部件。逆变器电路的种类较多,常见的有晶体三极管的、可控硅的、自激式的、他激式的。从功率上讲,可控硅逆变器的功率比晶体三极管逆变器大;从频率的准确性上讲,他激式逆变电路比自激式逆变电路可以获得更加准确的交流频率,所以在实际应用中,可以针对不同的需求来选择相应的逆变器组件。
液晶电视中的逆变器是电源变换的一种设备,由液晶电视的成像原理可知,液晶本身不发光,液晶屏幕上显示的光栅,由液晶屏内部背光灯管发出的光线穿透液晶所形成,而液晶屏内部背光灯管的工作电压则由独立逆变器提供,逆变器与背光灯管的连接关系如图1所示。
不同尺寸的液晶屏,内部背光灯管数量不同,为其提供工作电压的逆变器输出的高压数量也不同。15英寸液晶电视屏内部采用4根背光灯管,机内逆变器组件则输出四组交流高压;18、20英寸液晶电视屏内部采用6根背光灯管,机内逆变器组件则输出六组交流高压;30、32英寸液晶电视屏内部采用16根背光灯管,机内逆变器组件则输出十六组交流高压;屏幕尺寸更大的液晶电视,采用的背光灯管也更多,相应逆变器输出的交流高压组数同样更多。
目前,各厂家推出的小屏幕液晶电视,逆变器组件由电视生产厂家自行采购或生产,这类逆变器组件维修人员一般可以自行更换,有条件者还可以自行维修;大屏幕液晶电视为了保证整机的稳定性和可靠性,采用的液晶屏自身带有与背光灯单元完全匹配的逆变器组件,这类逆变器组件一般不要求维修人员进行更换或维修,一旦判定逆变器出现故障,往往对大屏幕液晶屏进行整体代换,但随着大屏幕液晶电视的普及和其维修量的不断增加,以及对维修成本的考虑,相信对大屏幕液晶电视逆变器组件的维修会变得越来越现实,这也将是液晶电视维修发展的一个方向。
二、液晶电视逆变器组件接口电路及技术参数
1.接口电路 
液晶电视逆变器有自激式也有他激式,图2为长虹CHD-TM201F7液晶电视采用的逆变器组件,该逆变器为他激式逆变器,组件上包括了振荡电路、开关管、变压器等关键部件。
液晶电视逆变器组件与外部电路一般只有输入接口和输出接口。输入接口主要包括三个电平,一个电平是逆变器的工作电压,一个电平是逆变器的开启或关闭控制电压;另一个是逆变器输出电流控制电压。
逆变器的工作电压来自液晶电视内置开关电源组件或外置电源适配器,小屏幕液晶电视逆变器组件通常采用12V供电,大屏幕液晶电视逆变器组件采用24V甚至更高电压供电;
逆变器的开启(ON)或关闭(OFF)控制电压来自液晶电视内部微处理器,该控制电压在电视机开启或关闭时分别表现为高电平或低电平,所以在实际维修过程中,该电平可以作为一个判定故障的关键测试点,以此来判定逆变器是否被启动。
逆变器输出电流控制电压是用来控制逆变器输出电流,以便改变背光灯的发光强度,该电压一般与逆变器输出电流和背光灯发光强度成反比,即该控制电压越高,逆变器组件输出的电流越小,背光灯发光越弱,屏幕亮度越暗。市场上有部分厂家推出的液晶电视,逆变器输出电流由微处理器进行调整。有些厂家则直接将该控制接地,使背光灯发出的光线处于最强,如长虹部分液晶电视逆变器组件(Vadj)端口就是如此。
液晶电视逆变器的输出接口与背光灯管相接,当电视机被开启时,在输入接口开启(ON)电压的控制下,各输出接口分别输出交流高压提供给背光灯单元,点亮背光灯。
2.技术参数
液晶电视的屏幕尺寸不同,其逆变器组件技术参数也不同,技术参数主要涉及温度、输入参数、输出参数,在维修代换时,应主要考虑输入参数及输出参数,下面,以长虹20英寸液晶电视INV20-606A(D)型逆变器为例,说明液晶电视逆变器的各项参数:
输入参数:主要包括输入电压范围(最大值/标准值/最小值)、输入电流范围(最大值/标准值/最小值)、功率、开启/关闭电压、屏幕亮度控制电压(即逆变器输出电流控制电压)范围,表1列出了长虹20英寸液晶电视INV20-606A(D)型逆变器的输入技术参数,供维修时参考。 

输出参数:主要包括背光灯最亮时输出电流范围(最大值/标准值/最小值)、背光灯最暗时输出电流范围(最大值/标准值/最小值)、背光灯最亮时输出电压、逆变器空载输出电压、输出电压频率范围。表2列出了长虹20英寸液晶电视INV20—606A(D)型逆变器的输出技术参数,供维修时参考。
三、长虹CHD-TM20lF7液晶电视逆变器电路分析 
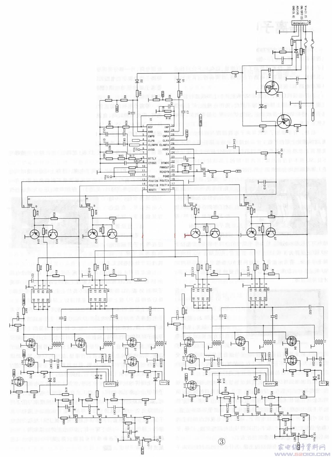
为进一步帮助读者更好地理解液晶电视采用的逆变器,下面以长虹CHD-TM201F7液晶电视LNV20-606(A)型逆变器为例,分析液晶电视逆变器的构成及工作原理。图3为该逆变器电路图,该逆变器组件以U1(BIT3106A)为核心,采用全桥变换处理电路,向液晶屏内部6只背光灯管提供交流高压,图中T1、T2、T3输出的电压分别向A组(3根)灯管提供工作电压,T4、T5、T6输出的电压分别向B组(3根)灯管提供工作电压。
1.逆变器开启/关闭控制电路
逆变器开启/关闭控制电路由R87、Q1、Q2等元件共同组成。主板上送来的高电平逆变器开启电压从CNl③脚输入,经R87加到Q1的b极,Q1饱和、Q2导通。从CNl①、②脚输入的12V电压经R10、Q2 e—c极后分两路,一路分别加到Q3~Q6 G极,另一路直接向u1 12脚提供工作电压。逆变器被开启后,灯管被点亮。当主板送来0V逆变器关闭电平时,Q1、Q2均截止,u1工作电压被切断,逆变器被关闭,灯管熄灭。
2.灯管单元亮度控制电路
R1、R2、R3、R12、D1、D2、R81、R82共同组成A、B灯管单元亮度控制电路,当需要控制灯管的亮度时,从主板送来连续可变的控制电压从CNl④脚输入,经R1、R3后分别经D1、R81、D2、R82加到u1 29、②脚来改变u1 29、②脚直流电压,u1 29、②脚为u1内部A、B放大器的反向输入端,两脚电压与灯管亮度成反比。实际电路中,接插口CNl④脚经主板直接到地,即逆变器组件上D1、D2均处于截止状态,u1 29、②脚无电压输入,A、B灯管单元处于最大亮度状态。
3.高压发生电路
高压发生电路主要由u1内外部电路共同组成,U1内含振荡、频率控制、亮度控制、保护等电路。
图中,Q3-Q14、u2~U5、T1~T6等元件共同组成全桥变换电路,其中T1~T6为电压变换变压器,u2~U5内含双MOS管(一只PMOS管,一只NMOS管),u2、U3共同完成T1~T3初级绕组的电流变换,以点亮A组三根灯管,u4、u5共同完成T4~T6初级绕组的电流变换,以点亮B组三根灯管。
由U1内部振荡电路产生的振荡脉冲信号经内部A、B放大器及其他电路处理后,从u1 13、14、17、18脚输出PMOS管驱动信号,从u1 15、16脚输出NMOS管驱动信号,驱动信号波形如图5所示。
(1)A组灯管单元高压形成过程
A组灯管单元高压由Q4、Q9、Q10、u2、u3、T1、T2、T3组成的电路形成。u2、u3内置P沟道和N沟道PMOS管,从u1 18脚输出的驱动信号经Q4、Q9、Q10放大后,经R37加到U3④脚,经内部PMOS管放大后从⑤、⑥脚输出;从U1 15脚输出的信号经R35送到u2②脚,经内部PMOS管放大后,从⑦、⑧脚输出;u3 5-8脚输出的脉冲信号分三路进入变压器T1~T3初级绕组。
从u1 17脚输出的信号经Q3、Q7、Q8放大后,经R34加到U2 4脚,经内部PMOS管放大后从⑤、⑥脚输出,分三路经电容C22~C24进入变压器T1~T3初级绕组;从U1 16脚输出的信号经R38送到u3②脚,经内部NMOS管放大后从⑦、⑧脚输出,直接送往变压器T1~T3初级绕组。
U2、U3输出的信号通过T1~T3变换后,在TI~T3变压器次级绕组输出高压。
(2)B组灯管单元高压形成过程
B组灯管单元高压形成电路由U4、U5、Q6、Q13、Q14、Q5、Qll、Q12、T4~T6组成。电路结构和高压形成过程与A组相同,不再详述。