I2C总线彩电的硬件故障就是指由于元器件损坏、电路开路、断路、虚焊等引起的故障。硬件故障的产生可能会对彩电的I2C总线系统产生影响,出现某些常规彩电中不会出现的故障现象。本文从维修的角度出发。介绍I2C总线彩电硬件故障的修理方法与技巧。
I2c总线常译为内部集成电路总线,或集成电路间总线。在这个系统中,总线仅由两根线组成,它们均由CPU引出,一根叫串行时钟线(SCL),另一根叫串行数据线(SDA),其他电路单元均挂在达两根线上。I2C总线系统的关键检测点就是出CPU引出的SCL和SDA两条线上的有关测试点,这些测试点包括I2c总线的CPU端口和被控集成电路端口。当I2C总线系统正常时,总线电压应符合以下规律:
(1)当I2C总线上有时钟信号和数据信号存在时,用万用表测SCL和SDA电压,若发现表针在微微抖动,说明电压值不稳定。这是通过检查I2c总线引脑电压来判断I2C总线系统是否正常时较关键的一点。根据I2c总线彩电电路配置的不同,有的彩电要在进行按键操作或遥控器操作时,总线电压才有变化;有的彩电在不操作按键时总线电压也会变化。
(2)根据I2C总线外部电路形式以及I2C总线上挂接集成电路的不同,I2C总线端口电压亦不同。但大多数I2c总线彩电的SCL与SDA引脚电压值为3.5V~5V。
一、I2C总线彩电的硬件故障
为了说明与常规彩电中硬件故障的不同,我们将I2c总线彩电中的硬件故障分为两类:第一类硬件故障与常规彩电相同,而且故障并不影响I2C总线系统。比如:电源电路故障,行输出电路故障等。这类硬件故障的故障现象及检修方法与常规彩电相同。第二类硬件故障的产生会对彩电的I2C总线系统产生影响,从而出现某些常规彩电中不会出现的故障现象。这类故障通常包括:I2c总线的SCL或SDA对地短路,SCL与SDA之间短路,CPU的SCL相SDA端门发牛开路,I2C总线受控电路电源故障及受控集成电路故障等。此类故障在电路上最明显的特征就是I2c总线电压发生异常,因此,通过检查I2C总线电压的变化即可对第二类硬件故障作出判断。以下举例说明。
【例1】一台青岛TC2929型彩电,开机后屏幕上出现红色回扫线,图像模糊,且枕形失真。
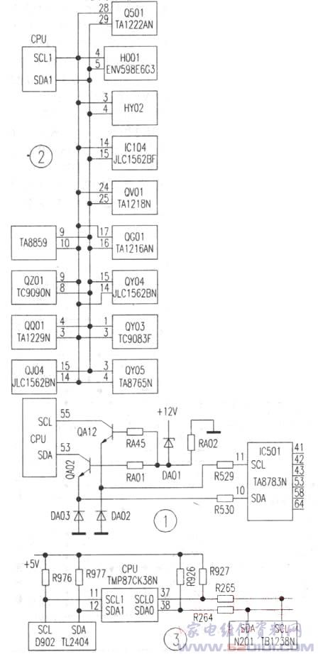
根据经验分析,可能是视频放大电路不良或IC501(TA8783N)及其外围电路有故障。该部分电路如图1所示。拔下P511B插头.测IC501 41、42、43脚电压,均低于正常值3.4V,分析故障出在ICA01 53、55脚输出到IC501的总线信号上。用示波器测量IC501②、53、58、64脚波形均正常,说明中放电路、TV/AV转换电路、Y/C信号处理电路等均正常。但在检查时发现,当调整节日状态时,光栅亮度无变化。由此怀疑控制基色混合处理电路的I2c总线信号失常。测量IC501⑩、11脚的总线电压,其幅度变化极小(正常时⑩脚电压为3.5V左右,11脚电压为4.2V左右)。试断开QA12、QA02 e极,再测CPU(ICA01)53、55脚电压恢复正常。怀疑DA01不良,焊下检查已损坏。用同型号二极管更换DA01后,该机恢复正常。
【例2】一台长虹G2966型(NC6机心)彩电,开机后有字符显示,但呈黑屏。
测CPU 37、38、脚电压异常。说明I2C总线信号小能正确控制整机电路工作状态。相关电路如图2所示。分别断开总线信号控制电路,监测总线电压,当断开TV/AV转换电路TA1218N 24、25脚后,CPU 37、38脚电压能在4V左右变化,说明总线电压异常是由于TV/AV转换电路工作异常引起的,可能是TA1218不良或其外围元器件有故障所致。检查TA1218的外围元器件无异常,判断TA1218损坏。更换TA1218后,该机恢复正常。
总线保护是I2c总线彩电有别于普通彩电的一种特殊现象。当CPU检测到系统有严重问题时。例如,存储器不良、总线短路、输出端口与电源开路等,CPU便会执行总线保护程序,系统进入保护状态,因此不能机械地使用普通彩电的维修方法来维修I2C总线彩电。 
【例3】一台黄河HC2188型彩电,通电后电源指示灯亮,操作遥控器和本机按键均不能开机。
检查CPU的3个工作条件,即供电、复位及时钟电路均正常。该机I2C总线控制电路如图3所示。测CPU 37、38脚总线电压均正常。根据检修经验,在I2C总线彩电中,若存储器不良会导致总线进入保护状态,故判断存储器损坏。更换存储器后试机,故障排除。
该机为自动复制方式,更换存储器后重新开机,CPU就会进行复制程序,并将CPU内ROM中的数据通过总线写入存储器中。I2C总线彩电某些硬件损坏时,可能会出现以下一些特殊的故障现象。(1)开机三无,电源指示灯亮;(2)机内继电器发出通断的“嗒嗒”响声;(3)开机即自动关机保护;(4)白光栅(或暗光栅、无噪点),按键及遥控均失灵;(5)黑屏(无光栅,但显像管灯丝亮,有高压)。附表中列出了普通彩电与I2c总线彩电中的一些部件损坏后可能引起的故障现象。从附表可以看出,当挂在I2C总线上的被控电路损坏后,会引起一些有违常规的故障现象,应特别注意。
I2C总线上的波形是非周期性脉冲波,用示波器观测时,可以看到脉冲波。如果I2C总线系统是正常的,电视机工作在任何状态下I2C总线上部有波形存在,幅度大约为5Vp—p,当操作遥控器或本机键盘时,总线上的脉冲波会有变化。值得注意的是I2c总线与被控对象相连,当测得总线电压或波形不正常时,不一定是CPU引起的,还应检查被控对象。另外,在操作本机键盘或遥控器时,并非所有的键都会引起I2C总线电压波动或波形变化,一些键的控制过程不需I2C总线来完成,I2C总线的电压和波形自然也就不会变化。
二、I2C总线彩电系统故障的维修思路
若总线电压为高电平,操作遥控及本机键盘时电压无波动现象,说明故障很可能发生在CPU或存储器上。应重点检查CPU和存储器的外围元件,在外围元件无问题时,试换这两个元件。若总线电压及波形正常,只是个别功能失效,或图像不能达到最佳状态,则应检查软件设置,一般通过重新调整或适当改变模式数据后,即可排除故障。
【例4】一台康佳T2998彩电开机呈三无,而电源指示灯亮,开关电源部位有“吱吱”声发出。
开机测量115V主电源,只有65V左右且波动,测CPU 34脚电压,接近3V,说明CPU已输出待机电压,在CPU 34脚与地之间接一只1k电阻,主电源恢复正常,但仍呈三无。测SDA线和SCL线上的电压,均正常,怀疑故障出在CPU上或存储器上,更换存储器后故障排除。
I2C总线系统出现硬件故障时,常会出现继电器发出“嗒嗒”响声,整机功能失效或不能开机等现象。对于继电器“嗒嗒”响声的故障,一般由两种原因引起:一是行扫描电路未工作,导致负载减轻引起的,可按行电路故障进行维修;另一种是总线保护引起的,此时CPU的电源开关控制输出端电压随继电器“嗒嗒”响声而波动。维修时,可先测总线电压,若总线电压不正常,应查总线上的电阻(包含上拉电阻)、总线与地之间的稳压管和电容及总线上所串的三极管等;若这些电路正常,可用断路法逐一断开被控对象,若某一被控对象断开后,总线电压恢复正常,继电器不再响,则该电路即为故障电路。
【例5】一台康佳T2988P彩电,故障现象为三无,指示灯亮,继电器发出“嗒嗒”响声。
此故障是因以下两种原因引起:其一是行扫描电路未工作,导致开关电源负载过轻,使开关电源工作于间歇状态。当行扫描电路未工作时,电源负载减小,各路输出电压会升高,C821上的电压也会按比例升高,从而使VD821导通,V821饱和导通、V823停振。V823停振后,各路输出电压开始下降,C826上的电压也下降,当该电压下降到一定程度时,VD837和V837截止,继电器释放,发出”嗒嗒”声;同时,C821两端的电压也要逐步下降,当降到一定程度时,VD821和V821截止,V823在启动电压和正反馈脉冲的作用下,又开始振荡,各路输出电压又上升,当C826上的电压上升到一定程度时,V837又导通,继电器吸合,这样周而复始,造成继电器不断地发出“嗒嗒”声。其二是CPU 39、40脚总线输出不正常或两线所挂的被控集成块总线接口有故障,导致CPU工作异常,造成上述现象。因挂在总线上的IC有多个,其中一些是采用二次电源供电的,I2C总线接口电路出现故障时,会导致总线保护,CPU 34脚(电源开关挖制输出端)会输出高电平,迫使电源进入待命状态。在待命状态下,各路输出电压均会下降,C826上的电压不足以维持VD837和V837导通,继电器释放,产生“嗒嗒”声,由于在待命状态下行扫描电路不工作,各路二次电源无输出,这样会使故障IC得不到供电,总线电压又恢复正常,CPU便税离总线保护状态,34脚又变为低电平,电源进入正常工作状态,各路输出电压升高,C826上的电压使VD837和V837导通,继电器吸合,发出“嗒嗒”声。电源脱离待命状态后,行扫描电路开始工作,又有二次电源输出,又会使总线电压正常,继而又形成总线保护,如此循环,导致继电器反复吸合,产生“嗒嗒”声。
根据以上分析,先测总线电压,发现CPU 40脚(SDA线)只有1.5V左右(正常为4.5V),而39脚(SCL线)电压正常(4.5V),说明SDA线上存在短路现象。逐一断开被控器件,当断开N501(TA8880CN)后,SDA线上的电压恢复正常,由此可知,故障是因N501引起,将其换新后故障排除。另外,不管是CPU还是被控电路,均有很多故障与总线控制无关,对于这些故障,要按传统方法进行判断。例如,当电视机各种操作均正常,而搜索不到节目时,应重点检查调谐器、中放组件及TV/AV切换电路,而不能停留在I2C总线上绕圈子,因为这类故障与I2C总线关系不大。
【例6】一台高路华TC3418型彩电,收视中频繁自动关机。关机时屏幕中央有光栅闪动。
试将继电器短接强行开机无效,说明I2c总线存在故障。该部分电路如图4所示。测CPU 39、40脚电压在0V~5V之间变化,测Q303 e极电压也在0V-5V之间变化,而Q304 e极电压为0V。关机,测Q304 e极对地电阻值,正反向电阻值均为0Ω。怀疑某受控电路不良。逐一断开各受控电路进行观察,当断开伴音集成块TA8776时,Q304 e极对地电阻值恢复正常(10k左右),检查发现ICS01(TA8776)28脚(SDA)对地短路。 
三、CPU的选用
I2C总线彩电的CPU小同于普通遥控彩电的CPU,其内必须写入整机的控制软件方可使用。因此在更换CPU时,不但要求硬件型号相同,软件型号也应相同,否则,机器无法工作。例如,康佳T2988P彩电使用的CPU型号有两种:一种是TMP87PM36N;另一种为TMP87CK36N。前者更换后,必须使用工厂专用的遥控器按约定的程序写入参数,方可使用,而后者中却固化了软件参数,可以直接使用,故可以用后者直接替换前者,无须再写入参数。另外,康佳T2988N彩电CPU也使用TMP87PM36N,但其软件号为R0605,它与T2988P型机的CPU虽然硬件型号相同,但软件型号不同,二者不可互换。这种情况在康佳T3888、T3488、T2998系列机中也存在,但不管是上述哪种型号,只要后缀为P,而不含N,就可选用TMP87CK36N来代换原CPU。
提请用户注意,由于每次开机时,CPU都要从存储器中取出控制信息及用户信息,并分时送到各被控器,使被控器进入相应的工作状态,因此,刚开机的一瞬间,总线数据传送最繁忙,CPU的控制任务最重,控制过程最复杂,损坏的可能性自然也就最大,所以使用I2C总线彩电时应尽量避免频繁开/关机。