振荡控制电路主要包括振荡器、调制器、激励输出、保护控制电路,位于背光板的输入控制接口和功率放大电路之间,其主要功能如下: 
①接受CPU的控制指令(ON/OFF),产生高频振荡信号。 
②接受CPU送来的亮度控制信号(PWM),对高频振荡进行PWM调制。 
③把PWM调制信号放大并输出。 
④接受输出电路反馈来的电压、电流取样信号,进行保护控制。 
振荡控制电路是背光板部分的前端电路,功率小、电路复杂,电路功能较多。为了液晶屏生产厂家为了便于配套,这部分电路均采用一块集成了上述功能的集成电路。目前,市场上有很多此类背光板前端集成电路提供。这些集成电路都是考虑到不同的屏幕尺寸、不同的电路形式、不同的控制方式及不同的供电电压精心设计的,功能齐全、稳定可靠。采用这种集成电路的背光板,功能强大、外电路简单、成本下降,故障率也减小很多。 
图5.1是一个采用6只CCFL灯管的26寸液晶屏背光板,图5.2是一个采用EEFL灯管的32寸液晶屏背光板。可以看出,振荡控制集成电路只占了极小的位置,整个电路板非常简洁、工整,维修也极其方便。
目前比较常见的、背光板上应用较多的振荡控制集成电路有以下几种。 
①美国仙童(FAIRCHILD)公司的FAN7316、FAN7317、FAN7313等。  
②微科(MICRO)公司的OZ960、OZ964、OZ9910、OZ9925、OZ9938等。 
③硕颉( Bitek)公司的BIT3101、BIT3109、BIT3105、BIT3106等。 
④MSP(Mstart)公司的MP1026、MP1029、MP1038等。 
⑤罗姆(Rohm)公司的BD9883、BD9884、BD9886等。 
还有很多集成电路的型号不胜枚举。对于维修人员来说,把这些集成电路的资料收集起来,了解各集成电路的引脚功能,对背光板维修的帮助极大。 
5.1典型振荡控制集成电路的工作流程 
图5.3是一块典型振荡控制集成电路的内部框图。CPU送来的控制信号由ENA(使能控制)引脚输入,经过启动电路控制,振荡器开始工作。启动电路有一个SS(软启动)引脚,外接一只启动延迟电容,以实现软启动。振荡器(OSC)启动后,振荡频率由RT、CT引脚外接的电阻R和电容C的时间常数决定,内部的基准电压(REF)向电阻R和电容C提供充放电的基准电压。
振荡器产生CCFL灯管工作所需的40~100kHz的高频振荡等幅信号,送入PWM调制电路;CPU送来的PWM亮度控制信号(有的CPU送来的是直流亮度控制信号),经PWM引脚也送入PWM调制电路。在调制电路内部,PWM亮度控制信号对振荡器送来的高频等幅振荡信号进行PWM调制(幅度调制),产生断续的高频振荡信号,经过相位控制、激励输出,产生多路适应不同N沟道及P沟道MOS管激励信号,由N-OUT1、P-OUT1、N-OUT2、P-OUT2引脚输出。 
背光板高压输出部分的电压取样反馈信号由OVP引脚输入,CCFL灯管的工作电流取样信号由FB引脚输入及多灯管屏的背光灯管断路取样信号由OLP引脚输入。这些取样信号进入集成电路后,和集成电路内部设定的电压基准电平(阈值)和电流基准电平(阈值)进行比较,在高压输出或CCFL灯管出现异常时输出一个误差控制电压,经过保护延迟电路,控制调制电路送往激励输出电路的信号;切断信号的输出,功率放大电路停止工作,进入保护状态。 
(注:FB反馈的背光灯管工作电流取样信号,在集成电路内部还参与到PWM调制电路进行亮度控制;当背光灯管出现亮度不稳定时;反映亮度的电流反馈信号也不稳定;进入FB端参与亮度控制的调制;使亮度控制调制相应变化达到稳定亮度的目的) 
在这个保护控制过程中,保护电路并不是在电路异常时立即切断输出、停止工作,而是延迟一段时间再停止工作。CTIMR引脚外接电容用于设定延迟时间,改变其容量大小即可改变延迟时间长短,一般设定为1秒钟左右(这和普通电源电路的保护截然不同,普通电源要求出现异常时保护越快越好)。延迟保护的目的在于,背光板的负载是气体放电的荧光灯管,这类灯管的启动有一个滞后的过程(就像我们打开日光灯一样:开关打开的瞬间,日光灯并不是马上亮,多个日光灯管也并不是同时亮);特别是气温低的时候,点亮滞后现象更加严重。一旦打开液晶电视机的电源,相关电路即开始工作,背光板的取样保护电路也立即开始工作。由于开机瞬间CCFL灯管的延迟作用,灯管没有电流。此时,输出电压没有负载,电压高出正常值许多,过压保护电路会出现误动作;由于CCFL灯管没有电流流过,电流取样电路没有取样输出,灯管断路保护电路也会误判断灯管开路损坏,从而使保护电路出现误判断。因此,保护控制电路设计了一个保护延迟,给气体放电灯管留出启动的时间(约1秒钟),等灯管正常点亮后,再进行正常工作。 
以上只是一个典型集成电路内部框图工作流程的简介。我们能接触到的此类集成电路,虽然型号不同,但其内部主要电路的工作流程和原理基本相同。 
由于此类集成电路的生产厂家很多,为适用于不同的液晶屏(屏的尺寸、屏的生产厂家),其功能、种类也很多,集成电路的引脚定义、引脚功能、引脚数量、激励信号输出方式(单灯管激励、多灯管激励、全桥激励、半桥激励、推挽激励)也均不相同;对于保护控制电路来说,不同厂家的背光板,其保护电路的取样方式(特别是多灯管断路取样)、取样电压的极性也不尽相同。所以,要掌握各种背光板电路的原理及维修方法,首先应该掌握基本电路的分析能力。当然,由于新技术、新电路的不断推出,新型集成电路也不断推陈出新,收集大量的集成电路资料,了解其功能、引脚定义、应用方法也是非常重要的。 
5.2振荡器 
振荡器主要受控于振荡启动电路和振荡频率控制电路,如图5.4所示。 
5.2.1振荡启动 
CPU送来的ON/OFF信号经ENA引脚进入集成电路内部的启动电路,软启动电路控制振荡电路开始工作。ENA(Enable)的含义是“使能”,就是允许的意思,即允许启动或允许停止。“SS”(Soft start)是软启动的意思(改变此引脚外接电容器的容量大小,即可改变软启动的时间),软启动的目的是使后级输出在开机的瞬间不至于产生电压的突变,减少对后级电路元件及CCFL灯管的冲击。
5.2.2 振荡频率控制 
点亮CCFL灯管所需的高频高压交流电频率为40~100kHz(一般为60kHz左右,频率高有利于背光灯管的启动),对于频率精度的要求并不高,所以现在的背光板电路振荡器一般采用与非门多谐振荡器。 
与非门多谐振荡器的等效电路如图5.5所示,F1和F2是两个反向器,RT、CT是振荡频率的定时元件,各部分的振荡波形如图5.6所示。该振荡器输出方形波,也正好符合要求。作为集成电路,该振荡器的频率、幅度、温度的稳定性仍然是很高的,是非常优秀的背光板驱动信号源,并且频率可人为设置(改变RT、CT的值就可以改变振荡频率)、外电路简单。图5.4所示集成电路中设置有基准电压REF,由VCC降压稳压形成,向振荡定时元件RT和CT提供充放电的基准电压,电压大小直接影响频率的高低,电压的稳定性也直接影响频率的稳定性。一般集成电路基准电压的稳定性极高,一般在2.5~5V范围内(不同集成电路的值不同),而其他部分的基准电压也取自REF基准电压,例如保护控制电路比较器的基准电压。
5.2.3 振荡频率的设定 
虽然CCFL灯管对频率精度没有太严格的要求,但其设置应等于背光板高压输出正弦波形成电路的谐振频率,这样该背光板才会有最大功率的输出加到CCFL灯管上。这些都是在背光板出厂前调试、设置好的,维修时不可以随意改变;否则,将会引起输出功率的下降,缩短CCFL灯管的使用寿命。 
5.3 调制器 
调制器是背光板的亮度控制电路,具有两个输入端和一个输出端,如图5.4所示。其中,一个输入端输入的是CPU送来的亮度控制信号(PWM脉冲),一般是100~200Hz的占空比受CPU控制的方波;另一个输入端输入的是振荡器送来的高频等幅波信号。在调制器中,PWM亮度控制信号对振荡器送来的高频等幅波信号进行幅度调制:当PWM脉冲波为正时,调制器有高频等幅波输出;当PWM脉冲波为负时,调制器没有高频等幅波输出。这样,调制器的输出就形成了和PWM信号正半周宽度对应的高频等幅脉冲串,如图5.7所示,CPU只要控制PWM信号的占空比,即可改变脉冲串的宽度,从而达到控制亮度的目的。[Page]
调制是一个很简单的过程,等效电路如图5.8所示。Q是一个普通的NPN型晶体三极管,电路是共发射极形式。振荡电路送来的高频等幅波及CPU送来的PWM亮度控制信号都同时加到Q的基极,调制后的信号由Q的集电极输出。三极管Q没有设置偏置电路,调制原理如下。 
从电路中可以看出,高频等幅波经电容器C加到Q的基极,经放大后输出;亮度控制PWM信号直接加到基极,PWM信号就是三极管Q的偏置电压。 
t0~t1时段,PWM信号为正,三极管Q正偏而具有正常的放大能力,集电极输出放大后的高频等幅波信号。 
t1~t2时段,PWM信号为负,三极管Q反偏而不具备输出能力,集电极没有高频等幅波信号输出。 
于是,三极管Q的集电极输出一串断续的高频振荡波群,每个高频波群的宽度正比于PWM信号的正半周,并随PWN信号正半周宽度的变化而变化。当CPU改变PWM亮度控制信号的占空比时,输出高频振荡波群的宽度也相应改变,从而达到控制亮度的目的;采用不同占空比的PWM亮度控制信号,断续高频振荡波包络宽度也不同,如图5.9所示。

高频等幅波经过PWM调制后,脉冲包络的前沿和后沿(上升沿和脉冲下降沿)不能是瞬变的过程(否则会严重缩短CCFL灯管寿命),必须是缓变的过程,如图5.10所示。处理的方法是,在输出电路适当施加积分处理(图5.8所示虚线框),改变脉冲包络的前沿和后沿的波形(当然,具体电路是要复杂得多)。
另外,有的背光板前端CPU送来的亮度控制信号是线性变化的直流信号,依靠电压变化的大小,控制调制器输出脉冲串的宽度随线性电压大小的变化而变化。这类用线性电压控制亮度的调制电路,在线性电压进入调制电路之前有一个专门的A/D变换电路,把线性电压转换成PWM信号,再进入调制电路进行调制。变线性直流电压为PWM信号的电路,由三角波发生器、比较器等组成,如图5.11所示。
5.4 激励输出电路
调制电路输出的高频等幅波是一个具有一定频率、相位单一的信号,而激励全桥功率放大电路正常工作需要相位不同、直流电平不同的信号。激励输出电路的功能就是要把调制电路输出的高频等幅波进行分相及多路输出处理,以适应N沟道及P沟道MOS管组成的桥式电路对激励信号相位及直流分量的要求。图5.12是一组全桥功率放大电路和激励输出电路连接的等效电路。
图5.12
一组全桥电路需要四路激励输入信号:Q1、Q2需要相位相同、直流分量不同的两路信号, Q3、Q4也需要相位相同、直流分量不同的两路信号;Q1、Q2的输入信号和Q3、Q4的输入信号彼此反相180°。这个信号分配及反相的过程是在集成电路内部完成。
图5.13是信号分配及反相的简单流程图。由调制电路来的信号,经相位控制电路分相变为彼此反相180°的两路信号,分别送入两组激励输出电路。其中,上激励输出电路输出的是N-OUT1及P-OUT1,支持全桥电路的一对互补MOS管;下激励输出电路输出的是N-OUT2及P-OUT2,支持全桥电路的另一对互补MOS管,完成全桥功率放大的激励任务。
激励输出电路的输出端一般与全桥电路功率放大电路的MOS管的栅极直接相连,其输出端实际是一个灌流输出电路。激励输出电路从框图上看似简单,实际上包含放大、信号分配、信号直流分量设置、灌流输出等,电路非常复杂。好在这些功能全部在集成电路内部完成,我们只要理解、掌握输出引脚的波形相位及直流分量并正确应用就可以了。
图5.12中,四路激励信号(N-OUT1、P-OUT1、N-OUT2、P-OUT2)激励一组全桥功率放大电路。其中,N-OUT是N沟道MOS管的激励信号,P-OUT是P沟道MOS管的激励信号;N-OUT1和P-OUT1的相位、振幅完全一样,但所含的直流份量不同,正好可以激励一对互补单端功率放大电路;N-OUT2和P-OUT2的相位、振幅也完全一样,也可以激励一对互补单端功率放大电路;N-OUT1、P-OUT1的相位和N-OUT2、P-OUT2的相位正好反相。
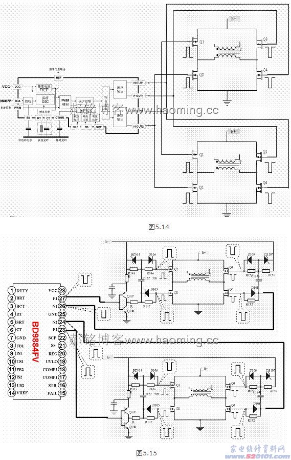
对于多灯管的驱动,可以把多个全桥功率放大电路的输入端并联,同时接到这个激励输出电路的输出端,如图5.14所示。在实际的应用中,一块这样的激励输出集成电路可以驱动四组全桥功率放大电路,每组全桥功率放大电路又可以驱动两只高压升压变压器(两只变压器初级并联),即每只这样的激励输出电路可以点亮8只CCFL灯管。
不同的桥式功率放大电路(半桥或全桥)所需的激励信号是不同的,不同生产厂家生产的集成电路也有半桥激励、全桥激励、推挽激励(已不多见)之分。其中,全桥电路需要四路激励信号,半桥电路只需要两路激励信号。显然,全桥激励电路要比半桥激励电路更复杂些。
5.5 把支持半桥功率放大电路的振荡控制集成电路用作全桥驱动
具体应用中,也可以把支持全桥功率放大电路的振荡控制集成电路用作半桥驱动,只选用其一半的输出引脚即可,也不需作其他修改,不过有点大材小用罢了;也可以把支持半桥功率放大电路的振荡控制集成电路用作全桥驱动,但外电路需要作一些改变,增加一个倒相电路。
5.5.1 原理分析 
韩国三星公司采用的支持半桥功率输出的振荡控制集成电路BD9884FV(2ch Half Bridge)如图5.15所示,通过对其外围电路的巧妙修改,驱动两路半桥功率放大电路的BD9884FV可以支持两路全桥功率放大电路工作。 
BD9884FV是罗姆公司生产的背光板振荡控制集成电路之一,可以支持两路半桥功率放大电路: 23脚、24脚支持一路,引脚26、27支持一路。其中, 23脚(P2)支持P沟道MOS管, 24脚(N2)支持N沟道MOS管,这两个引脚输出信号的相位相同、直流分量不同,可以支持一组半桥功率放大电路; 26脚(N1)支持N沟道MOS管, 27脚(P1)支持P沟道MOS管,这两个引脚输出信号的相位相同、直流分量不同,可以支持另一组半桥功率放大电路。图5.15在26脚、27脚增加了倒相电路及直流偏置电路,从而可以支持一组全桥功率放大电路,现分析如下。 
罗姆公司提供的相关资料显示,26脚、27脚输出信号是同相位关系。支持一组全桥功率放大电路需要两对(4路)反相信号,要用26脚、27脚支持一组全桥功率放大电路就必须产生一组反相信号并解决N、P沟道MOS管的栅极电位差问题,这两点图5.15所电路都做到了。 
27脚输出的负信号,经过Q107、Q108组成的倒相电路(共发射极互补电路,其特点之一就是输入信号和输出信号是反相关系),信号由负转变为正。该正信号经过电阻R147(此时,R147及D105分别是N沟道MOS管Q2灌流电路的充电限流电阻及放电二极管)加到全桥电路的Q2的栅极,Q2导通(在此,Q107、Q108又相当于Q2的灌流管);同时,正信号经过电容C122(容量较大,约50000pf)、电阻R146 (此时,R146及D106分别是P沟道MOS管Q1灌流电路的充电限流电阻及放电二极管)加到Q1的栅极,Q1反偏截止。激励信号通过C122耦合到Q1的栅极,因而失去了直流分量,Q1由DZ104、R145提供偏置。DZ104是稳压管,其稳压值就是Q1栅极偏置电压值(恢复了信号的直流分量)。R145是Q1栅极灌流放电的通路。 
26脚输出的负信号,直接通过电阻R152(此时,R152、D108分别是N沟道MOS管Q4灌流电路的充电限流电阻及放电二极管)加到全桥电路Q4的栅极, Q4反偏截止;同时,负信号经过C124、R151(此时,R151、D109分别是P沟道MOS管Q3灌流电路的充电限流电阻及放电二极管)加到Q3的栅极,Q3正偏导通(DZ107、R150是恢复Q3栅极直流分量的偏置电路)。 
此时,Q2、Q3导通,Q1、Q4截止,电流经过Q2、升压变压器初级、Q3流通。当BD9884FV的26脚、27脚输出正信号时,同上道理:Q1、Q4导通,Q2、Q3截止,电流经过Q1、升压变压器初级、Q4流通流过。两种状态下,变压器的电流方向正好相反,全桥电路正常工作。 
23脚、24脚工作原理相同于26、27脚,不在赘述。 
5.5.2 应用实例 [Page]
图5.16是一款三星32寸屏的背光板电路,采用一块BD9884FV驱动四组全桥功率放大电路,每组全桥功率放大电路承担两只升压变压器的激励驱动,一只BD9884FV完成了8只CCFL灯管的驱动工作。对于16只CCFL灯管的32寸液晶屏,用两只这样的集成电路就可以了。 
  采用这种方案的背光板实物(三星LTA320WT-L16的液晶屏配套背光板,编号为VIT75001.50),如图5.17所示,采用两块型号为BD9884FV的振荡控制集成电路驱动8组全桥功率放大电路,每组全桥功率放大电路驱动两只高压升压变压器,背光板上共计16只高压所以变压器及16根高压输出引线。
5.5.3 差拍干扰
多灯管液晶屏亮度控制PWM脉冲的频率会和屏的刷新频率(场频)产生差拍干扰,在屏幕上出现滚道干扰现象,低亮度显示时尤为严重。解决的方法是,把多灯管屏的灯管供电分成4组,四组灯管分开穿插放置,通过视觉抵消的方式消除干扰现象。多灯管排列的方式如图5.18所示。
对于多灯管屏的亮度控制,如果灯管在同瞬间供电,PWM的间断频率会和液晶屏的刷新频率产生差拍,导到处液晶屏出现滚道干扰、闪烁、亮度不均匀等现象。为了防止这种现象,多灯管屏一般把灯管分为4组,供电系统采用4个通道输出4路经过PWM调制的高频脉冲波,每个通道向一组灯管供电,通道之间输出的PWM调制脉冲依次移相900(在一个PWM周期内),使4组灯管达到轮流断电、供电,使亮度更均匀、干扰最小。图5.18左边是背光板输出的具有900相位差的4组高压,每组输出接4只灯管, 4组灯管交错排列,相同图案灯管的PWM相位相同。
需要注意的是,维修此类液晶电视时,维修人员应注意16根灯管的排列顺序的高压线的位置。特别是拆下背光板脱机维修时,修复后一定要按原来的位置、顺序还原,把对应的把高压线接到灯管上。 
5.6 保护控制电路的取样
保护控制电路的作用,就是将高压输出电压取样信号、CCFL灯管电流取样信号及灯管断路取样信号反馈至振荡控制电路,通过比较电路和基准电压进行比较;当取样信号异常时,控制振荡控制电路关闭输出,背光板进入保护状态。保护控制电路的取样如图5.19所示。
5.6.1 电压取样
CCFL1灯管的电压取样由C1、C2、D1、D2、C7完成,局部电路如图5.20所示。其主要作用是,当某只灯管出现过压现象时,促使前端电路进行保护控制。
C1、C2组成串联电容分压取样电路(与电阻分压取样相比,这种取样电路它的优点很多:不消耗能量、是输出谐振的一部分、电路的Q值不降低),取样电压的大小由C1、C2的比值决定,取样电压比正比于电容比C1/C2的倒数。取出的电压是交流,经过D1整流、C7滤波后送往保护控制电路。D2起续流作用:因为D1整流后要有一个直流流通的回路,而C2无法形成直流流通回路。OVP是振荡控制电路的电压取样输入端。
这是一只CCFL灯管的电压取样电路。对于多灯管电路,只要把整流输出连接在一起再送入振荡控制电路的OVP输入端就可以了。
灯管工作电流取样的局部电路如图5.21所示。其主要作用是,在CCFL灯管出现过流现象时,促使前端电路进行保护控制。
电流取样由R1、D3、C8完成。R1和CCFL1灯管串联,流过灯管的电流和R1两端的电压成正比。。R1上的取样电压也是交流,经过D3、C8整流滤波后,送往振荡控制电路的电流检测输入端FB (主要是过流取样保护)。
同样,对于多灯管电路,只要把整流输出连接在一起再送入振荡控制电路的FB输入端就可以了。只要有一只CCFL灯管出现过流,FB端电平即上升。
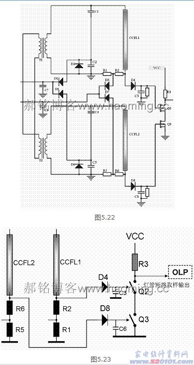
5.6.3 多灯管屏背光灯管断路取样 
取样的局部电路如图5.22所示。其主要作用是,当多只CCFL灯管中某一只灯管损坏、无电流时,促使前端电路进行保护控制。 
实际上,多灯管屏的背光灯管断路取样电路仍然是对每只CCFL灯管的电流进行取样。各只CCFL灯管取样的结果同时输入一个等效的“与门”电路,只要有一只灯管没有电流,“与门”电路即输出一个控制电压去保护控制电路,进入保护状态; 
图5.22中,涉及灯管断路取样的元件有R1、R2、D4、C3、Q2、Q3、R3、D8、C6、R5、R6等。R1、R2是CCFL1灯管的电流取样电阻(因为灯管断路保护要求其取样电压高于电流取样电压,所以R1、R2串联取样),取样结果经D4、C3整流滤波后输出至“与门”电路Q2的栅极;R5、R6是CCFL2的电流取样电阻,取样结果经D8、C6整流滤波后输出至“与门”电路Q3的栅极。  
Q2、Q3两只N沟道MOS管串联在一起组成“与门”电路,等效于两只串联的开关,其等效电路如图5.23所示。两只CCFL灯管断路取样的电压分别是两只等效开关Q2、Q3的控制电压:当两只CCFL灯管都正常时, D4、D8都有整流输出, Q2、Q3都被触发导通,OLP端为低电平。只要有任意CCFL损坏无电流,OLP端都为高电平,保护控制电路就进入保护状态。 
 
OLP是灯管断路保护信号输入端,正常工作情况下为低电平,图5.23中;不管是那一个背光灯管灯管,只要有一只灯管出现断路现象,灯管电流取样电路都会使OLP端电压升高;这个高电平进入集成电路的断路保护端OLP(此端正常工作为低电平),集成电路停止激励输出。
不同的集成电路背光灯管断路保护控制的方式不同,保护电平的设置也不同;有的采用低电平保护(OLP端低电平进入保护状态)也有采用高电平保护(OLP端高电平进入保护状态),作用都是一样,此时背光板的灯管断路信号取样电路也要相应变化。
5.6.4集成电路中的保护控制电路
背光板振荡控制集成电路中保护控制部分的框图如图5.24所示。 
FB是CCFL灯管工作电流取样输入,正常工作时为低电平。FB端取样信号通过电流比较电路和基准电压(REF)设置的阈值相比较,如果CCFL灯管出现异常,则FB电压升高,电流比较电路输出一个误差控制电压,经过保护延时后切断激励信号的输出(如果FB电压轻微变化则控制PWM调制电路改变背光灯管的亮度达到电流稳定)。 
OVP是高压输出电路送来的高压取样电压输入端,主要用于监测背光板的高压输出有无过压现象,正常时为低电平。取样信号进来后;OVP端取样信号通过电压比较电路和基准电压(REG)设置的阈值相比较,如果输出高压出现过压,则OVP电压上升,电压比较电路输出一个误差控制电压,经过保护延时后切断激励信号的输出。 
OLP是多背光灯管屏的某一只灯管断路取样输入端,不同的集成电路电平的设置不同,有的设置为低电平保护,有的设置成高电平保护(要和相应的背光板设计是取样电路配合)。 
5.6.5 保护延时电路的作用 
保护延时电路非常主要。我们知道背光板各部分电路的反映都是非常迅速的,如果高压输出出现过压现象,电路会立即动作、切断信号,进入保护状态。问题是,背光板的负载是气体放电的CCFL灯管,正常工作时灯管两端电压为600~800V,在这个基础上输出高压取样是正常的;开机瞬间,由于CCFL灯管的点亮是滞后的(即便正常的灯管,滞后1秒都是常有的情况,这对于电子线路来说太漫长了),CCFL灯管没有触发放电,输出高压达到1200V以上,甚至超过1600V,这时的取样电压OVP将会异常地高。尽管电路和灯管都没有问题,但是保护电路会认为输出高压异常而把输出激励信号切断。 
电流取样、灯管断路取样也面临着同样的问题,所以在保护控制电路中设置了一个保护延时电路,避开CCFL灯管开机的滞后时间。 
对于某些开机严重滞后的CCFL灯管,特别是在环境温度较低的冬天,有的会滞后2~3秒甚至更多,保护电路等不了这么长的时间,液晶电视开机闪亮一下就自动关闭了,这种情况确实令人束手无策(现在这种质量差的CCFL灯管还是比较多的)。于是,有的生产厂干脆把保护电路全部取消(现在很多厂都在这么做),经过一段时间的观察,问题还真的解决了。回过头来,分析背光板过压、过流保护的意义确实也不大(不像一般的开关电源,取消保护会有巨大风险),甚至有点多余。某些厂家把生产的液晶电视背光板的保护控制电路取消后,所销售液晶电视的故障率大大下降。甚至某进口品牌液晶电视生产厂家,发给特约网点的技改方案就是取消背光板的灯管断路保护控制电路。鉴于此,在掌握背光板电路原理的情况下,维修师傅也可以如法炮制。 [Page]
图5.24所示集成电路CTIMR端子的外接电容C就是设定保护延时时间的电容,容量大则延时时间长,容量小则延时时间短。REF是基准电压输出端,主要是为需要基准电压的外围电路准备的。
