该机电源板板号为
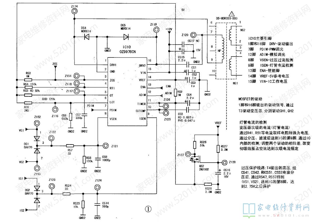
40-A112C1-PWE1XG(图纸),主芯片是IC10(
OZ9976),其电路如图1所示。一用户反映该机最初故障为无图像,屏幕是黑的,有伴音也能换台,遥控器都正常,找人维修后变为现在的不通电的故障。拆开后发现电源高压一体板上高压部分多处被修的痕迹,高压逆变器部分的PWM MOS管已经不知所踪, F1(3.15A)保险已经损坏。换上保险后,高压逆变器部分的MOS管不安装,通电后测量电源还是正常的,把电源板上的3.3V对P-ON短接,让电源板强行工作,测量电源主滤波电容两端电压有380V左右,说明功率因数校正PFC电路工作也正常,烧保险估计是高压逆变部分有故障。
测量U501背光灯高压逆变PWM控制芯片OZ9976CN的15脚供电电压为12V正常,①脚和16脚(DRV脉冲驱动)电压均为12V,正常应该是4V左右,检查OZ9976CN的外围,除了D501、D502、A7W16(A7W16是两只二极管组成的三脚贴片二极管)被换成三极管外没有发现其他问题。把换错的和缺少的元件补上,然后换上OZ9976CN, 并在保险处串一只灯泡通电,让电源板强行工作,灯泡闪亮一下即恢复正常了,回装后开机背光亮,试机一切正常。
测量U501背光灯高压逆变PWM控制芯片OZ9976CN的15脚供电电压为12V正常,①脚和16脚(DRV脉冲驱动)电压均为12V,正常应该是4V左右,检查OZ9976CN的外围,除了D501、D502、A7W16(A7W16是两只二极管组成的三脚贴片二极管)被换成三极管外没有发现其他问题。把换错的和缺少的元件补上,然后换上OZ9976CN, 并在保险处串一只灯泡通电,让电源板强行工作,灯泡闪亮一下即恢复正常了,回装后开机背光亮,试机一切正常。
正常工作时OZ9976CN工作电压:①脚为4.0V、②脚为0V、③脚为0V、④脚为1.0V、⑤脚为0.8V、⑥脚为0.15V、⑦脚为0.5V、⑧脚为1.8V.⑨脚为0.1V、10脚为0.15V、11脚为0.15V、12脚为5.0V、13脚为4.0V、14脚为5.0V、15脚为12V、16脚为4.0V。
版权声明:本文为转载文章,版权归原作者所有,欢迎分享本文,转载请保留出处!
