TCL L40E77液晶电视热机花屏的故障维修

2022-11-26 20:00:25  阅读 1028 次 评论 0 条
摘要:

接修一台TCL L40E77液晶电视,故障表现为开机一会儿后图像上有多条水平断续白线,如图1所示,再过一会儿屏 上出现竖条纹,如图2所示。 在故障出现时字符一

      接修一台TCL L40E77液晶电视,故障表现为开机一会儿后图像上有多条水平断续白线,如图1所示,再过一会儿屏 上出现竖条纹,如图2所示。

TCL L40E77液晶电视热机花屏的故障维修 第1张

TCL L40E77液晶电视热机花屏的故障维修 第2张

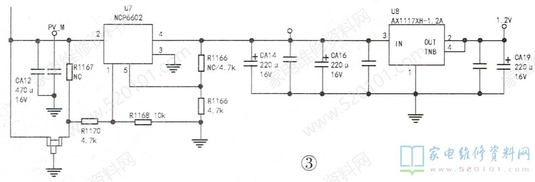
      在故障出现时字符一直正常,由此判断液晶屏与逻辑板是好的,问题应在主板上。测量主板上的各组直流电压,发现稳压块U8输出电压为0.9V,且不稳定,而正常值应为1.2V。检查此部分电路,如图3所示,代换U7、U8无效,怀疑故障系滤波不良所致。代换电容CA12、CA14、CA16、CA19后试机,故障排除。

TCL L40E77液晶电视热机花屏的故障维修 第3张

版权声明:本文为转载文章,版权归原作者所有,欢迎分享本文,转载请保留出处!