TCL L37F11液晶电视图像无彩色的故障维修

2022-09-21 19:31:35  阅读 1104 次 评论 0 条
摘要:

接修一台TCL L37F11型(MT23L机芯)液晶彩电,所有信号源图像均无彩色。该机芯主芯片采用MT8223L(UO01)。图像无彩色的主要原因有:(1)主程序异常;(2)27MHz主频时钟信号频率偏移

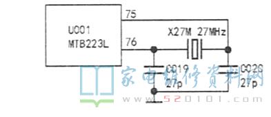
       接修一台TCL L37F11型(MT23L机芯)液晶彩电,所有信号源图像均无彩色。该机芯主芯片采用MT8223L(UO01)。图像无彩色的主要原因有:(1)主程序异常;(2)27MHz主频时钟信号频率偏移或幅度不够;(3)LVDS信号传输通道有问题(LVDS信号插座、排阻、电感、过孔等存在开路或短路故障);{4)显示屏的参数不对;(5)u001内部的LVDS信号编码电路有问题。先对主程序进行升级,结果故障现象不变。检测LVDS信号插座、排阻、电感、过孔,未发现异常。接下来对27MHz晶振电路(见图1)进行检查,当手刚接触到晶振时,图像有变化,代换27MHz晶振后试机,图像恢复正常彩色,故障排除。

TCL L37F11液晶电视图像无彩色的故障维修 第1张

版权声明:本文为转载文章,版权归原作者所有,欢迎分享本文,转载请保留出处!