接修一台TCL L40P10BD型(MS68机芯)液晶彩电,在所有工作模式下均无声音。该机芯主芯片采用MST6M68FQ(U201),音频功放块为
TAS5706(U601)。无声故障的主要原因有:(1)u601输出滤波网络或扬声器有问题;(2)功放块U601供电异常或外围元件损坏;(3)u201异常,导致没有串行音频数字信号输出;(4)存储器中的音频软件数据错误,致使U201、U601无法对声音信号进行解调和处理;(5)U601本身损坏。
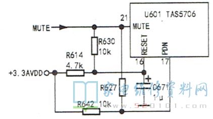
首先用万用表RX1挡断续碰触U601①、②脚(输出端),扬声器能发出“喀、喀”声,表明输出滤波网络与扬声器无问题。接下来用示波器测量U601的信号输入端22、23、25、34脚波形,发现输入正常。接下来测量U601的V_AUDIO( +24V)及+3.3AVDD供电,均正常;测静音端21脚为2.6V高电平,说明故障并非U601供电或静音电路启动所致,判断U601的外围元件或U601本身损坏。对U601的16脚(RESET)、17脚(PDN)的外围元件R614、C671、R642进行检查,如图1所示,发现R642已开路。U601的16脚是复位端,开机瞬间低电平复位,开机后呈高电平。17脚为逻辑时钟开启与停止控制端,高电平为开启。更换R642后试机,故障排除。
首先用万用表RX1挡断续碰触U601①、②脚(输出端),扬声器能发出“喀、喀”声,表明输出滤波网络与扬声器无问题。接下来用示波器测量U601的信号输入端22、23、25、34脚波形,发现输入正常。接下来测量U601的V_AUDIO( +24V)及+3.3AVDD供电,均正常;测静音端21脚为2.6V高电平,说明故障并非U601供电或静音电路启动所致,判断U601的外围元件或U601本身损坏。对U601的16脚(RESET)、17脚(PDN)的外围元件R614、C671、R642进行检查,如图1所示,发现R642已开路。U601的16脚是复位端,开机瞬间低电平复位,开机后呈高电平。17脚为逻辑时钟开启与停止控制端,高电平为开启。更换R642后试机,故障排除。
提示:不可像修模拟功放那样,在信号输入端用感应法输入人体信号来判定数字功放是否正常,即使数字功放正常,也不会输出音频信号。
版权声明:本文为转载文章,版权归原作者所有,欢迎分享本文,转载请保留出处!