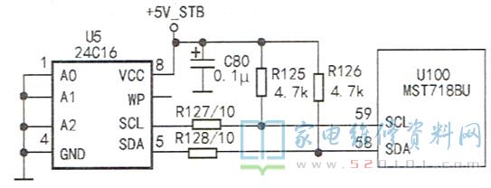
接修一台TCL LCD32K73型液晶彩电,接通电源开关后红色待机指示灯亮;按“开机’键后,指示灯不熄灭(正常时应熄灭)。经查,主板上+5V_ STB、+12V、+5V、+3.3V及+1.8V电压均正常,表明主控芯片已发出开机信号,且开关电源基本正常,故障可能是系统在运行启动程序BOOT时受阻所致。由液晶彩电的开机过程得知:在CPU工作条件满足的前提下,MCU的开/待机端(P ON/OFF )会发出正常的开机信号,主开关电源开始工作,主板上各单元电路相继开始工作,使系统完成开机任务,正式进入开机状态。如果某电路因故(电路本身或供电故障)不能工作,MCU就可能中断启动程序的运行。该机的启动程序存储在EPROM存储器U5(24C16)中(注:近年生产的彩电启动程序通常存储在FLASH存储器中),系统在运行启动程序BOOT时,MCU要通过I2C总线与EPROM通讯,如图1所示。

于是检查U5⑤、⑥脚的总线电压,发现时钟线⑥脚电压为4.8V,但数据线⑤脚电压却为0V。经查上拉电阻R126虚焊。重焊后试机,时钟线电压恢复正常,故障排除。
版权声明:本文为转载文章,版权归原作者所有,欢迎分享本文,转载请保留出处!