TCL LCD42K73B液晶电视指示灯亮但不开机

2022-07-26 17:07:38  阅读 1222 次 评论 0 条
摘要:

接修一台LCD42K73B液晶彩电,接通电源开关后红色待机指示灯亮,按开机键后指示灯闪烁数秒后常亮,但不开机。经查,在指示灯闪烁期间,主板上有+24V电压,同时还测得+5V、+3.3V电压均正常。根据上例

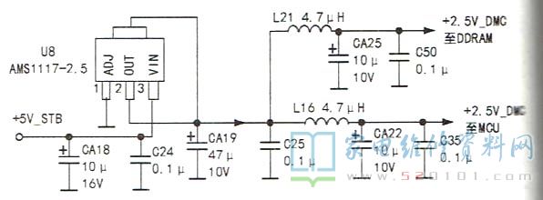
      接修一台LCD42K73B液晶彩电,接通电源开关后红色待机指示灯亮,按开机键后指示灯闪烁数秒后常亮,但不开机。经查,在指示灯闪烁期间,主板上有+24V电压,同时还测得+5V、+3.3V电压均正常。根据上例提示,先查MCU( MST9X88L )+3.3V、+2.5V+1.8V相关端子供电,发现MCU(U9)的106、112、117、132及144脚电压均为0V。该电压来自稳压器U8,如图1所示。

TCL LCD42K73B液晶电视指示灯亮但不开机 第1张

      此电压既是MCU内核工作电压之一,也是DDRAM存储器U11(HY5DU281622ET )工作电源,它丢失后必然会使系统启动程序不能完成。检查发现U8输入端③脚外接电容C24、CA18正极有+5V_ STB电压,但U8③脚却没有+5V_ STB电压。仔细观察,发现U8③脚已脱焊。加锡重焊后,+2.5V输出电压正常,故障排除。

      提示:二次开机后若待机指示灯闪烁一段时间后常亮,可先查MCU、EEPROM FLASH、DDRAM存储器、背光板、逻辑板等电路所需电源电压是否正常,以防走弯路。

版权声明:本文为转载文章,版权归原作者所有,欢迎分享本文,转载请保留出处!