TCL L50E5692液晶电视开机指示灯闪烁数次二次不开机

2022-07-13 18:32:57  阅读 946 次 评论 0 条
摘要:

接修一台TCL L50E5692型机(MS901K机芯),在按下“待机/开机”键后,红色待机指示灯闪烁数次后又重新点亮,不能二次开机。在按下“开机/待机”键后,测插座P001 10脚有正常的开机高电平,约

      接修一台TCL L50E5692型机(MS901K机芯),在按下“待机/开机”键后,红色待机指示灯闪烁数次后又重新点亮,不能二次开机。在按下“开机/待机”键后,测插座P001 10脚有正常的开机高电平,约五六秒后开机高电平消失,说明U400内CPU的工作条件基本满足,问题可能是U400在运行中引导程序( BootLoader )或复制内核数据到DDR3存储器时受阻。

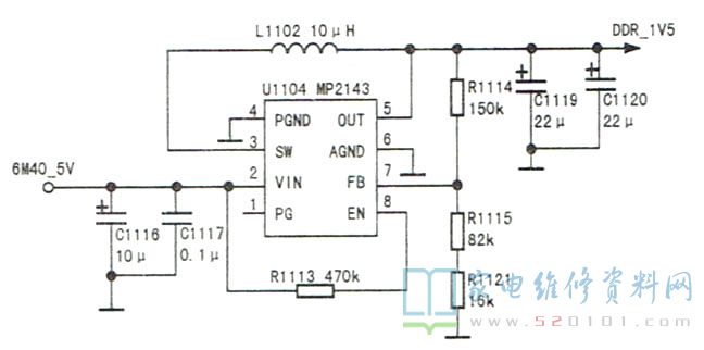
     进一步测量发现,在待机指示灯闪烁期间,U400的3V3SB、+3V3、+2V5及内核+1V15供电均正常,但U400内DDR缓存器的DDR 1V5 供电却为0V。进而测量DDR3存储器U1301 ~U1304(K4B2G1646C)的DDR 1V5供电也为  0V。DDR 1V5 电压是通过两步变换得到:第一步是+24V电压经DC/DC转换器U1105 ( TPS54331)得到6M40_ 5V,第二步是6M40_ 5V电压经DC/DC转换器U1104( MP2143 )得到DDR 1V5,如图1所示。

TCL L50E5692液晶电视开机指示灯闪烁数次二次不开机 第1张

     测得U1104输入端的6M40_ 5V电压正常,但输出端电压却为0V。手摸U1104表面没有温升,排除负载短路的可能性。检查U1104外围元件,发现输出滤波电感L1102一端虚焊,补焊后试机,故障排除。

版权声明:本文为转载文章,版权归原作者所有,欢迎分享本文,转载请保留出处!