TCL L43F5390A-3D液晶电视显示网络连接失败的维修

2022-05-09 18:00:44  阅读 806 次 评论 0 条
摘要:

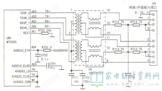
接修一台TCL L43F5390A-3D液晶电视(MT55机芯),上网时,屏显“网络连接失败”,绿色上网成功指示灯不能点亮。经查,上网插座P6内的插针没有变形弯曲现象,网络变压器引脚焊接点也没有开裂现象。

      接修一台TCL L43F5390A-3D液晶电视(MT55机芯),上网时,屏显“网络连接失败”,绿色上网成功指示灯不能点亮。经查,上网插座P6内的插针没有变形弯曲现象,网络变压器引脚焊接点也没有开裂现象。测量主芯片UM1网络信号处理电路中的+3.3V供电正常,接下来测量该机UM1的网络信号输入端AD2/AE2、AD3/AE3及AE1、AE4等脚电压(相关电路见下图),发现AE4脚电压约为0V,明显偏低。检查该脚外接元件,发现C701(10uF)漏电。换新C701后试机,故障排除。

TCL L43F5390A-3D液晶电视显示网络连接失败的维修 第1张

版权声明:本文为转载文章,版权归原作者所有,欢迎分享本文,转载请保留出处!