TCL L50F3600A-3D液晶电视3D图像时向上翻滚的故障维修

2022-05-09 18:07:14  阅读 1068 次 评论 0 条
摘要:

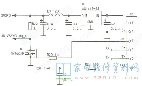
接修一台L50F3600A-3D液晶电视(MT55机芯),在收看3D节目时图像向上翻滚。当用户打开3D功能时,主芯片UM1会通过3D_ EN端口给显示屏发出一个3D使能信号,屏进入3D工作状态;同时,主板

      接修一台L50F3600A-3D液晶电视(MT55机芯),在收看3D节目时图像向上翻滚。当用户打开3D功能时,主芯片UM1会通过3D_ EN端口给显示屏发出一个3D使能信号,屏进入3D工作状态;同时,主板启动3D背光驱动模式,UM1提供3D_ DIM控制。接下来,主板通过蓝牙发射电路天线向眼镜镜框内的蓝牙接收电路发送3D复位信号和场同步信号,使镜片开关电路和镜片驱动电路与液晶屏同步工作,以正常观看3D节目。为区分故障部位,试用该机眼镜在同品牌其他机上观看3D电视,一切正常,显然问题在电视机内部。重点检查3D_VSYNC电路,如图所示,发现电阻R22一端虚焊。补焊后试机,故障排除。

TCL L50F3600A-3D液晶电视3D图像时向上翻滚的故障维修 第1张

版权声明:本文为转载文章,版权归原作者所有,欢迎分享本文,转载请保留出处!