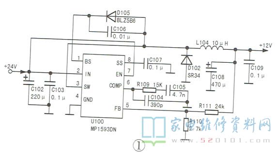
接修一台TCL L40P60FBD液晶电视(MS81L机芯),故障表现为黑屏,无图、无声。接通电源后,待机指示灯亮;按遥控“开机”键后,待机指示灯闪烁一段时间后变为常亮(正常时应熄灭)。上电测量主板插座P100⑦脚有+5VSB待机电压,在待机指示灯闪烁期间,12脚也有+24V主电压,据此说明U501已输出开机信号。测逻辑板PANEL_VCC( +12V)上屏电压为0V。+24V 电压经DC-DC转换块U100(MP1593DN)降为+12V,如图1所示,再经开关管Q106控制后供给逻辑板。经查,U100输入端②脚+24V电压正常,但输出端③脚电压却为0V。查U100外围元件没有异常,怀疑U100损坏,但换新后故障不变。经查是U100①脚与自举电容C106连接的过孔不通,用导线连接后试机,故障排除。

版权声明:本文为转载文章,版权归原作者所有,欢迎分享本文,转载请保留出处!