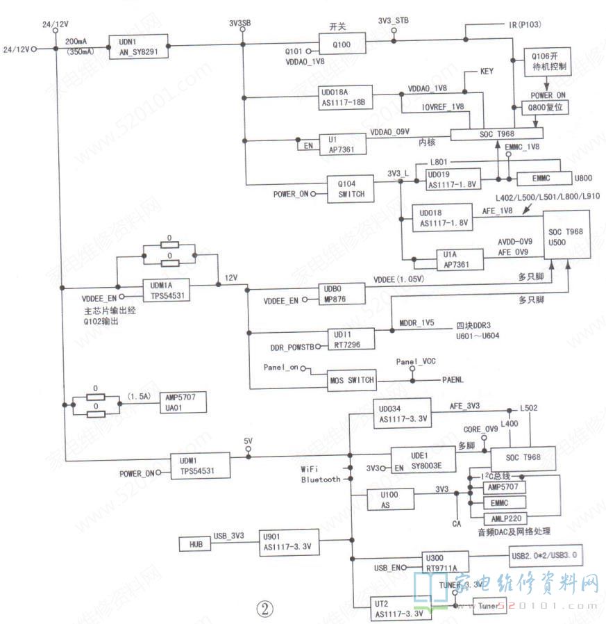
接修一台 TCL D55A620U型机,上电后指示灯亮,二次不开机,通电试机,面板指示灯闪烁,由此推断主芯片已启动。该机主板供电系统如图所示。上电,测得UDN1输出3.3V,Q100输出3.3V,UD018A输出1.8V,U1输出0.9V,Q104输出3.3V,UDM1A输出12V,UDB0输出0.9V,UDI1输出1.5V,均正常。接下来检查DDR电路,发现一只DDR的基准电压仅为0.4V,而另三只DDR的基准电压均为正常值0.75V,检测电压异常这一路,发现电容C608(1uF )漏电。更换C608后试机,故障排除。
版权声明:本文为转载文章,版权归原作者所有,欢迎分享本文,转载请保留出处!
