近期客户送修一台TCL AT2121 CRT彩电,好久都没有修过CRT彩电了。客户说无规律不开机或者自动关机。到店子里开机正常,拆开检查未发现问题。怀疑元件虚焊,于是补焊电源和扫描部分。破坏实验没问题装机试机,试放数小时正常。 
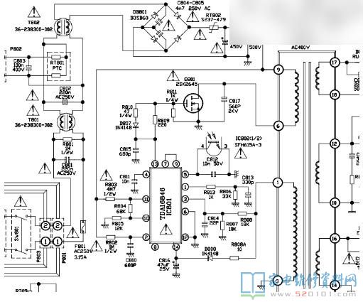
可是客户拿去大概半小时又送过来说故障依旧。重新拿回店子里开机还是正常,于是还是开盖检查,没发现任何问题。必须带上机器上门检查了,确定交流电插座正常且没有接触不良问题后,正好遇上问题出来,开盖检测,发现客户那里的220V有238V,导致机内300V高达330V,于是认定是过压保护了。经查,电源IC10脚是经过4.7M电阻接300V的,查资料,当10脚电压超过1.2V伏IC就会保护。
 
		
		可是客户拿去大概半小时又送过来说故障依旧。重新拿回店子里开机还是正常,于是还是开盖检查,没发现任何问题。必须带上机器上门检查了,确定交流电插座正常且没有接触不良问题后,正好遇上问题出来,开盖检测,发现客户那里的220V有238V,导致机内300V高达330V,于是认定是过压保护了。经查,电源IC10脚是经过4.7M电阻接300V的,查资料,当10脚电压超过1.2V伏IC就会保护。
问题查到了,那就好解决了,当知道客户有没有稳压器解决时,只能自己想办法了。动态电源不能用稳压管,只能试试看取了个220k电阻降压,把电压从超过1.2V拉回到0.9V左右。经反复试机,能正常开机、播放。客户试机一整天,未再出现故障。
  
 
			版权声明:本文为转载文章,版权归原作者所有,欢迎分享本文,转载请保留出处!
			
		
		
		
		
		
		
	