TCL L40F11液晶(MS48机芯)屏亮即熄 (图)

2017-05-16 19:26:44  阅读 506 次 评论 0 条
摘要:

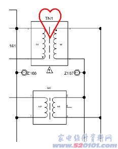
故障现象:屏亮即熄维修分析:此板是电源组件板,测保险正常,MOS管没有短路现象,上电3.3V电压正常,强制开机后24V正常。上机架带背光屏亮即熄,背光保护指示灯闪烁测SG3525供电脚电压15V左右正常。于是开机的时

故障现象:屏亮即熄 维修分析:此板是电源组件板,测保险正常,MOS管没有短路现象,上电3.3V电压正常,强制开机后24V正常。上机架带背光屏亮即熄,背光保护指示灯闪烁测SG3525供电脚电压15V左右正常。于是开机的时候用鼻子闻高压变压器有没有拉弧臭味,在闻的同时不经意听到变压器TN1有很小的嘶嘶响声。怀疑是TN1变压器打火,更换TN1变压器正常,出现不定时黑屏故障时可以跟换一下变压器。 
TCL L40F11液晶(MS48机芯)屏亮即熄 (图) 第1张·
版权声明:本文为转载文章,版权归原作者所有,欢迎分享本文,转载请保留出处!