【例1】故障现象:不开机
分析与检修:通电测5v待机电压正常,强制开机后测试发现:瞬间有12V、24V电压,然后慢慢下降至0V。这有可能是保护电路或电源带不起负载造成的。测试PFC输出的滤波电容C5上的电压为300V,说明PFC电路没有工作(如图2),测试PFC电路的主控Ic2(L6563)的14脚供电电压,也是慢慢下降。说明VCC的供电电路异常。断开保护电路中的RS20后,再次测量输出电压,正常,说明故障在保护电路,为进一步确认是过压还是过流异常,分别测试DS7、DS8的正极,均没有电压,因此可以排除过压保护误动作。接着测试DS10和DS11的正极,发现都有高电平,说明是过流保护电路动作。但是此时机器没有带负载。经进一步检查测量,发现是IC4(LM393)电流比较器损坏造成的误动作。更换IC4后,故障排除。PWL37C电源板实物标注图见图1所示。
【例2】故障现象:不开机,指示灯亮
分析与检修:因为指示灯亮,基本可以判断电源板上的待机电路正常,通电后测试却发现:待机5V电压只有4V左右,但是可以强制开机。说明是5V待机电压低造成了数字板不上作,因电源饭收不到开机信号,就一直处于侍机状态。因电压低,首先检查待机稳压电路,没有发现异常。经查是待机滤波电容CB7或CB8损坏(如图3所示),此种故障空载时5V正常,带负载后5V电压低(修理时5V待机电路故障是比较容易被忽视的地方)。
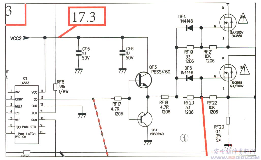
【例3】故障现象:不开机,指示灯亮
分析与检修:测电源5V正常,用导线连接电源开机脚,使其强制开机,还是没有正常的24V输出,测PFC电压为300V,正常时为380V,检测PFC电路的主控IC2的14脚的供电电压为18v,正常,说明电源的VCC供电全部正常。进一步对IC2各脚电压进行比较(如图4),只有13脚电压时有时无。本着先易后难的思维,当代换到L6563外围QF4三极管时,电路恢复到24V、380V,正常,装回后试机,一切正常。
维修小结:此机为推挽电路损坏,造成电源电路不能正常工作。
【例4】故障现象:不开机,指示灯亮
分析与检修:因为指示灯亮,可以判断5V待机电路工作基本正常。通电开机后,首先测试5V侍机输出电压,果然正常。而且数字板也输出开机信号。说明问题在电源板。测试VCC电压也正常,排除了保护电路和VCC电路的异常。测PFC电压只有300V,正常为380V,说明PFC电路没有正常的工作,顺着查IC2(L6563)的供电脚14脚,电压为18V正常,于是代换IC2(如图5),通电故障依旧。依次对比测试IC2各个引脚的电压和电阻,发现IC2的③脚电压为0v。关机用电阻挡测③脚对地阻值,正反向均为30Ω,因IC2已经换新,应该是IC的外接元件异常。进一步检查发现,与IC2相日连的CF2漏电,换新后检测,各电路未见异常,遂通电试机,12V、24V、380V电压均正常。机器修复。
维修小结:此机为CF2漏电引起IC2的③脚电压降为零,造成IC2小能启动,致使无正常的PFC电压。CF2该脚通过取样电阻得到正弦信号参考,根据输入电压变化调整输出电压。 
TCL PWL37C系列电源维修实例分析(下)
2015-09-01 18:16:48
阅读 322 次
评论 0 条
版权声明:本文为转载文章,版权归原作者所有,欢迎分享本文,转载请保留出处!


