接修一台TCL2568型彩电,开机有伴音有图像,但图像行幅不足,左右各有1cm宽的暗区,且左右两侧中部向内收缩3cm,属典型的枕形失真(见图1)。
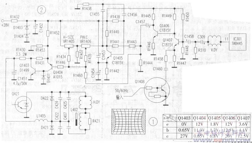
从故障现象分析,判断故障出在左右枕形失真校正电路,原理图如图2所示。其工作原理是:场输出块IC301(TA8445){11}脚输出场锯齿波电流,经场偏转线圈、C309在R310(1Ω/1W)两端形成幅值为1.5Vp-p的锯齿波电压,经C1458耦合到Q1407 b极,其耦合幅度受Q1408工作状态的控制。即在接收50Hz场频信号时Q1408截止,在接收60Hz场频信号时Q1408导通,以保证在此方式下仍能获得足够的锯齿波电压幅度。Q1407、Q1406及其偏置回路组成场锯齿波前置放大电路,Q1405及其积分网络阻容元件组成场抛物波形成电路。其中,Q1405为场频抛物波形成管,其b、c极间接有C1455、C1456、R1438组成的T形积分网络,e极接有C1453、C1454、R1442组成的积分网络。正是由于这两个网络的共同作用,使Q1405 b极输入的线性良好的场频锯齿波电压转换为上凸场频抛物波电压,并从其c极输出,经R1467、VR1406、VR1405、R1466等进行枕形校正及幅度调整后作用于Q1404 b极,经Q1404、Q1403放大及倒相后在Q1403 c极输出下凹场频抛物波电压,经R1430加到枕校电容C1451正极,与其上直流电压叠加后形成调制电压,再通过电感L1405作用于S校正电容C407,这样C407两端电压被场频抛物波调制成上凸抛物波电压。而后此电压作用于行偏转线圈。调节VR1406,就可调整加到Q1404 b极的抛物波电压幅度,从而调整枕形失真校正量。V1405是行幅调节电位器,通过调节VR1405可改变Q1404、Q1403的直流偏置电压,从而控制枕校电容C1451两端的直流电压,达到调整行幅大小的目的。当C1451两端电压偏高时,行幅缩小;反之,行幅增大。C1451两端的直流电压由场频抛物波放大管Q1404、Q1403的工作状态决定。
图2中,Q421是行输出管,C424、C425、C422是行逆程电容,C407为S形校正电容,L1405为扼流圈,它将枕校调制电路产生的场频抛物波电压耦合到行输出电路,并将行输出电路的行频脉冲电压阻断。
行幅缩小,说明枕校电路直流通路工作不正常。用万用表直流电压挡检测时,发现Q1403 c极电压高达38V(正常值为27V),而b极电压为0.2V(正常值应为0.65V),说明Q1404、Q1403的直流工作点已发生偏移(实测枕校电路各管静态工作正常电压值参见附表)。将Q1404、Q1403拆下,用万用表直流电阻挡对其进行检查,未见异常。将Q1404、Q1403外围电阻、二极管进行检查,未见开路、击穿或虚焊现象,于是怀疑Q1404、Q1403性能不良。用正品D1499替换Q1403故障依旧,再用正品A1015替换Q1404后,故障排除。
江苏 陈贤国
从故障现象分析,判断故障出在左右枕形失真校正电路,原理图如图2所示。其工作原理是:场输出块IC301(TA8445){11}脚输出场锯齿波电流,经场偏转线圈、C309在R310(1Ω/1W)两端形成幅值为1.5Vp-p的锯齿波电压,经C1458耦合到Q1407 b极,其耦合幅度受Q1408工作状态的控制。即在接收50Hz场频信号时Q1408截止,在接收60Hz场频信号时Q1408导通,以保证在此方式下仍能获得足够的锯齿波电压幅度。Q1407、Q1406及其偏置回路组成场锯齿波前置放大电路,Q1405及其积分网络阻容元件组成场抛物波形成电路。其中,Q1405为场频抛物波形成管,其b、c极间接有C1455、C1456、R1438组成的T形积分网络,e极接有C1453、C1454、R1442组成的积分网络。正是由于这两个网络的共同作用,使Q1405 b极输入的线性良好的场频锯齿波电压转换为上凸场频抛物波电压,并从其c极输出,经R1467、VR1406、VR1405、R1466等进行枕形校正及幅度调整后作用于Q1404 b极,经Q1404、Q1403放大及倒相后在Q1403 c极输出下凹场频抛物波电压,经R1430加到枕校电容C1451正极,与其上直流电压叠加后形成调制电压,再通过电感L1405作用于S校正电容C407,这样C407两端电压被场频抛物波调制成上凸抛物波电压。而后此电压作用于行偏转线圈。调节VR1406,就可调整加到Q1404 b极的抛物波电压幅度,从而调整枕形失真校正量。V1405是行幅调节电位器,通过调节VR1405可改变Q1404、Q1403的直流偏置电压,从而控制枕校电容C1451两端的直流电压,达到调整行幅大小的目的。当C1451两端电压偏高时,行幅缩小;反之,行幅增大。C1451两端的直流电压由场频抛物波放大管Q1404、Q1403的工作状态决定。
图2中,Q421是行输出管,C424、C425、C422是行逆程电容,C407为S形校正电容,L1405为扼流圈,它将枕校调制电路产生的场频抛物波电压耦合到行输出电路,并将行输出电路的行频脉冲电压阻断。
行幅缩小,说明枕校电路直流通路工作不正常。用万用表直流电压挡检测时,发现Q1403 c极电压高达38V(正常值为27V),而b极电压为0.2V(正常值应为0.65V),说明Q1404、Q1403的直流工作点已发生偏移(实测枕校电路各管静态工作正常电压值参见附表)。将Q1404、Q1403拆下,用万用表直流电阻挡对其进行检查,未见异常。将Q1404、Q1403外围电阻、二极管进行检查,未见开路、击穿或虚焊现象,于是怀疑Q1404、Q1403性能不良。用正品D1499替换Q1403故障依旧,再用正品A1015替换Q1404后,故障排除。
江苏 陈贤国
版权声明:本文为转载文章,版权归原作者所有,欢迎分享本文,转载请保留出处!