1、5V供电异常
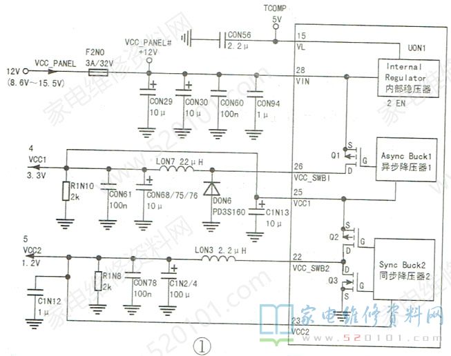
如果无5V电压输出,应先检查UON1的15脚外接5V供电负载(CON56)是否短路,然后检查UON1的28脚供电是否正常(正常值应大于8.6V),最后检查UON1;如果5V供电偏高,检查UON1(多为内部稳压问题);如果5V供电偏低,需先检查5V供电负载(CON56),然后检查UON1。相关电路见图1。
2.、VCC1供电异常
如果VCC1无输出,应先检查UON1的④脚外围电路,然后检查U0N1内部的异步降压器1和Q1;如果vCC1偏高,检查UON1中的异步降压器1;如果vCC1偏低,先检查UON1的②脚外围电路,再检查UON1。相关电路见图1。
3、 VCC2供电异常
如果vCC2供电无输出,先检查UON1的写脚输入的vCC1供电及25脚外围电路,然后检查U0N1中的同步降压器2、Q2、Q3;如果vcC2供电偏高,检查UON1中的同步降压器2;如果vcC2偏低,先查UON1的22脚外围电路,然后检查UON1。相关电路见图1。
4、VGL1供电异常
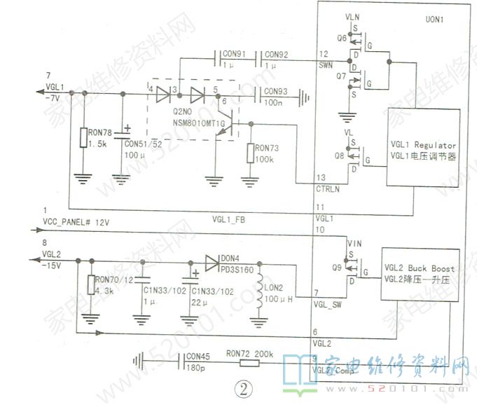
如果VGL1供电无输出,先检查UON1的12脚外围电路,然后检查VGL1的充、放电回路(含13脚外围电路),然后检查UON1;如果VGL1供电偏高,先检查VGL1负载,然后检查VGL1的充、放电回路,最后检查UON1;如果VGL1供电偏低,检查UON1内部的VGL1电压调节器。相关电路见图2。
5、 VGL2供电异常
如果vGL2供电无输出,先检查UON1的⑦脚外围电路,然后检查VGL2的充、放电回路,最后检查UON1;如果VGL2供电偏高,先检查vGL2负载,然后检查UON1;如果vGL2供电偏低,应检查UON1内部的VGL2降压-升压器。相关电路见图2。
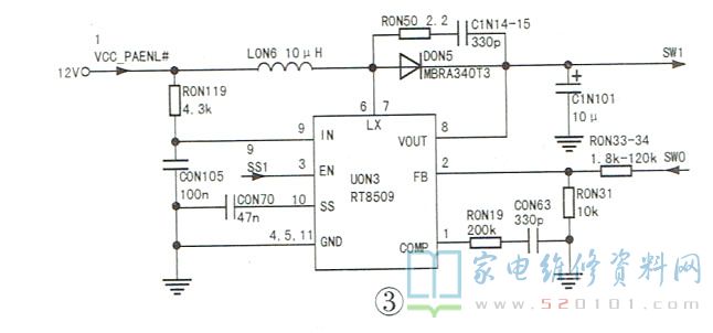
6、 SW1供电异常如果SW1供电无输出,先检查sW1供电输出回路,然后依次检查UON3⑨脚的供电、③脚输入来自UON1 19脚的SS1芯片使能信号、10脚外围的软启动电容、⑥脚外围的升压电路②脚外围的反馈回路、①脚外围的滤波电路,最后检查U0N3;如果SW1供电偏高,先检查U0N3②脚的反馈回路,然后检查UON3;如果sW1供电偏低,检查SW1供电输出回路是否过载,然后检查U0N3②脚外围的反馈回路及升压电路,最后检查U0N3。相关电路见图3。

7、VDD供电异常(含屡烧U0N5)
如果VDD供电无输出,先检查VDD供电回路,然后检查U0N1 42脚输出到U0N5信号通路、44脚VDD反馈回路,最后检查UON1;如果VDD供电偏高或屡烧UON5,先检查U0N1 44脚VDD反馈回路,然后检查U0N1;如果VDD供电偏低,先检查VDD供电回路,然后检查 44脚的VDD反馈回路,最后检查U0N1。相关电路见图4。

8. HVDD供电异常
如果HVDD供电无输出,先检查UON1 39脚的供电,然后检查HVDD供电回路,最后检查UON1;如果HVDD供电偏高,应检查UON1;如果HVDD供电偏低,先检查HVDD供电回路,然后检查UON1。相关电路见图5。

9. VGH供电异常
如果vGH供电无输出,先检查VGH供电回路,然后检查UON1;如果vGH供电偏高,先检查L0N4,然后检查U0N1;如果VGH供电偏低,先检查VGH供电回路,然后检查U0N1的52脚反馈回路,最后检查U0N1。相关电路见图6。

10.黑屏或白屏
首先检查机芯板送往TCON板的V-By-One信号,然后检查电源管理电路输出的各组供电(若某组供电异常,则按照前述方法检修),接着检查伽马校正vCOM电路(含I2C总线数据)及电平移相电路,最后检查屏体(栅极驱动、源极驱动电路)。