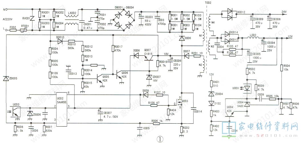
创维32E3500液晶电视配用的屏型号是HV320WHB-N81,电源背光二合一板型号是5800-A9R430-0P20 VER0020,其开关电源实绘电路如图1所示。
一、开关电源原理简析
该机无市电输入电源开关,上电后,220V交流电经DB0D1~DB0D4、CEOD3整流滤波产生约300V直流电,一路通过开关变压器TOD2的N1绕组加到开关管QOD3的漏极,另一路先由RX0D1~RX0D4分压得到约50V的直流电压,再经限流电阻ROD4、R0D5、R1D9送到电源芯片U0D2(丝印号:5AARDE)⑤脚,电源启动。T0D2的N2绕组产生的感应电压经D0D7、CE0D6整流滤波后产生约18V直流电压,由Q0D7、ZD0D7串联稳压后得到约15V直流电压,通过二极管DOD8送给U0D2⑤脚,以取代启动电压。T0D2的N3两端产生的感应电压经D0D13、D0D14、CE0D4、CE0D5整流滤波后,得到12V直流电压;N4两端产生的感应电压经D0D12、CE0D8、CE0D9整流滤波后,得到24V直流电压(待机时实测值约为28V),供给背光电路。
稳压过程:当12V输出电压升高时,由R5D4、R5D6、R5D7组成分压电路的取样电压升高,即三端精密稳压块U0D4(9A0C)的R极电压升高,则K极电压下降,光耦U0D3内部光敏管的导通程度加深,U0D2②脚电压下降,⑥脚输出的驱动脉冲占空比下降,Q0D3导通时间变短,TOD2储能减少,次级输出电压下降,从而达到稳压的目的,从而使输出的12V、24V电压保持不变。当12V输出电压下降时,其稳压过程正好与上述相反。电容COD3,电阻R0D1、R0D2、R1D3、R3D1、R0D3、R1D4及二极管DOD6组成尖峰脉冲吸收电路。
热端过压保护:当CE0D6两端电压超过18V时,稳压二极管ZDOD5导通,UOD2③脚电压超过3V ,过压保护启动,⑥脚无脉冲输出。冷端过压保护:R4D1、ZD0D4、DID2、Q0D4等元件组成过压保护电路。当12V电压过高时,稳压二极管zD0D4导通,三极管Q0D4导通,U0D3②脚电压大幅降低,U0D3内部光敏管深度导通,在IC内部电路的控制下,⑥脚输出脉冲占空比大幅下降,则12V、24V输出电压大幅下降,实现过压保护的目的。
提示:电源芯片U0D2的型号是NCP1251,可换用丝印号为273H20、LEP35或273H11等芯片。
二、故障维修实例
例1:一台创维32E3500型液晶电视,通电后绿灯一直闪烁(正常时.通电后红灯亮),不开机。
分析检修:测电容CE0D3两端电压为300V,正常;测开关电源输出的12V电压为4V且波动,24V电压为14V。测量负载无短路现象,说明故障在开关电源电路中。根据经验,判断稳压电路有问题,测取样电阻R5D4、R5D7、RSD6均正常,代换U0D3、U0D4和U0D2后,故障依旧,是不是过压保护电路动作了呢?测量Q0D4的基极电压为0.7V,正常时应为0V。检查稳压二极管ZD0D4,发现其稳压值约为5V,明显异常。换上一只稳压值为15V的稳压二极管后试机,故障排除。
例2:一台创维32E3500型液晶电视,故障现象同“例1”。
分析检修:测电容CEOD3两端电压为300V,正常;测开关电源输出的12V电压在7V-8V之间波动,24V电压为28V,且稳定;U0D2⑤脚电压在12V-13V之间波动,CE0D6两端电压约为11V且波动。代换CEOD6后试机,故障依旧。测Q0D7的发射极电压为0V(正常值为15V),基极电压也为0V(正常值应为16V)。测电阻ROD19和稳压二极管ZD0D7均正常,判断三极管Q0D6击穿或饱和导通。测Q0D6基极电压为0.7V,说明QOD6已饱和导通。测三极管Q0D5的基极电压为ov,正常值应为0.7V。检查Q0D5基极外接元件,发现电容C0D13击穿。将其换新后试机,故障排除。
提示:C0D13击穿后,Q0D5截止,Q0D6饱和导通,Q0D7因基极电压过低而截止,此时U0D2⑤脚只有启动供电,从而出现不开机现象。
