一台创维32E15HR液晶电视,工作半小时后会无规律自动停机,此时无声、无光,电源指示灯也不亮,遥控失效,拔下电源插头等一会儿再上电,又可以开机,随后自动停机。从故障现象来看,电源板、主板、背光板、逻辑板、屏体都有可能引起该故障。拆机观察,背光板和主板之间没有故障检测信号线(BL-ERR,如果背光有问题,故障一般是有声、无光)。主板和逻辑板之间也没有数据通信线(查线路图确实没有),这样也可以排除逻辑板和屏体的故障可能性,重点检查电源板。
在故障出现时需拔下电源插头,然后上电才能再开机,由此估计电源板可能进入了保护自锁状态。该机在主电源的次级电路中,设计有Q613、Q614等元件组成的自锁电路,如图1所示。
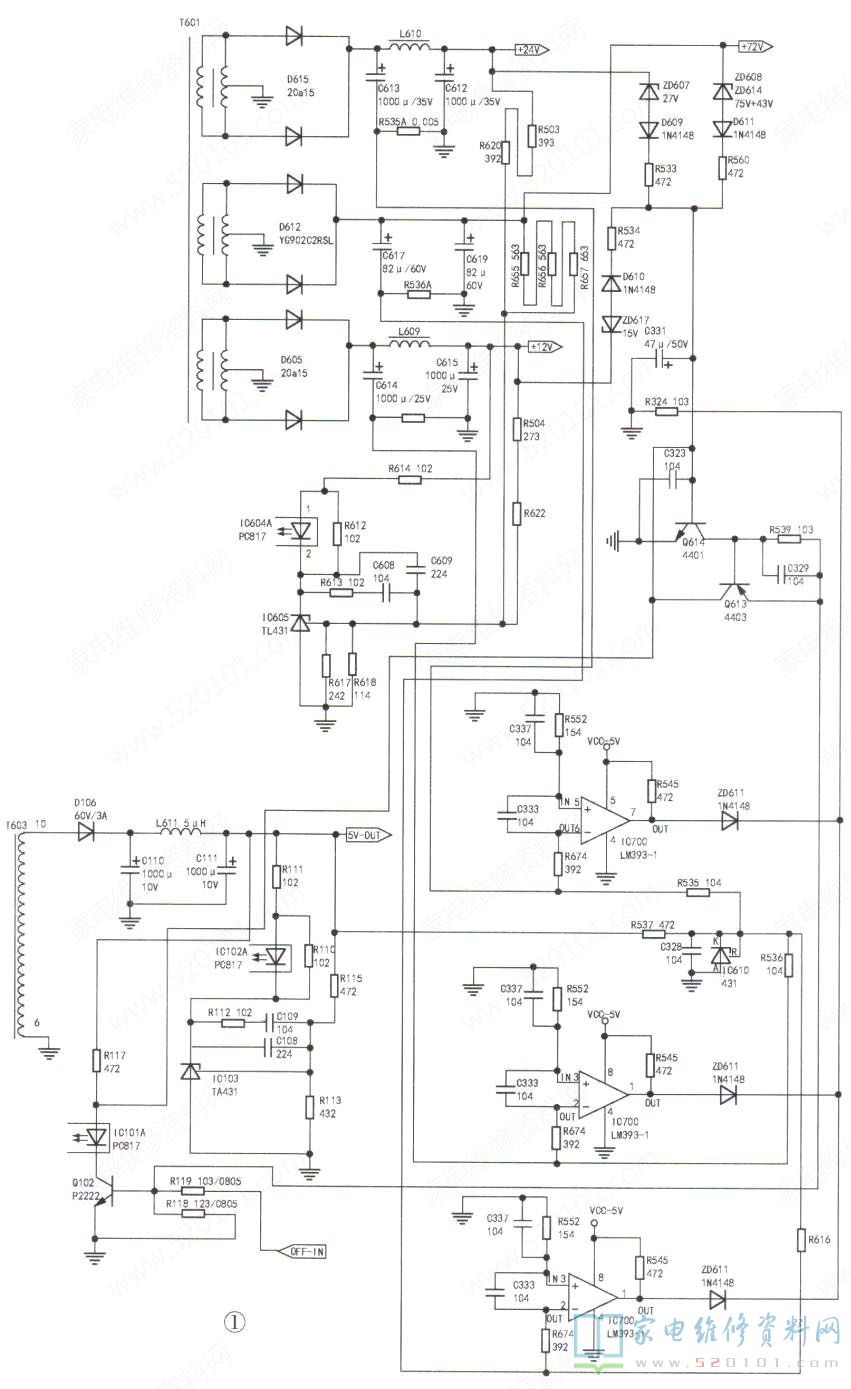
IC100(A6059 )和外围电路组成副电源,正常状态下,芯片启动后开关变压器的辅助绕组产生脉冲电压,经D102整流,C106滤波,产生一个辅助电压vCC,同时由D103整流,C105滤波形成的电压作为主电源和PFC电路的工作电压。开关变压器次级输出的脉冲电压由D106整流、C110滤波,形成5V电压供应主板,此时主板处于待机状态,POW -ON/OFF信号是低电平,Q102截止,光耦IC101截止,Q101截止,主电源及PFC电路得不到VCC电压。当主板收到开机指令后,POW-ON/OFF信号变高电平,Q102、IC101、Q101导通,VCC电压经Q101再由Q100稳压给主电源PFC电路供电。主电源共输出12V.24V、27V三组电压,这3组电压的后级滤波电容负极分别经过小阻值取样电阻R556、R535A.R536A接地。这3小阻值电阻.上的电压和流过滤波电容的电流成正比,其极性由电容的充放电状态决定:在开关电源向滤波电容充电时,其极性为左+右-;在电容向负载放电时,极性为左-右+。
IC700(LM393)、IC610(TL431)等元件组成电压比较电路,IC610是一个三端精密稳压源,由于其R极和K极相连,则基准稳压值为2.5V。下面以24V电压过流保护电路为例进行分析。R353A两端电压经R674接入IC700的⑥脚(反相输入端).IC700的⑤脚(同相输入端)通过R552接地。滤波电容C613充电时,IC700的⑥脚电压高于⑤脚电压,则⑦脚输出低电平,由Q613、Q614组成的模拟可控硅截止,Q102和光耦IC101正常工作。当C613处于放电状态且负载正常时,R535A两端的负电压绝对值较小,因IC700的⑥脚还有通过R353与IC610的K极相连,则此时IC700的⑥脚电压仍高于⑤脚电压,IC700的⑦脚仍输出低电平;当24V电压负载时,C613的放电电流大幅度增加,则R535A两端的负电压绝对值较大,IC700的⑥脚电压低于⑤脚电压,⑦脚输出高电平,通过D611使Q613.Q614导通并自锁,将光耦IC101的①脚电位拉低,IC101.Q101截止,切断主电源和PFC电路的vCC供电,上述电路停止工作。由于模拟可控硅处于自锁状态,因此只有拔下电源插头,待电路放电结束后再上电才能再次开机。R535A、R536A.R556阻值仅为5m2,实为一段康铜丝(工作时其二端电压也是极小的),如图2所示。
如果这几只电阻引脚有接触不良情况,就会出现误保护故障。用高倍放大镜仔细观察这几只电阻的焊点,有微小的裂纹。拆下这几只电阻,仔细清理后焊好,通电试机,故障排除。
分析认为,该机故障原因是机器工作一段时间后,输出电流取样电阻发热,其接触电阻变大,触发开关电源过流保护,从而引起停机。
