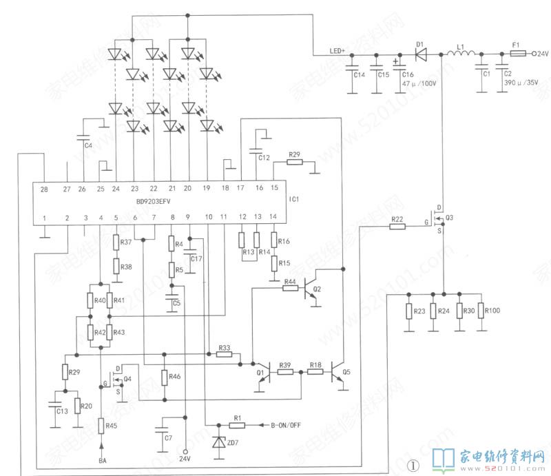
创维32E81KA型液晶电视背光电路由控制管理芯片IC1(BD9203EFV)、储能电感L1、升压二极管D1、滤波电容C16、开关管Q3等元件组成,其实绘电路如图1所示。二次开机后,IC1⑧脚得到供电。
  
 
同时,24V电压通过L1加到Q3的漏极;主芯片输出的背光开/关信号(B-QN/OFF)为高电平,通过电阻R1加到IC1⑨脚;背光亮度调节信号(BA)通过电阻K45送给控制电路,91②脚输出驱动脉冲,Q3工作在开关状态,L1左端产生了幅度约为48Vp_p的脉冲电压(如图2所示),与24V电压叠加,由电容C16滤波后产生LED+电压(50V),点亮屏内的灯条。
故障现象1:黑屏,伴音正常。分析检修:用手电筒照射屏幕,可看见暗淡的图象,说明背光电路或灯条有故障。上电,测得LED+电压为24V,拔下灯条连线后再开机,LED+电压仍是24V,说明背光驱动电路有问题。测IC1⑧脚供电正常,Q3漏极电压为25V,也正常。但IC⑨脚电压约为0V,明显异常。测主板输出的B-ON/QFF电压正常,怀疑电容C17漏电,将其换新后试机,故障排除。
故障现象2:不定时黑屏,但伴音始终正常。分析检修:试机发现,黑屏时背光不亮。上电,测得©⑧脚供电正常,但⑨脚电压为0V。检查主板输出的B-ON/OFF信号,发现插座中的B-ON/OFF脚虚焊,补焊后故障排除。
故障现象3:一开始图像亮度暗,后来黑屏,但伴音一直正常。分析检修:上电试机,背光不亮。监测LED+电压,发现在二次开机时,该电压能升到60V,随后快速降为24V。在此过程中,背光始终没亮,判断屏内灯条开路。拆屏更换灯条后试机,故障排除。
			版权声明:本文为转载文章,版权归原作者所有,欢迎分享本文,转载请保留出处!
			
		
		
		
		
		
		
	