接修一台海尔LE50A5000型液晶彩电采用侧入式LED灯珠。使用中发现,该机LED灯珠故障率较高,维修后应适当降低LED灯珠电流,降低发热,避免返修。
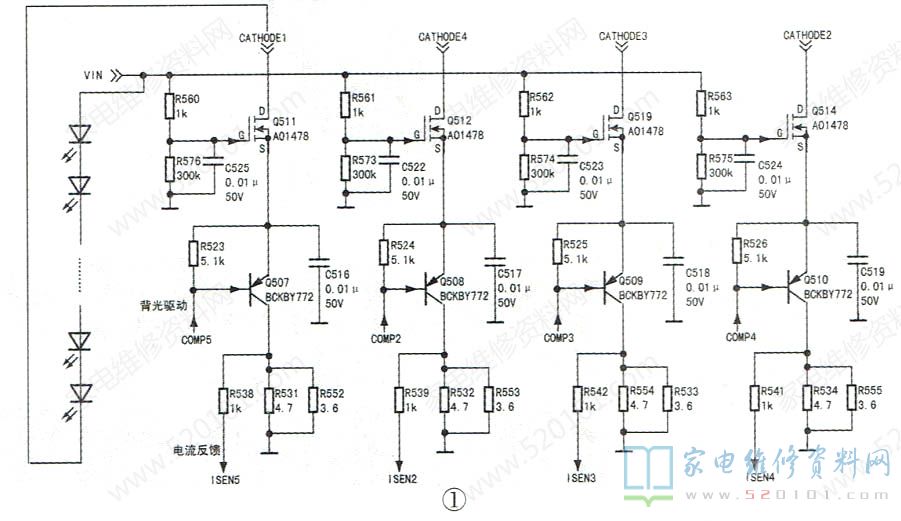
该机背光控制芯片采用OZ9908B(IC501),当32脚(VIN)得电、31脚(ENA )获得高电平,23脚(UVIS)电压高于3V时,芯片启动工作。28脚(ISW)检测升压MOS管S端的电压是否正常,22脚(COMP)分别输出驱动脉冲,驱动灯条负端的PNP型三极管Q507~Q510,如图1所示。
Q507~Q510集电极通过电阻接地。该电阻两端的电压为灯条电流检测电压,其值与对应灯串的电流成正比。电流检测电压送到IC501的12、14、16、18脚经内部ISEN电路检测后,控制相应PNP型三极管的发射极电流,从而控制流经每个灯条的电流大小。从上面的分析可知:恒流控制芯片通过检测负载回路中电阻两端的电压来控制LED+电压的高低,以实现恒流控制的目的。改变检测电阻的大小,即可改变灯串电流检测电压,也就改变了灯串电流。原机每路灯串的检测电阻由两只电阻并联而成(R531//R552.R532//R553、 R533//R554、R534//R555),总阻值为2Ω。如果去掉其中一只,则总阻值会增大,流过灯串的电流会降低。当然,也可以把3.6Ω换成6.8Ω~10Ω的电阻,这样总阻值约为2.8Ω~3.2Ω。经过实验,直接拆除图2所示的4只3.6Ω电阻试机,背光亮度无明显影响,但灯条电流及温升均明显降低。
版权声明:本文为转载文章,版权归原作者所有,欢迎分享本文,转载请保留出处!
