海尔LD32U3100液晶电视黑屏的故障维修

2022-03-03 17:59:42  阅读 1368 次 评论 0 条
摘要:

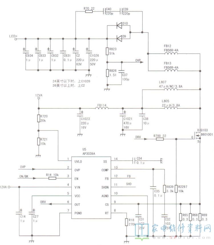
接修一台海尔LD32U3100型液晶彩电,故障表现为二次开机后黑屏,但伴音正常。试机,发现背光不亮,屏上有暗波的图像。本机采用三合一主板(板号:NSTV2409-ZC01 -01),主芯片是MSTV59,

      接修一台海尔LD32U3100型液晶彩电,故障表现为二次开机后黑屏,但伴音正常。试机,发现背光不亮,屏上有暗波的图像。本机采用三合一主板(板号:NSTV2409-ZC01 -01),主芯片是MSTV59,背光恒流控制芯片采用AP3608E,背光升压控制芯片采用AP3039A(U5), 相关电路如图1所示。

海尔LD32U3100液晶电视黑屏的故障维修 第1张

      二次开机后,测得升压整流二极管D9、D10负极电压一直为12V,说明升压电路未工作。转向检测U5的工作条件,测得U5③脚(EN )的背光开启电压为5.2V,④脚电压为12V,⑤脚(内部输出)电压为12V,①脚(低压保护)电压为4.41V,②脚(OVP保护输入)电压为0.3V,均正常,但⑥脚(脉宽调制输出)电压为0V,说明U5没有进入工作状态。断电,在路测量D9、D10及Q103、R65、R68、R69都正常,但⑧脚(RT)对地电阻为2.45M,明显异常(⑧脚外接电阻R18的标称阻值为270k)。除去R18上面的硅胶,取下检测,其阻值已增到2.4M,由此确认R18(见图2)已损坏。

海尔LD32U3100液晶电视黑屏的故障维修 第2张

      因笔者随身携带的元件中没有270k的0402型贴片电阻,于是换上一只470k的电阻试机,升压电路输出电压为43V,背光灯正常点亮,故障排除。

      提示:电路板上多用硅胶固定元件,但这种硅胶对元件引脚有腐蚀作用,长时间后易导致元件损坏,望大家注意。

版权声明:本文为转载文章,版权归原作者所有,欢迎分享本文,转载请保留出处!