创维8H67机芯信号处理电路之供电系统结构框图如下:
如图11 所示,电源板送来的+24V_NOR,给U0A3 供电;电源板送来的+12V_NOR 供电, 经各稳压电路稳压或变换电路变压后,送给相应的电路。+12V_NOR 供电分七路:一路经U0L1, 得到VCC_PANEL 供电,给屏驱动电路供电;一路经U0P9(MP1652)变换,得到DDR_1V2 供电,给主芯片、DDR 电路等供电;一路经U0P10(MP1653),得到CPU_PWR 供电,给主芯 片CPU 供电;一路经U0P8(MP1653),得到VDD_PWR 供电,为主芯片内核供电;一路经 U0P7(AOZ3112DI),得到5V_USB 供电,给USB 电路等供电;一路经U0P5(AOZ3101),得到3V3SB 供电,给主芯片等供电;一路经U0P6(AOZ3112),得5V_M 供电;5V_M 供电分三路,分别给U2、U0M3、U0T5 等电路供电。
2、信号处理电路系统结构框图
8H67 机芯信号处理电路系统结构框图如下:
如图12所示,为信号处理电路系统结构框图,其中,U2(Hi3751 AV551)为主芯片,UD1、UD2(K4A8G165WB-BCRC)为DDR4,U0M3(THGBMFG6C1KBAIL)为EMMC FLASH, U0A3(TAS5707)为数字音频功放。
3、开机步骤
(1) 刚开机时,电源板输出+12V(适合轻载)为主板供电。
(2) +12V电压U0P5(AOZ3101),得到3V3SB供电,给主芯片U2(Hi3751 V551)等供电;
(3) U2(Hi3751 V551)经上电和复位后,外围晶振开始振荡,U2(Hi3751 V551)中的待机小CPU开始启动工作。
(4) U2(Hi3751 V551)输出的PWR_ON/OFF开机信号,得到的PWR_ON/OFF高电平送往电源板,于是电源板电路正常工作,产生正常的12V、36V,给主板电路供电,背光板电路供电。
(5) +12V电压一路经U0P10(MP1653),得到CPU_PWR供电,一路经U0P8(MP1653),得到VDD_PWR供电,为主芯片内核及CPU供电;+12V电压经U0P9(MP1652)变换,得到DDR_1V2供电,给DDR4供电。
(6) U2(Hi3751 V551)主控系统开始启动,先从EMMC 存储器中读取状态数据。
如果读取的为待机状态信息,则进入待机,此时主板系统由U2(Hi3751 V551)中的待机小CPU 接管;如果读取的为开机状态信息,那么主控系统与DDR4 通讯,主控系统与U0M3(EMMC)进
行通讯,主控系统运行U0M3 中的Mboot(启动代码),主控系统将EMMC 中的主程序装载到DDR4 中,并开始运行。主控系统会对EMMC、DDR4 进行初始化,主控系统进入正常的初始化过程。
(7) 初始化完成后,系统处于开机状态。
4、单元电路
(1) 3V3SB 供电产生电路
如图13 所示,电源板送来的+12V_NOR 供电经U0P5(AOZ3101)为核心的DC-DC 变换电路的变换,得到3V3SB 供电,用作相关电路工作供电。
(2) 开关机控制电路
如图14 所示,在U1(HI3751)正常工作后,输出SB_PWR 开机信号(高电平),送到Q0S5的基极,使Q0S5 导通,Q0S4 截止,于是Q0S4 集电极输出高电平,此开机信号(PWR_ON/OFF)经CN0S1 的④脚送往电源板,使电源电路正常工作,得到正常的+12V、+36V 供电。
(3)指示灯控制电路
如图15 所示,在U2(Hi3751 V551)正常工作后,U2(Hi3751 V551)的AG3 脚输出指示灯控制信号(高电平),此信号送到Q0S8 的基极,使Q0S8 导通,其集电极输出低电平,送到指示灯开关控制电路。
(4) 屏供电(VCC_Panel)开关控制电路
如图17 所示,当U2(Hi3751 V551)的E4 脚送来开机信号(高电平)时,Q0L1 导通,U0L1的④脚为低电平而导通,12V_NOR 供电经过U0L1,输出VCC_PANEL,用作液晶屏驱动电路的工作供电。
(5) 背光开关控制电路
如图16 所示,主芯片U2(Hi3751 V551)的J29 脚送来的BLK_ON 背光开关控制信号,经Q0S1 倒相,由CN0S4 的①脚送到背光电路,用于控制背光板电路是否工作。
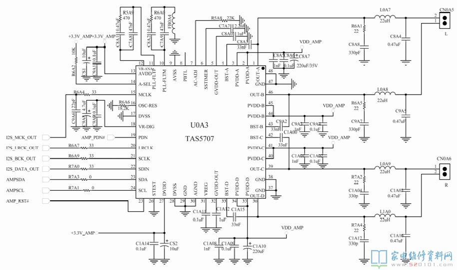
(6) 数字音频功放电路
如图18 所示,U0A3(TAS5707)是数字音频功放集成电路,其中,○19 脚是待机控制脚,○25 脚是复位脚,○23 (SDA)脚、○24 (SCL)脚为数据、时钟总线脚,○15 (MCLK)脚为主时钟输 入脚,○21 (SCLK)脚为串行音频数据/位时钟输入脚,○20 (LRCLK)脚为串行音频数据左右/帧 时钟输入脚,○22 (SDIN)脚为串行音频数据输入脚。
U1(Hi3751 V551)的H25、J23、H24、H23 脚输出的数字音频信号分别送到U0A3 的○15 、 ○21 、○20 、○22 脚,经内部电路处理后,由U0A3 的① (OUTA)、○46 (OUTB)脚输出左音频信号 到扬声器,从○39 (OUTC)、○36 (OUTD)脚输出右音频信号到扬声器。
5、软件升级
(1) 工厂模式
进入方法
在开机状态下,用遥控器按“上上下下左右左右”,即可进入工厂菜单。
退出方法
按“返回”键,可退出工厂模式。
(2) 软件升级
8H67 机芯的升级方法有:A、本地升级;B、在线升级;C、强制升级;D、串口升级。
A、本地升级
①、将升级压缩包(8H67_V1_V016.*****.zip 文件)存入U 盘的根目录。
②、给电视机上电,开机后将U 盘插入电视机的相应端口,按遥控器的“主页”键,选择“本地媒体”→“系统升级”→ “本地升级”。
③、电视机将自动升级,升级完成后,系统会自动重启,电视机会自动开机。
注意:本地升级是依靠Emmc Flash 上的引导程序来进行的,如果电视机引导程序损坏,那么无法进行U 盘升级。此时,需用串口升级,即先在电脑上运行Hi tool 工具将引导程序写入Emmc Flash,再用U盘来升级。
B、在线升级
①、请保证电视机网络畅通,同时保证电视有足够的存储空间。
②、首先按遥控器的“主页”键,按遥控器的“主页”键,选择“本地媒体”→“系统升级”→ “在线升级”。系统会自动将本机的程序版本与服务器上的程序版本进行比较,如果有更新程序可以下载,那么在线升级界面会显示出可以下载的程序名,只需根据界面的指示进行下载即可。
③、下载任务完成后,升级压缩包已在存储空间内,用户可再次进入“在线升级”页面,启动升级对话框。
④、点击“确定”按钮后,系统将会使用下载的升级文件压缩包进行升级。
⑤、待升级完成后,系统会自动重启电视机。升级后的第一次重启的开机速度会比平时长1-2 分钟,请勿在此阶段关机,以避免数据拷贝出现错导致系统异常(下载完成后的升级情况等同于本地升级)。
C、强制升级
如果电视机出现故障,导致无法进入主页进行本地升级时,可采用强制升级方法:
①、将升级压缩包(8H67_V1_V016.*****.zip)文件拷贝到U 盘根目录下。
②、电视待机状态下,将U 盘插入电视机的相应端口,按住键控板的开机键再开机。按住20 秒左右,系统会自动进入升级界面,选择U 盘内的升级包升级。
③、升级时,电源指示灯会黄红交替闪烁,升级完成后,指示灯会变为黄色。请在完全启动之后,将U 盘拔掉,关机再开机一次,进入正常工作状态。
D、串口升级
①、将升级压缩包(8H67_V1_V016.*****.zip 文件)存入U 盘的根目录。
②、使用串口命令进入升级菜单,操作方法一:电视机与电脑通过串口线连接,电视开机时,在电脑的串口终端一直按住Ctrl+C 键,在fastboot# 后面输入 rec,系统会进入升级界面,选择U 盘内的升级包升级。操作方法二: 电视机与电脑通过串口线连接,电视开机时,按回车键,在root@Hi3751V551:/ # 后面输入 reboot –r,系统会进入升级界面,选择U 盘内的升级包升级。
③、升级时,OSD 会提示系统自动关机,此时不能对电视机进行操作,请等待电视机自动重启,重启后才进入真正的升级阶段,电源指示灯为绿色,此时屏幕上会显示齿轮和升级进度。
④、待升级完成后,系统会自动重启电视机。升级后的第一次重启的开机速度会比平时长1-2 分钟,请勿在此阶段关机,以避免数据拷贝出现错导致系统异常。
(3) HiTool 工具的使用方法
串口烧写:
①、双击HiTool.exe,进入界面如下:
②、选择HiBurn 功能进入烧写界面,之后选择“串口”(如果只写引导程序,那么可以在右边的传输方式中选择串口烧写,无需使用网线)。
③、选择“烧写eMMC”。
④、点击“浏览”。
⑤、选择分区文件“Hi3751V551-emmc.xml”,点击打开。
⑥、勾选fastboot,点击 “烧写”按钮。
⑦、如果可以正常进行烧写,那么在最下面的消息框中会出现一直增加的“#”的进度。
⑧、在烧写完成后,会出现提示如下:
说明:如果系统连引导程序都跑不起来,或者已更换新的空白的EMMC,就需要通过电脑工具Hitool 来将引导程序写到EMMC 里面,烧写成功后,再用强制升级方法或串口指令升级方
法来进行升级主程序。
进行烧写时,如果传输有问题,那么应该出现“#”的进度就会变为“T”,这个T 表示超时(time out),请确认一下串口是否有问题。
烧写所需要的时间与要烧写的文件大小有关,串口烧写速度较慢,如果是选择烧写所有文件,那么需要耗时很长的时间,如果只写一个引导程序,那么在1 分多钟能够完成。
网口烧写(电视与电脑用网线直连):
①、禁用电脑的无线网卡。
②、配置本地连接的静态IP 地址,不能自动获取(通过路由器来相连,可以自动获取)。
③、双击HiTool.exe,进入界面如下:
④、选择HiBurn 功能进入烧写界面,然后在传输方式下,选择“网口”。
⑤、设置好串口、网络IP、网关等相关参数。设置好后,点击“保存”按钮。
⑥、选择“烧写eMMC”。
⑦、点击“浏览”,选择分区文件“Hi3751V551-emmc.xml”,点击“打开”按钮。
⑧、勾选fastboot ,点击 “烧写”按钮。
⑨、如果可以正常进行烧写,那么在最下面的消息框中会出现一直增加的“#”的进度。
⑩、烧写成功后,会出现提示图示如下:
6、故障检修要点图解
