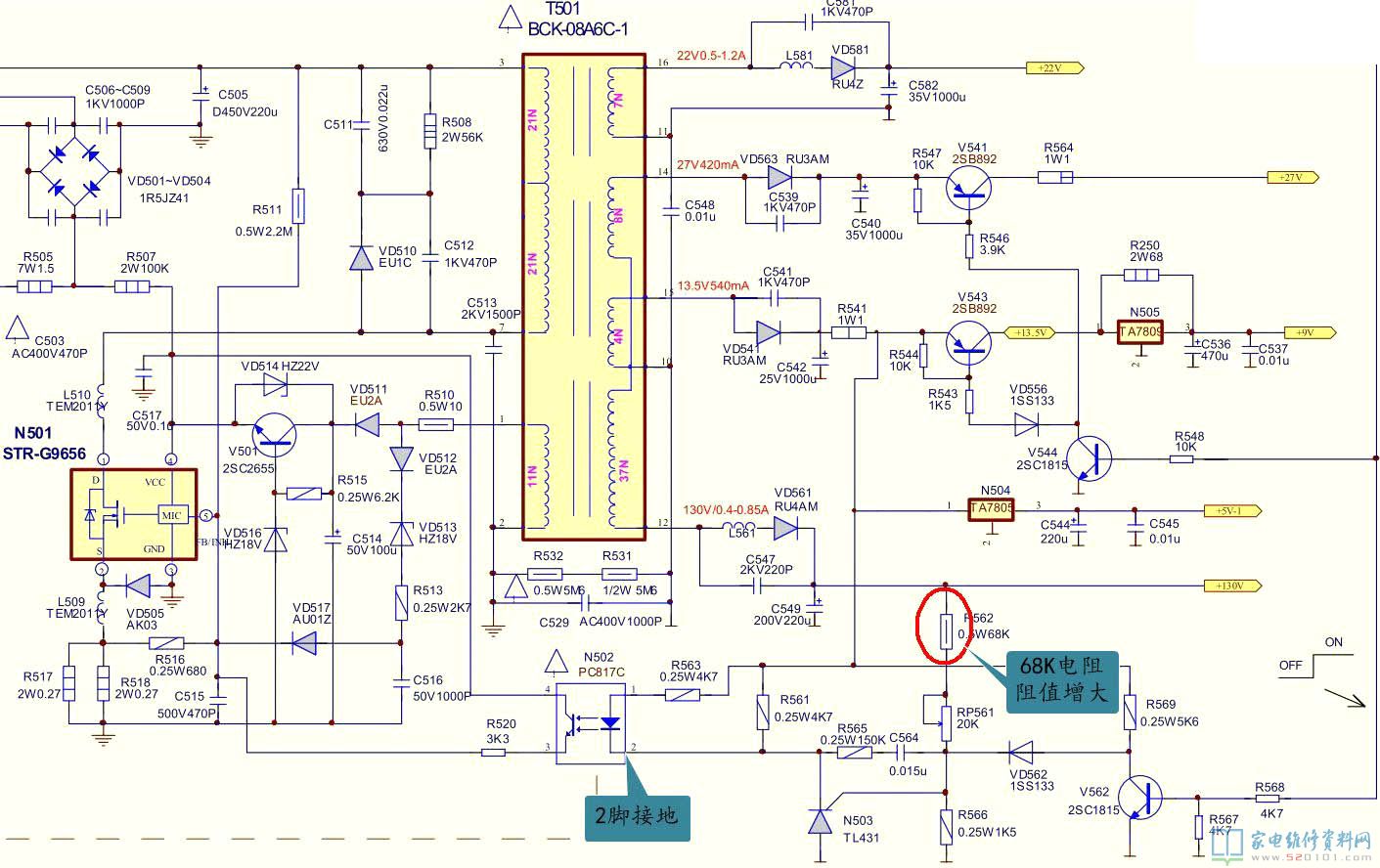
接修一台海尔彩电,型号为29F9D-T,打开电源可听到行工作的“磁”一声,随后啥动静都没了。将行断开,接灯泡当假负载,通电,灯泡亮一下就灭了,感觉像保护了,而且像过压保护,检修了一天也没结果,手里没有9656代换,买了几处都没有,最后将光耦2脚接地,通电,灯泡一直暗亮,此时+B为50v。最后经过排查发现是R562阻值增大导致,更换后故障修复。
			版权声明:本文为转载文章,版权归原作者所有,欢迎分享本文,转载请保留出处!
			
		
		
		
		
		
		
	接修一台海尔彩电,型号为29F9D-T,打开电源可听到行工作的“磁”一声,随后啥动静都没了。将行断开,接灯泡当假负载,通电,灯泡亮一下就灭了,感觉像保护了,而且像过压保护,检修了一天也没结果,手里没有9656代换,买了几处都没有,最后将光耦2脚接地,通电,灯泡一直暗亮,此时+B为50v。最后经过排查发现是R562阻值增大导致,更换后故障修复。