海信TLM32V66A液晶电视花屏死机或蓝灯亮不开机

2022-11-05 20:07:31  阅读 1110 次 评论 0 条
摘要:

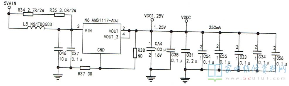
接修一台海信TLM32V66A液晶电视,故障现象是花屏死机或蓝灯亮不开机。故障原因:本机采用RSAG7.820.4204主板,常见原因是1.2V内核供电三端稳压器N6性能不良,如图1所示。

      接修一台海信TLM32V66A液晶电视,故障现象是花屏死机或蓝灯亮不开机。故障原因:本机采用RSAG7.820.4204主板,常见原因是1.2V内核供电三端稳压器N6性能不良,如图1所示。

海信TLM32V66A液晶电视花屏死机或蓝灯亮不开机 第1张

版权声明:本文为转载文章,版权归原作者所有,欢迎分享本文,转载请保留出处!