接修一台海信LED46K310X3D型液晶彩电,有时能正常开机,有时不能二次开机,这时红色待机指示灯亮;有时开机屏幕亮一下后自动关机,指示灯由绿变红;有时反复开/关电源数次后能正常开机。根据故障现象,初步判断电路存在虚焊或接触不良。开盖,检查电源板及主板均无明显异常。上电测得PFC电压只有350V (正常应为380V左右),并且该电压随着通电时间延长而缓慢下降,约两小时后降到300V,这明显不正常。
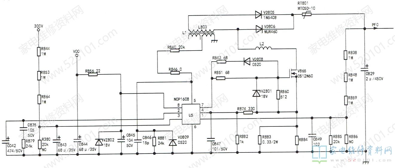
本机采用4849型电源板,PFC芯片为NCP1608,如图1所示。本着先易后难原则,先更换滤波电容C829 (82uF/450V), 故障不变。观察NCP1608外围电路大部分都是贴片元件,根据经验,贴片元件下面的粘胶易漏电。拆下 R844、R853、R864、R838、R848、R859等几个大功率贴片电阻,用酒精把电阻和电路板上的胶清洗干净,检测各电阻阻值正常,恢复电路,开机测PFC电压为稳定的375V,且故障不再出现。
版权声明:本文为转载文章,版权归原作者所有,欢迎分享本文,转载请保留出处!
