该机用户在雷雨天收看而造成三无故障。经检修后图像恢复正常,可伴音仅机壳顶部的超重低音箱有声,而两侧主扬声器无声。 
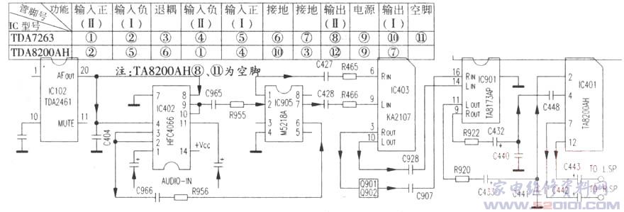
依该机所附电原理图绘出其音频信号流程简图(见附图),由图可见,该机音频信号流程环节较多,比较复杂。在检修中发现,音频信号从环绕声处理电路IC901(TA8173AP){9}、{11}脚出来后,并未送至功放块IC401(TA8200AH){4}、{2}脚,而是送入IC401{1}、{5}脚,且其输出信号亦并非为IC401{7}、{11}脚,而是{10}、{8}脚,难道原接法有误?但从检测结果来看,音频交流信号确已送至IC401,故怀疑IC401损坏。检查其各脚均无虚焊,铜箔无断裂现象,电源电压亦正常,手握改刀金属部分碰触IC401信号输入端,扬声器无干扰声,判定IC401被击坏。关机拆下IC401观察,原来音频功放块是TDA7263,可见实物与图标不符。查资料可知,两者管脚数及功能均不同,TA8200AH为单列12脚,TDA7263为单列11脚(见附表)。由于现仅有TA8200AH功放块,于是用细软导线对照附表连接,复查无误后开机,故障排除。另据资料介绍可用TDA2009直接代换TDA7263。
 
 
 
辽宁 徐涛
 
 
		
		
		依该机所附电原理图绘出其音频信号流程简图(见附图),由图可见,该机音频信号流程环节较多,比较复杂。在检修中发现,音频信号从环绕声处理电路IC901(TA8173AP){9}、{11}脚出来后,并未送至功放块IC401(TA8200AH){4}、{2}脚,而是送入IC401{1}、{5}脚,且其输出信号亦并非为IC401{7}、{11}脚,而是{10}、{8}脚,难道原接法有误?但从检测结果来看,音频交流信号确已送至IC401,故怀疑IC401损坏。检查其各脚均无虚焊,铜箔无断裂现象,电源电压亦正常,手握改刀金属部分碰触IC401信号输入端,扬声器无干扰声,判定IC401被击坏。关机拆下IC401观察,原来音频功放块是TDA7263,可见实物与图标不符。查资料可知,两者管脚数及功能均不同,TA8200AH为单列12脚,TDA7263为单列11脚(见附表)。由于现仅有TA8200AH功放块,于是用细软导线对照附表连接,复查无误后开机,故障排除。另据资料介绍可用TDA2009直接代换TDA7263。
 
 
辽宁 徐涛
			版权声明:本文为转载文章,版权归原作者所有,欢迎分享本文,转载请保留出处!
			
		
		
		
		
		
		
	